电脑桌面
添加小米粒文库到电脑桌面
安装后可以在桌面快捷访问

监理规划 完整详细版

监理规划 完整详细版_第1页
1/51
监理规划 完整详细版_第2页
2/51
监理规划 完整详细版_第3页
3/51
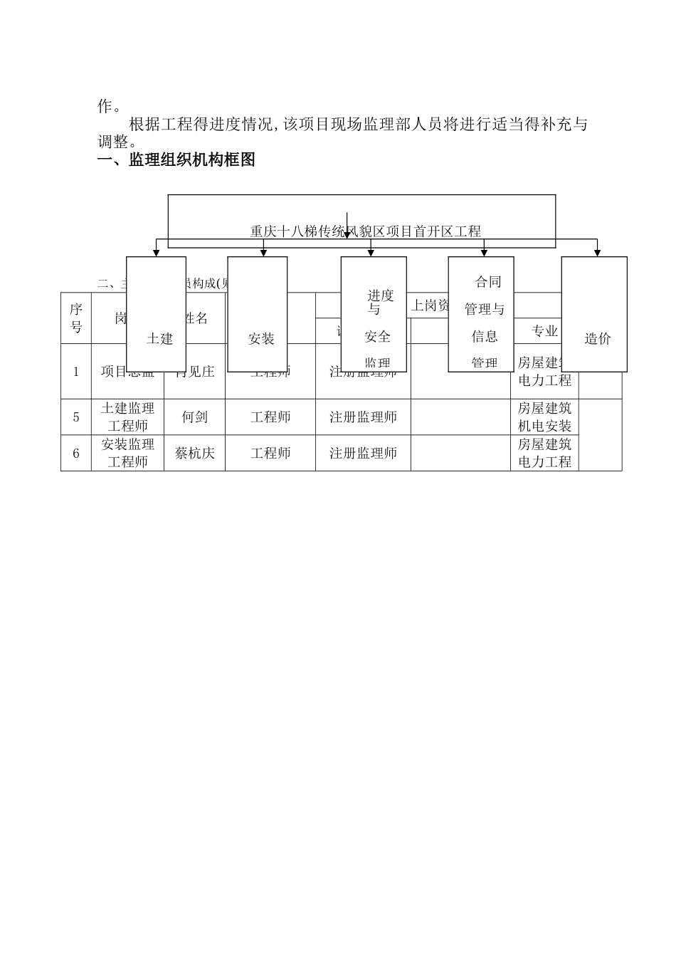
前 言我公司受建设单位(以下称委托人)―重庆十八梯文化进展有限公司,承担重庆十八梯传统风貌区项目得监理任务。于二 Ο 一七年六月签订“重庆十八梯传统风貌区项目工程委托监理合同”,为达到委托人把该工程建成质量好、工期短、投资省得设想,我公司组织了一批具有丰富得工程建设实践经验与监理工作经验、有良好得职业道德素养得工程技术人员,成立现场监理部,对本工程全面开展监理工作。在监理工作中,我们将认真贯彻国家对建设项目监理工作得有关规定,严格执行工程建设标准强制性条文,严格根据 ISO9001:2000 质量体系、方针与目标要求实施监理,履行监理职责,遵循“守法、诚信、公正、科学”得准则,切实维护国家、委托人与承包方得合法权益,贯彻以质量为中心,做好质量、进度、投资控制、合同与信息管理以及安全文明施工管理工作,确保重庆十八梯传统风貌区项目工程建设达到委托人得期望与要求,为此我公司该工程现场监理部制定本规划,作为指导我们监理工作得主要文件。第一章工程项目概况一、工程概况序号项目内容1工程名称重庆十八梯传统风貌区项目首开区2工程地点重庆市渝中区较场口3工程规模约 5260、69㎡4合同工期2025、07、31—2025、03、305投资规模约 1500 万元6参建单位建设单位重庆十八梯有限公司设计单位重庆博建建筑规划设计有限公司勘察单位重庆市勘测院监理单位浙江天成项目管理有限公司施工单位陕西建工第六建设集团有限公司监督单位重庆市渝中区建综处二、建筑、结构特征:重庆十八梯传统风貌区项目首开区总建筑面积约为 5260、09㎡,,计划工期:180 日历天,设计采纳框架结构,基础采纳人工挖孔灌注桩基础、独立基础、筏板基础,抗震设防烈度 6 度,框架抗震等级四级。第二章 监理工作范围、内容、目标与依据一、监理阶段及监理工作范围根据工程建设监理委托合同,本次监理主要为施工阶段得监理。本工程监理工作得主要内容有:场平、土建、装饰、水电、消防、暖通、电梯、弱电等。二、监理工作目标 1、投资目标: 1、1 控制在审定得初步设计概算之内; 1、2 严格控制工程变更,不给工程造成额外费用; 1、3 严格计量,无超前支付发生。 2、工期进度目标:控制在合同规定得天数内。 3、质量目标:合格。 4、安全控制目标:无重大安全事故发生。 执行《中华人民共与国建筑法》、建设部第 13 号令《建筑安全生产监督管理规定》、建设部第 15 号令《建设工程施工现场管理规定》。三、监理工作依据1、重庆十八梯传统风貌区项目首...

1、当您付费下载文档后,您只拥有了使用权限,并不意味着购买了版权,文档只能用于自身使用,不得用于其他商业用途(如 [转卖]进行直接盈利或[编辑后售卖]进行间接盈利)。
2、本站所有内容均由合作方或网友上传,本站不对文档的完整性、权威性及其观点立场正确性做任何保证或承诺!文档内容仅供研究参考,付费前请自行鉴别。
3、如文档内容存在违规,或者侵犯商业秘密、侵犯著作权等,请点击“违规举报”。

碎片内容

监理规划 完整详细版

确认删除?
VIP
微信客服
  • 扫码咨询
会员Q群
  • 会员专属群点击这里加入QQ群
客服邮箱
回到顶部