电脑桌面
添加小米粒文库到电脑桌面
安装后可以在桌面快捷访问

福州大学机械设计齿轮及轴系零件设计论文本科论文

福州大学机械设计齿轮及轴系零件设计论文本科论文_第1页
1/14
福州大学机械设计齿轮及轴系零件设计论文本科论文_第2页
2/14
福州大学机械设计齿轮及轴系零件设计论文本科论文_第3页
3/14
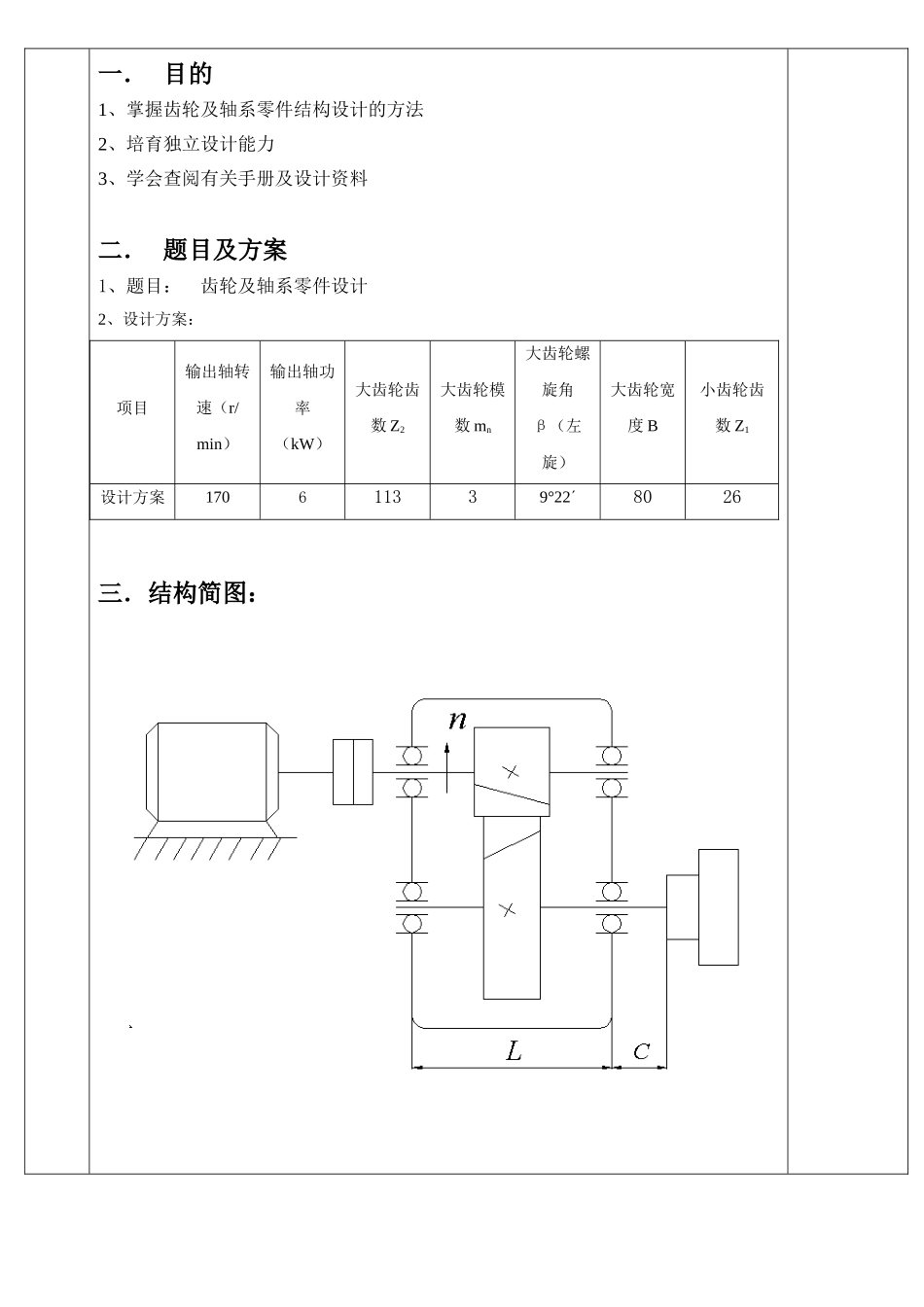
机械设计大作业齿轮及轴系零件设计 学院: 机械学院 设计者: 学号: 指导老师: 完成时间:2025.12.01 目 录一、目的…………………………………(3)二、题目及方案…………………………(3)三、结构简图……………………………(3)四、计算内容……………………………(4)五、参考文献……………………………(12)附:1、装配简图一. 目的1、掌握齿轮及轴系零件结构设计的方法2、培育独立设计能力3、学会查阅有关手册及设计资料二. 题目及方案1、题目: 齿轮及轴系零件设计2、设计方案:项目输出轴转速(r/min)输出轴功率(kW)大齿轮齿数 Z2大齿轮模数 mn大齿轮螺旋角β(左旋)大齿轮宽度 B小齿轮齿数 Z1设计方案170611339°228026三.结构简图:计算及说明:四.计算内容(一)估算轴径1)选材,定热处理45 钢,调质,=60MPa 2) 初步确定轴的最小直径 按许用切应力的方法初步估算轴的最小直径,根据表 15-3,取 (二)选取联轴器1) 轴的转矩 由题可知,,,可得:2)联轴器的计算转矩输出轴的最小直径显然是安装联轴器处轴的直径,为了使所选的轴的直径与联轴器的孔径相适应,故需同时选取联轴器的型号。 联轴器的计算转矩,考虑转矩变化很小,查表 14-1,取则3) 半联轴器的主要参数及尺寸 根据计算转矩应小于联轴器转矩 的条件,结论:轴径选取 45钢,调质处理轴的最小直径 初 定 为38.70mm=438176.5Nmm选用 LX3 型弹性柱销联轴器d=40mm查标准,选用 LX3 型弹性柱销联轴器半联轴器的孔径:d=40mm,故取半联轴器长度: L=112mm半联轴器与轴配合的毂孔长度: 4)半联轴器标记 (三)选择轴承1)轴承选用 7210AC2)因轴承同时受有径向力和轴向力的作用,故选用角接触球轴承,参照工作要求,并根据由轴承产品目录中初步选取 0 基本游隙组,标准精度级的角接触球轴承 46210,其尺寸为:(四)计算和确定齿轮的各部分尺寸 1)齿轮: 内孔直径 L=112mm轴 承 选 用7210AC 2)结构简图:(五)初步设计轴的结构 1)为了满足半联轴器的轴向定位要求,轴段右端需制出一轴肩,由密封圈处轴径标准值系列:可得: 取 2)轴段右端的轴肩为非定位轴肩,由轴承标准系列综合考虑,取由于两个轴承成对,故尺寸相同,所以各轴段长度和半径:因为轴承宽度 B=20mm,所以,3)半联轴器与轴配合的毂孔长度,为保证轴端挡圈只压在半联轴器上而不压在轴的端面上,故长度应比略短一些,取4)由齿轮内孔轴径...

1、当您付费下载文档后,您只拥有了使用权限,并不意味着购买了版权,文档只能用于自身使用,不得用于其他商业用途(如 [转卖]进行直接盈利或[编辑后售卖]进行间接盈利)。
2、本站所有内容均由合作方或网友上传,本站不对文档的完整性、权威性及其观点立场正确性做任何保证或承诺!文档内容仅供研究参考,付费前请自行鉴别。
3、如文档内容存在违规,或者侵犯商业秘密、侵犯著作权等,请点击“违规举报”。

碎片内容

福州大学机械设计齿轮及轴系零件设计论文本科论文

办公文档专营+ 关注
实名认证
内容提供者

大量办公文档,欢迎选择

确认删除?
VIP
微信客服
  • 扫码咨询
会员Q群
  • 会员专属群点击这里加入QQ群
客服邮箱
回到顶部