电脑桌面
添加小米粒文库到电脑桌面
安装后可以在桌面快捷访问

职业健康审核要点

职业健康审核要点_第1页
1/26
职业健康审核要点_第2页
2/26
职业健康审核要点_第3页
3/26
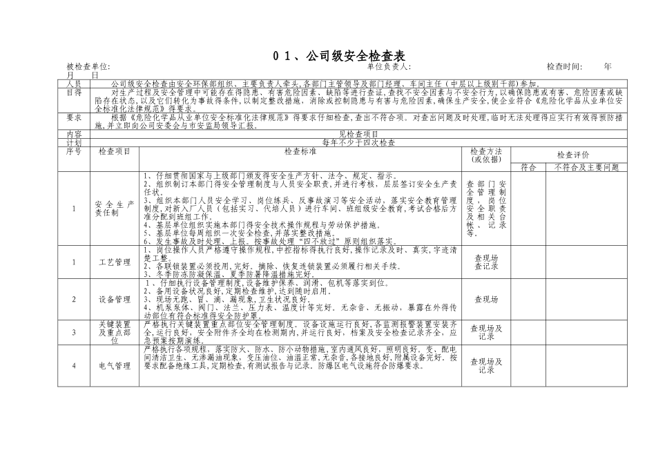
目 录01、公司级安全检查表ﻩ102 、 压力容器、压力管道安全检查表 ................................................................................................................................................. Error: Reference source not found 0 3 、 锅炉安全检查表 ﻩ Error: Reference source not found 04 、 起重机械安全检查表 ..................................................................................................................................................................... Error: Reference source not found 05 、 危险化学品安全检查表 ﻩ Error: Reference source not found 0 6、 电气设备安全检查表 ﻩ Error: Reference source not found 0 7 、 机械设备安全检查表 ﻩ Error: Reference source not found 0 8 、 厂房、建筑物安全检查表 .......................................................................................................................................................... Error: Reference source not found 0 9、 安全装置安全检查表 .................................................................................................................................................................. Error: Reference source not found 1 0、 防火防爆及消防安全检查表 ...................................................................................................................................................... Error: Reference source not found 11 、 防尘防毒安全检查表 ﻩ Error: Reference source not found 1 2、 监测仪表安全检查表 .................................................................................................................................................................. Error: Reference source not found 13 、 工艺安全检查表 ............................................................................................................................................................................. Error: Reference source not...

1、当您付费下载文档后,您只拥有了使用权限,并不意味着购买了版权,文档只能用于自身使用,不得用于其他商业用途(如 [转卖]进行直接盈利或[编辑后售卖]进行间接盈利)。
2、本站所有内容均由合作方或网友上传,本站不对文档的完整性、权威性及其观点立场正确性做任何保证或承诺!文档内容仅供研究参考,付费前请自行鉴别。
3、如文档内容存在违规,或者侵犯商业秘密、侵犯著作权等,请点击“违规举报”。

碎片内容

职业健康审核要点

确认删除?
VIP
微信客服
  • 扫码咨询
会员Q群
  • 会员专属群点击这里加入QQ群
客服邮箱
回到顶部