电脑桌面
添加小米粒文库到电脑桌面
安装后可以在桌面快捷访问

能源利用状况报告

能源利用状况报告_第1页
1/11
能源利用状况报告_第2页
2/11
能源利用状况报告_第3页
3/11
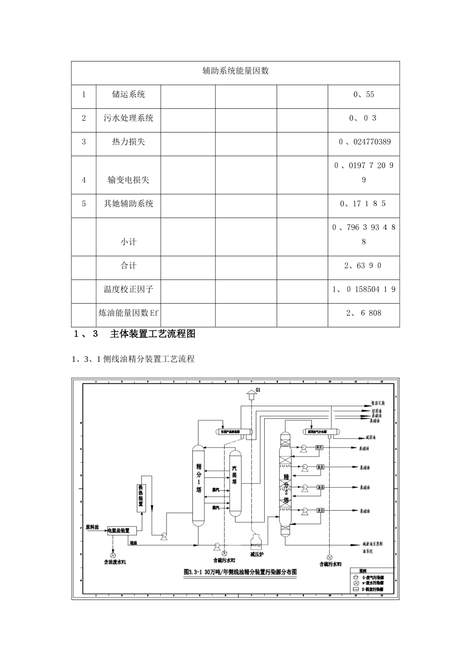
东营奥星石油化工有限公司能源利用状况报告1、企业能源管理及能源使用背景及现状1、1 能源种类及2 01 6年全厂综合能耗序号项目消耗量折标系数单位能耗, MJ/t单位数量单位数量1燃料气t/a2088MJ/t3977588、432外购煤炭t/a41590M J/t2 9271 2 9、623外购电kWh/aMJ/k Wh9、5 5899、6 54新奇水t/a60 032MJ/t7、120、468合计M J/t11 1 8、16综合能耗kgOE/t2 6、71单因能耗6、2 11、2 2 0 16 年全厂能量因数序号装置名称加工量折算系数能量系数能量因数t/aCiKiCi × Ki炼油生产装置能量因数1侧线油精分1 6 14280、1 59 710、15 9 72柴油改质42 4 8780、42041、5 50、6 5163异构脱蜡8 45 150、08 362、270、18984加氢裂化装置26 8 3300、2 65 53、090、820 45甲醇制氢71 53 90、00 015 911 00、01 74 9小计1、8 42 6辅助系统能量因数1储运系统0、552污水处理系统0、033热力损失0、0247703894输变电损失0、0197 7 20 995其她辅助系统0、17 185小计0、796 3 93 488合计2、63 90温度校正因子1、0 158504 1 9炼油能量因数 Ef2、6 8081、3 主体装置工艺流程图1、3、1 侧线油精分装置工艺流程1、3、2 加氢工艺流程图1、4 企业用能过程说明公司系统用能主要就是水、电、燃煤。电力为 380 KV 工业用电。① 配电:本公司供电由市政电网供应,10KV 电路线架空进入厂区配电室,一路经变压器变至3 80/220 V输送至生产生活区域.另一路经配电室直接给装置高压电机供电。② 给排水:1、新奇水厂区内敷设新奇水管网,装置区供水压力0、4 M pa,干管管道直径 DN 200钢管。2、循环水根据项目得循环水得水量平衡得情况,公司新建循环水场,包括二座1000m3/h 玻璃钢冷却塔,可提供2 0 00 m3/h得循环冷却水,能满足本工程及后续项目得循环水量要求。循环水管线为DN 600 管线,供冷换框架及冷热油泵房内得生产用水。3、排水系统已建项目装置及冷热油泵房内得生产、生活污水经管线收集后就近排入装置区外得生产、生活污水管网送入李鹊镇污水处理场处理达标后排放。1、5 企业能源流转过程说明电力:主要供全公司动力设备及照明。水:主要供各生产车间冷却水循环。2 综合能耗情况2、1 2 016 年装置能源消耗情况2 016 年装置能源消耗结构表能源种类单位年消耗量单位折标系数单位单位综合能...

1、当您付费下载文档后,您只拥有了使用权限,并不意味着购买了版权,文档只能用于自身使用,不得用于其他商业用途(如 [转卖]进行直接盈利或[编辑后售卖]进行间接盈利)。
2、本站所有内容均由合作方或网友上传,本站不对文档的完整性、权威性及其观点立场正确性做任何保证或承诺!文档内容仅供研究参考,付费前请自行鉴别。
3、如文档内容存在违规,或者侵犯商业秘密、侵犯著作权等,请点击“违规举报”。

碎片内容

能源利用状况报告

确认删除?
VIP
微信客服
  • 扫码咨询
会员Q群
  • 会员专属群点击这里加入QQ群
客服邮箱
回到顶部