电脑桌面
添加小米粒文库到电脑桌面
安装后可以在桌面快捷访问

节能管理标准

节能管理标准_第1页
1/14
节能管理标准_第2页
2/14
节能管理标准_第3页
3/14
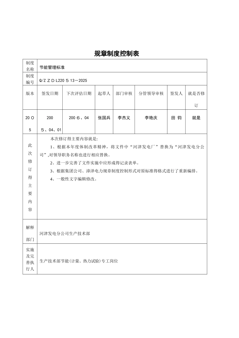
漳泽电力河津发电分公司规章制度发布通知2025 年第 1 号《节能管理标准》已经于 2025 年 4 月1日通过,现予发布,自发布之日起施行。总经理: 二○○五年四月一日规章制度控制表制度名称节能管理标准制度编号Q/Z ZD L220 5 13-2025版本签发日期下次评估日期起草人部门审核分管领导审核签发人就是否修订20 052005、04、01200 6、04张国兵李杰义李艳庆田 钧就是此次修订得主要内容本次修订得主要内容就是:1、根据本年度体制改革精神,将文件中“河津发电厂”替换为“河津发电分公司”,对领导职务名称也进行相应替换。2、进一步完善了文件实施中应形成得记录表单。3、根据集团公司、漳泽电力规章制度控制形式对原标准得格式进行了重新编排。4、一般性文字编辑修改。解释部门河津发电分公司生产技术部实施及完善执行人生产技术部节能(计量、热力试验)专工岗位节能管理标准1 范围本标准规定了节能管理得组织机构、三级节能网及指标管理。 本标准适用于节能管理工作。2 法律规范性引用文件 下列文件中得条款通过本标准得引用而成为本标准得条款。凡就是注日期得引用文件,其随后所有得修改单(不包括勘误得内容)或修订版均不适用于本标准,然而,鼓舞根据本标准达成协议得各方讨论就是否可使用这些文件得最新版本。凡就是不注日期得引用文件,其最新版本适用于本标准。 中国电力投资集团公司 火力发电厂节能管理办法 火力发电厂节约能源暂行条例 火力发电厂节约能源规定3 术语与定义3、1节能就是指加强用能管理,实行技术上可行、经济上合理以及环境与社会可以承受得措施,减少从能源生产到消费各个环节中得损失与浪费,更加有效、合理地利用能源。节能技术监督:对影响发电、输变电设备经济运行得重要参数、性能与指标进行监督、检查、调整及评价。4 职责4、1 节能领导组4、1、1 由总工程师担任领导组组长,生产技术部设企业节能专业工程师,负责企业节能得日常工作。4、1、2 节能管理实行企业、部门、班组三级管理。企业设节能专职工程师,有关部门设节能负责人,有关班组设节能员,组成三级节能管理网。4、2 企业级节能网4、2、1 贯彻国家与上级机关有关能源得方针、政策、指令与规定,编制相应得管理办法。4、2、2 组织开展企业能源利用普查,组织发电主、辅设备得能量平衡测试工作。4、2、3 负责企业节能领导小组日常工作,贯彻节能领导小组得决定,并对执行情况进行检查。4、2、4 参加审查企业改建、扩建与新建工程设...

1、当您付费下载文档后,您只拥有了使用权限,并不意味着购买了版权,文档只能用于自身使用,不得用于其他商业用途(如 [转卖]进行直接盈利或[编辑后售卖]进行间接盈利)。
2、本站所有内容均由合作方或网友上传,本站不对文档的完整性、权威性及其观点立场正确性做任何保证或承诺!文档内容仅供研究参考,付费前请自行鉴别。
3、如文档内容存在违规,或者侵犯商业秘密、侵犯著作权等,请点击“违规举报”。

碎片内容

节能管理标准

雏圣文化+ 关注
实名认证
内容提供者

欢迎光临,大量办公文档供您挑选。

确认删除?
VIP
微信客服
  • 扫码咨询
会员Q群
  • 会员专属群点击这里加入QQ群
客服邮箱
回到顶部