电脑桌面
添加小米粒文库到电脑桌面
安装后可以在桌面快捷访问

苯甲苯分离过程板式精馏塔设计本科论文

苯甲苯分离过程板式精馏塔设计本科论文_第1页
1/25
苯甲苯分离过程板式精馏塔设计本科论文_第2页
2/25
苯甲苯分离过程板式精馏塔设计本科论文_第3页
3/25
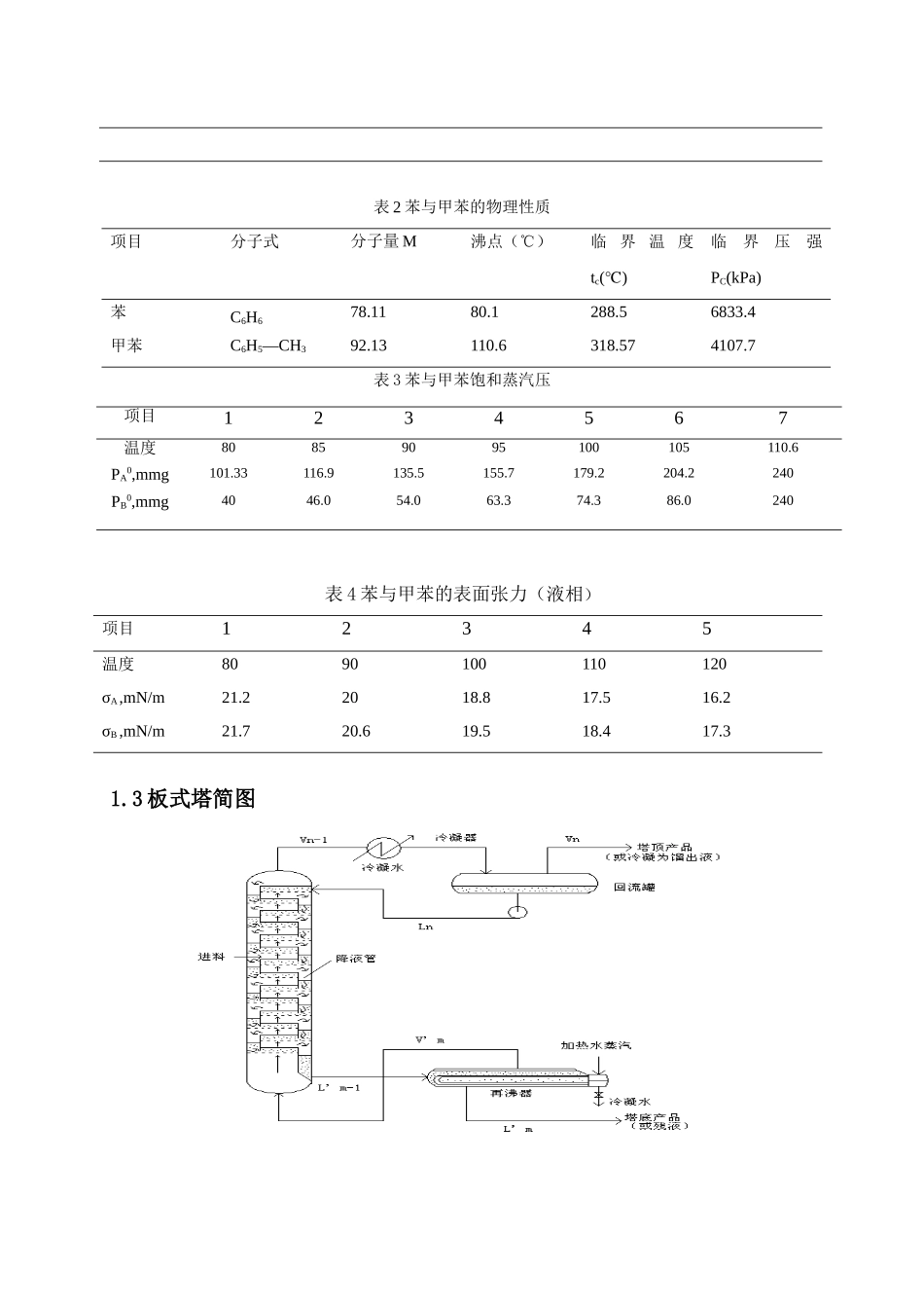
苯-甲苯分离过程板式精馏塔设计 (化学化工学院 2025 级化学工程与工艺)指导老师:摘 要本人设计了苯—甲苯分离过程板式精馏塔装置,分别是:首先选择和确定生产工艺流程和方案;生产的主要设备—板式塔工艺参数计算:精馏塔的物料衡算、塔板数的确定、精馏塔的工艺条件以及有关物性数据的计算、精馏塔的塔体工艺尺寸计算、精馏塔塔板的主要工艺尺寸的计算;绘制了精馏塔设计条件图及生产工艺流程图;对设计过程中的的问题进行了讨论和评论。关键词:苯—甲苯; 分离过程;精馏塔1 引言1.1 苯与甲苯1.1.1 苯的性质及其用途苯是有机化合物,是组成结构最简单的芳香烃。在常温下是一种无色、有芳香气味的透明液体。易挥发且难溶于水,1L 的水中最多溶于 1.7g 水,易溶于乙醇、乙醚等有机溶剂,苯的自身也是良好的有机溶剂。苯化学性质是易取代,难氧化,难加成。而且苯的产量和生产的技术水平是衡量一个国家石油化工水平的重要标志。 苯是常用溶剂,在化工企业上主要用于生产原料及合成其衍生物。主要用于金属脱脂。苯有减轻爆震的作用,因此而作为汽油的添加剂。此外,苯在工业上最重要的用途是做化工原料。1.1.2 甲苯的性质及其用途甲苯是最普通的,最重要芳烃化合物之一。在空气中它并不能完全燃烧。有特别芳香气味,几乎不溶于水,能和酒精以及乙醚任意比例混溶。甲苯很容易发生氧化和硝化。硝化反应生成的对硝基基甲苯和邻硝基甲苯是染料的原料。1.1.3 甲苯的危害苯与甲苯性质很相试,是化工工业上很广的原料,其蒸汽有毒。对皮肤和粘膜有刺激性,对中枢神经系统有麻醉作用。急性中毒的重症者可有躁动、抽搐、昏迷。1.2 苯与甲苯分离过程的工艺流程原理及设计首先,苯与甲苯的性质很相试,分子间的相互作用力几乎相等,符合拉乌尔定律,属于理想溶液。采纳连续精馏流程。 1 板式塔简图与基础数据的搜集1.1 操作条件的确定1.2 基础数据的搜集表 1 苯与甲苯的密度(液相) 温度8090100110120ρA,kg/m3814805791778763ρB,kg/m3809801791780768塔顶压强回流比单板压降塔釜加热蒸汽压力年工作日进料状况4kp2Rmin0.7kPa0.50mPa7400h泡点进料38%的苯和甲苯混合溶液原料储存原料预热精馏再沸冷却99.8% 的甲苯储存冷凝分配冷却98% 的苯储存表 2 苯与甲苯的物理性质项目分子式分子量 M沸点(℃)临 界 温 度tc()℃临界压强PC(kPa)苯C6H678.1180.1288.56833.4甲苯C6H5—CH392.13110.6318.574107.7表 3 苯与甲苯饱和蒸汽压...

1、当您付费下载文档后,您只拥有了使用权限,并不意味着购买了版权,文档只能用于自身使用,不得用于其他商业用途(如 [转卖]进行直接盈利或[编辑后售卖]进行间接盈利)。
2、本站所有内容均由合作方或网友上传,本站不对文档的完整性、权威性及其观点立场正确性做任何保证或承诺!文档内容仅供研究参考,付费前请自行鉴别。
3、如文档内容存在违规,或者侵犯商业秘密、侵犯著作权等,请点击“违规举报”。

碎片内容

苯甲苯分离过程板式精馏塔设计本科论文

确认删除?
VIP
微信客服
  • 扫码咨询
会员Q群
  • 会员专属群点击这里加入QQ群
客服邮箱
回到顶部