电脑桌面
添加小米粒文库到电脑桌面
安装后可以在桌面快捷访问

褥垫层施工技术交底

褥垫层施工技术交底_第1页
1/7
褥垫层施工技术交底_第2页
2/7
褥垫层施工技术交底_第3页
3/7
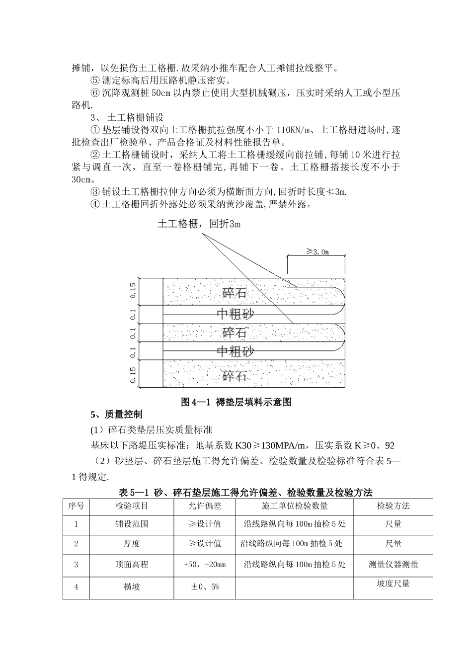
技 术 交 底 书交底编号交底日期项目名称中铁上海局商合杭铁路站前十一标项目经理部四分部工程名称路基工程施工部位褥垫层施工技术交底设计文件图号商合杭阜杭施(路)—10~14、路基工程参考图集技术交底内容: 1、技术交底范围..................................................................................................22、设计情况..........................................................................................................23、开始施工条件及施工准备工作......................................................................24、施工工艺..........................................................................................................25、质量控制..........................................................................................................46、安全、环保、文明施工等技术措施..............................................................57、成品保护措施..................................................................................................68、邻近营业线施工要求......................................................................................79、机械使用安全及防止侵限注意事项..............................................................8附件及附图:交底人: 日期: 复核人: 日期: 序号号接收人职务接受日期序号接收人职务接受日期172839410511612技 术 交 底 书1、技术交底范围本交底适用于商合杭铁路站前十一标项目经理部四分部 DK311+912、5~DK312+635、DK314+995~DK316+612、38 段复合地基褥垫层施工.2、设计情况本管段内设计使用碎石注浆桩复合地基得里程范围就是 DK311+912、5~DK316+612、38,共计 4644、4m(含 2 条短链)。桩基采纳正方形布置,间距 1、6~1、8m,桩长 8~15m,桩径 0、5m,桩顶铺 0、6m 厚垫层(碎石+中粗砂),垫层中铺设 1~2 层双向土工格栅,两端回折不少于 3、0m,极限抗拉强度不小于110KN/m,筋材延伸率≤10%。3、开始施工条件及施工准备工作(1)施工前需要做好碎石、砂、土工格栅等褥垫层所用材料得检测工作.(2)碎石注浆桩桩帽施工完成后,桩间土压实平整,压实系数满足法律规范要求;(3)褥垫层分段施工时应做成台阶,上下接头应错开 2m,并应碾压密实。(4...

1、当您付费下载文档后,您只拥有了使用权限,并不意味着购买了版权,文档只能用于自身使用,不得用于其他商业用途(如 [转卖]进行直接盈利或[编辑后售卖]进行间接盈利)。
2、本站所有内容均由合作方或网友上传,本站不对文档的完整性、权威性及其观点立场正确性做任何保证或承诺!文档内容仅供研究参考,付费前请自行鉴别。
3、如文档内容存在违规,或者侵犯商业秘密、侵犯著作权等,请点击“违规举报”。

碎片内容

褥垫层施工技术交底

您可能关注的文档

确认删除?
VIP
微信客服
  • 扫码咨询
会员Q群
  • 会员专属群点击这里加入QQ群
客服邮箱
回到顶部