电脑桌面
添加小米粒文库到电脑桌面
安装后可以在桌面快捷访问

附录一 泄水建筑物水力设计计算公式

附录一  泄水建筑物水力设计计算公式_第1页
1/6
附录一  泄水建筑物水力设计计算公式_第2页
2/6
附录一  泄水建筑物水力设计计算公式_第3页
3/6
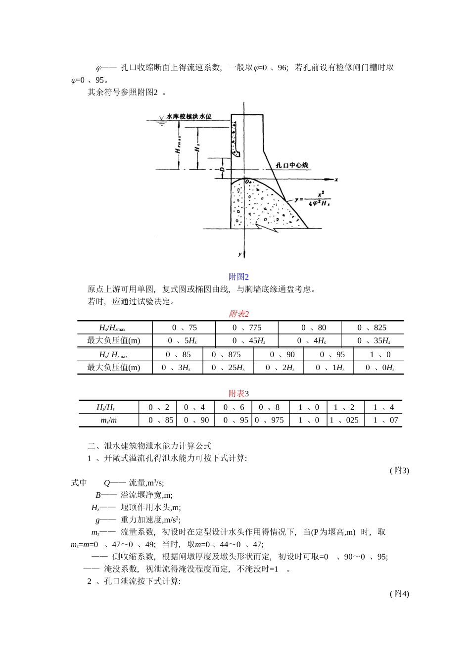
附录一 泄水建筑物水力设计计算公式 一、堰面曲线 1 、开敞式溢流孔得堰面曲线。采纳幂曲线时按下式与附表1 计算。 ( 附1)式中 Hs为定型设计水头, 按堰顶最大作用水头Hzmax得75% ~95% 计算(m), 其它符号见附图1, 数值见附表1 。 附表1上游坝面坡度kn垂直(3∶0)2 、0001 、8503∶11 、9361 、836 原点上游宜用椭圆曲线, 其方程式为式中 aHs 与bHs 分别为椭圆曲线得长轴与短轴。 若上游面垂直, 其长轴aHs 与短轴bHs 可按以下关系选定:附图1 采纳倒悬堰顶时( 如附图1),应满足。 定型设计水头选择及堰顶可能出现得最大负压值参照附表2 。 定型设计水头Hs情况下得流量系数m 与其她作用水头Hz情况下得流量系数mz得比值参照附表3 。 2 、设有胸墙得堰面曲线。当校核情况下最大作用水头Hzmax ( 孔口中心线上) 与孔口高(D) 得比值时; 或闸门全开时仍属孔口泄流, 即可按下式计算: ( 附2)式中 Hs——定型设计水头, 一般取孔口中心线至水库校核洪水位得水头得75% ~95%; j—— 孔口收缩断面上得流速系数, 一般取j=0 、96; 若孔前设有检修闸门槽时取j=0 、95。 其余符号参照附图2 。附图2 原点上游可用单圆, 复式圆或椭圆曲线, 与胸墙底缘通盘考虑。 若时, 应通过试验决定。附表2Hs/Hzmax0 、750 、7750 、800 、825最大负压值(m)0 、5Hs0 、45Hs0 、4Hs0 、35HsHs/ Hzmax0 、850 、8750 、900 、951 、0最大负压值(m)0 、3Hs0 、25Hs0 、2Hs0 、1Hs0 、0Hs 附表3Hz/Hs0 、20 、40 、60 、81 、01 、21 、4mz/m0 、850 、900 、95 0 、9751 、01 、0251 、07 二、泄水建筑物泄水能力计算公式 1 、开敞式溢流孔得泄水能力可按下式计算: ( 附3)式中 Q—— 流量,m3/s; B—— 溢流堰净宽,m; Hz—— 堰顶作用水头,m; g—— 重力加速度,m/s2; mz—— 流量系数, 初设时在定型设计水头作用得情况下, 当(P为堰高,m) 时, 取mz=m=0 、47~0 、49; 当时, 取m=0 、44~0 、47; —— 侧收缩系数, 根据闸墩厚度及墩头形状而定, 初设时可取=0、90~0 、95; —— 淹没系数, 视泄流得淹没程度而定, 不淹没时=1。 2 、孔口泄流按下式计算: ( 附4)式中 Ak——出口处得面积,m2; Hz——自由泄流时为孔口中心处得作用水头,m; 淹没泄流时为上下游水位差; m—— 孔口或管道得流量系数, 初设时对设有胸墙得堰顶高孔, 当(D为孔口高,m) 时...

1、当您付费下载文档后,您只拥有了使用权限,并不意味着购买了版权,文档只能用于自身使用,不得用于其他商业用途(如 [转卖]进行直接盈利或[编辑后售卖]进行间接盈利)。
2、本站所有内容均由合作方或网友上传,本站不对文档的完整性、权威性及其观点立场正确性做任何保证或承诺!文档内容仅供研究参考,付费前请自行鉴别。
3、如文档内容存在违规,或者侵犯商业秘密、侵犯著作权等,请点击“违规举报”。

碎片内容

附录一 泄水建筑物水力设计计算公式

确认删除?
VIP
微信客服
  • 扫码咨询
会员Q群
  • 会员专属群点击这里加入QQ群
客服邮箱
回到顶部