电脑桌面
添加小米粒文库到电脑桌面
安装后可以在桌面快捷访问

110kV-750kV架空输电线路施工质量检验及评定规程

110kV-750kV架空输电线路施工质量检验及评定规程_第1页
1/50
110kV-750kV架空输电线路施工质量检验及评定规程_第2页
2/50
110kV-750kV架空输电线路施工质量检验及评定规程_第3页
3/50
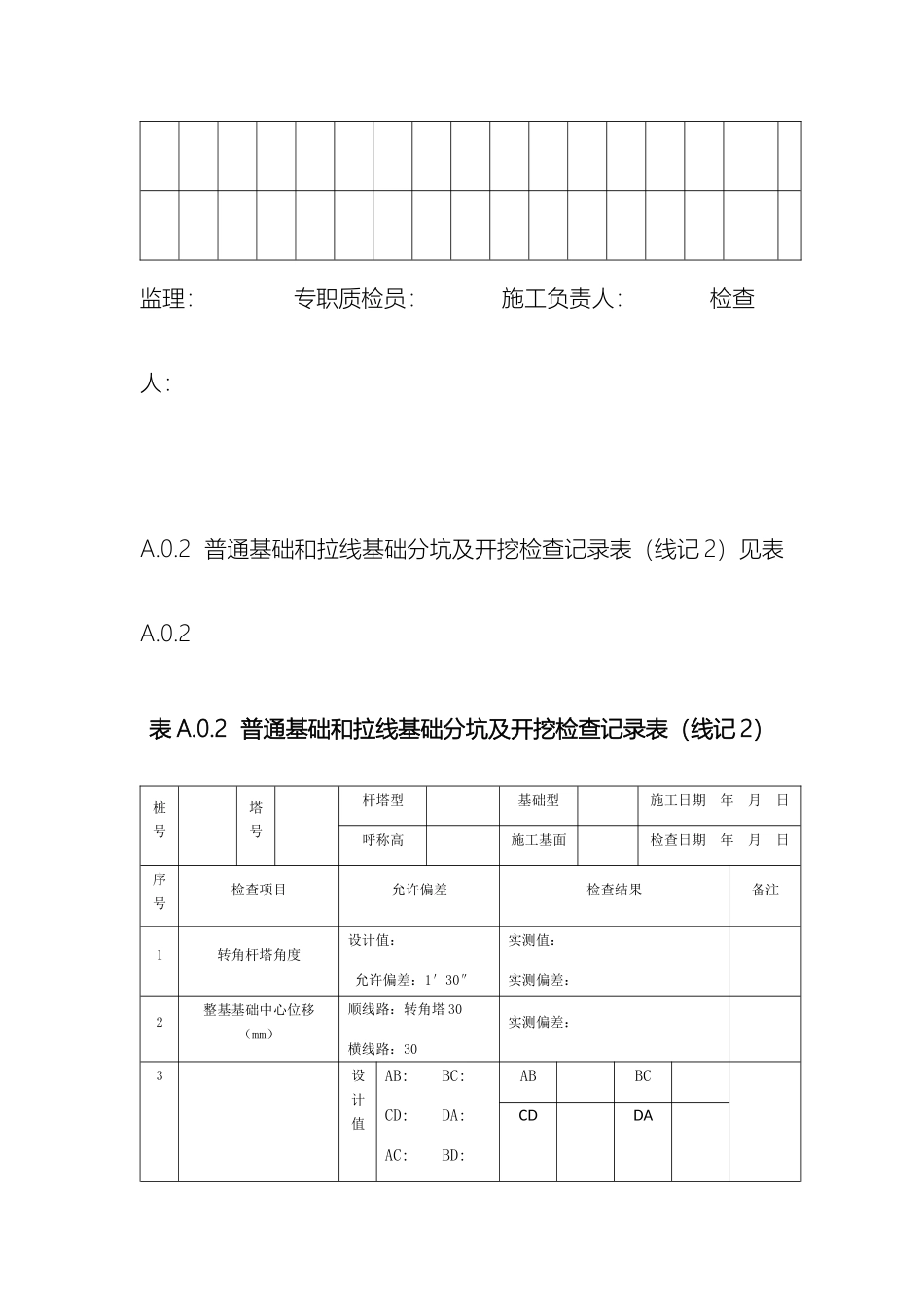
110kV-750kV 架空输电线路施工质量检验及评定规程附录 A 线路施工质量检查记录表A.0.1 路径复测记录表(线记 1)见表 A.0.1表A.0.1 路径复测记录表(线记 1)桩号塔号杆塔型式档距(m)线路转角塔位高程(m)桩位移(m)被跨越物(或地形凸起点)备注设计值实测值偏差值与临近杆塔最近水平距离桩号距离(m)监理: 专职质检员: 施工负责人: 检查人:A.0.2 普通基础和拉线基础分坑及开挖检查记录表(线记 2)见表A.0.2表 A.0.2 普通基础和拉线基础分坑及开挖检查记录表(线记 2)桩号塔号杆塔型基础型施工日期 年 月 日呼称高施工基面检查日期 年 月 日序号检查项目允许偏差检查结果备注1转角杆塔角度设计值: 允许偏差:1′30″实测值:实测偏差:2整基基础中心位移(mm)顺线路:转角塔 30横线路:30实测偏差:3设计值AB: BC:CD: DA:AC: BD:ABBCCDDA±0.2%ACBD4基坑深度设计值ABCD普通基础:+100,-50拉线基础:+100,05拉线基础坑底尺寸(mm)设计值:6拉线基础坑位置(mm)设计值: ±1%LbABCD7拉线基础坑深(mm)设计值: +100,08拉线坑马道坡度及方向符合设计要求 注:a 不等高基础以两个半根开和两个半对角表示。 b L 为拉线基础坑中心至拉线挂点水平距离。 监理: 专职检查员: 施工负责人: 检查人:A.0.3 岩石、掏挖基础分坑及开挖检查记录表(线记 3)见表A.0.3A.0.3 岩石、掏挖基础分坑及开挖检查记录表(线记 3)桩号塔号杆塔型基础型施工日期 年 月 日呼称高施工基面检查日期 年 月 日序号检查项目允许偏差检查结果备注1转角杆塔角度设计值: 允许偏差:1′30″实测值:实测偏差:2整基基础中心位移(mm)顺线路:转角塔 30横线路:30实测偏差:3基坑根开及对角线尺寸 a(mm)设计值AB: BC:CD: DA:AC: BD:ABBCCDDA±0.2%ACBD4基坑坑深(mm)设计值: +100,0ABCD5基础坑底断面尺寸设计值: 不得有负误差6基础坑口断面尺寸设计值: 不得有负误差 注:a 不等高基础以两个半根开和两个半对角线表式。监理: 专职质检员: 施工负责人: 检查人:A.0.4 施工基面及电气开放检查记录表(线记 4)见表 A.0.4。A.0.4 施工基面及电气开放检查记录表(线记 4)施工桩号档距(m)项目距最近杆塔距离(m)测量对地距离(m)测量时温度(℃)换算至最大弧垂时对地距离(m)设计标准(允许净距)(m)备注运行塔号号~ 号号~ 号号~ 号号~ 号号~ 号号~ 号号~...

1、当您付费下载文档后,您只拥有了使用权限,并不意味着购买了版权,文档只能用于自身使用,不得用于其他商业用途(如 [转卖]进行直接盈利或[编辑后售卖]进行间接盈利)。
2、本站所有内容均由合作方或网友上传,本站不对文档的完整性、权威性及其观点立场正确性做任何保证或承诺!文档内容仅供研究参考,付费前请自行鉴别。
3、如文档内容存在违规,或者侵犯商业秘密、侵犯著作权等,请点击“违规举报”。

碎片内容

110kV-750kV架空输电线路施工质量检验及评定规程

您可能关注的文档

确认删除?
VIP
微信客服
  • 扫码咨询
会员Q群
  • 会员专属群点击这里加入QQ群
客服邮箱
回到顶部