电脑桌面
添加小米粒文库到电脑桌面
安装后可以在桌面快捷访问

110kv变电站电气设计VIP专享

110kv变电站电气设计_第1页
1/27
110kv变电站电气设计_第2页
2/27
110kv变电站电气设计_第3页
3/27
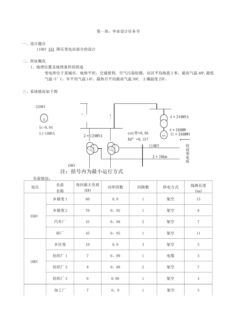
第一章:毕业设计任务书一、设计题目110KV XXX 降压变电站部分的设计二、所址概况1、地理位置及地理条件的简述变电所位于某城市,地势平坦,交通便利,空气污染轻微,站区平均海拔 2 米,最高气温 40P,最低气温-5°C,年平均气温 14P,最热月平均最高气温 30P, 土壤温度 25P。三、系统情况如下图注:括号内为最小运行方式负荷情况:电压负荷名称每回最大负荷(KW)功率因数回路数供电方式线路长度(km)35KV乡镇变 1600.91架空15乡镇变 2700。921架空8汽车厂430。882架空7砖厂450。851架空1110KV乡区变100.93架空5纺织厂 170。891电缆3纺织厂 280。882架空7纺织厂 360.881架空4加工厂70。91架空5220KVXc=0.04Sj=10MVA10KV待设变电所材料厂80.92架空2五、设计任务1、负荷分析及主变压器的选择。2、电气主接线的设计。3、变压器的运行方式以及中性点的接地方式。4、无功补偿装置的形式及容量确定。5、短路电流计算(包括三相、两相、单相短路)6、各级电压配电装置设计。7、各种电气设备选择。8、继电保护规划。9、主变压器的继电保护整定计算。六、设计目的总体目标:培育学生综合运用所学各科知识,独立分析各解决实际工程问题的能力。七、设计成果1、设计说明书:说明设计思想,方案比较及最终结果,并附有必要的图表。2、设计计算书:设计参数选取的依据、计算公式、计算过程、计算结果、结论。3、图纸:(共七张)(1) 所有设计图均采纳 2 或 3 号图;可用 CAD 出图;(2) 电气主结线图部分 3 张,其中主接线图一张、变电所平面布置图一张、立面图一张;(3) 二次部分要求:选作发电机保护的必须有一张保户配置图和一张主保护原理图;选作变压器保护的必须有一张保户配置图和一张主保护原理图;选作输电线路保护的必须有一张保户配置图和一张主保护原理图;(4) 自动化设计部分要求:选做自动重合闸装置的必须有一张重合闸工作原理图;选做自动准同期装置的必须有一张重合闸工作原理图;选做备用电源自动投入装置的必须有一张重合闸工作原理图;(5) 发电厂变电所防雷设计要求一张防雷平面布置图和一张立面图。八、参考文献列出 10 篇以上(格式如下)1《电气工程电气设备手册》上册 下册电力工业部西北电力设计院编2《继电保护和自动装置》王秀英编3《电力系统继电保护》沈阳电专 李骏年编4《发电厂电气设备》郑州电力高等专科学校于长顺编第二章:负荷分析一、负荷分类及定义1、一级负荷:中断供电将造成人身伤亡或重大设计损坏...

1、当您付费下载文档后,您只拥有了使用权限,并不意味着购买了版权,文档只能用于自身使用,不得用于其他商业用途(如 [转卖]进行直接盈利或[编辑后售卖]进行间接盈利)。
2、本站所有内容均由合作方或网友上传,本站不对文档的完整性、权威性及其观点立场正确性做任何保证或承诺!文档内容仅供研究参考,付费前请自行鉴别。
3、如文档内容存在违规,或者侵犯商业秘密、侵犯著作权等,请点击“违规举报”。

碎片内容

110kv变电站电气设计

确认删除?
VIP
微信客服
  • 扫码咨询
会员Q群
  • 会员专属群点击这里加入QQ群
客服邮箱
回到顶部