电脑桌面
添加小米粒文库到电脑桌面
安装后可以在桌面快捷访问

30m预应力箱梁张拉应力计算伸长量

30m预应力箱梁张拉应力计算伸长量_第1页
1/9
30m预应力箱梁张拉应力计算伸长量_第2页
2/9
30m预应力箱梁张拉应力计算伸长量_第3页
3/9
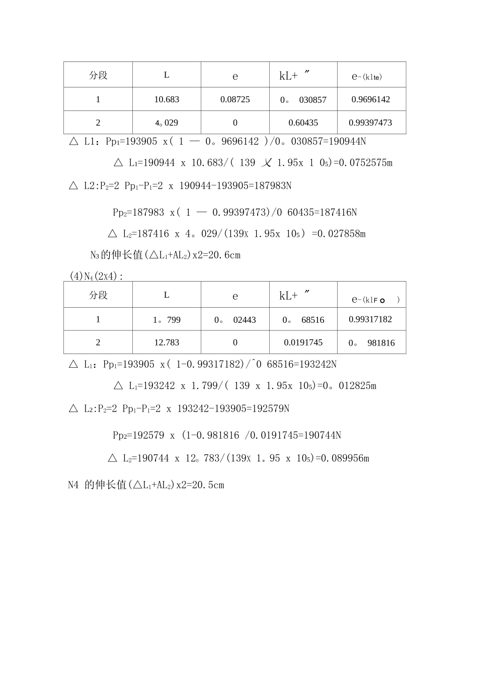
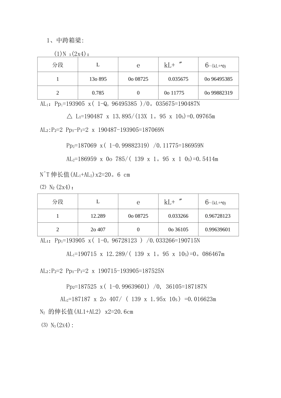
30m 预应力箱梁张拉应力、伸长量计算一、预应力钢绞线张拉力计算:根据图纸设计预应力钢绞线锚下控制应力:6K=0O 75Ryb=0。75 x 1860=1395Mpa根据公式 P=6Kx AP xn AP=139mm 2(1) 正弯矩四股、五股钢绞线张拉力:P4=1395 x 139 x 4=775。6KNP5=1395 x 139 x 5=969。5KN(2) 负弯矩单根张拉力P1=1395 x139=193O 9KN二、预应力钢绞线的理论伸长值计算:伸长量△[= PpLPp= P(1-e ( kL+ 糜 ) ) ApEpkL+ ^。根据图纸设计及钢绞线的技术指标,取值如下:Ap=139mm 2 Ep=1。95 x 105Mpa 6K=1395Mpa 查《桥规》附表 C1 得k、^值,k=0.15^=0.17张拉端张拉力 P1=6K xAp=1395 x 139=193905N1、中跨箱梁:(1)N 1(2x4):分段LekL+ "6-(kL+^0)113o 8950o 087250.0356750o 9649538520.78500o 117750o 99882319AL1:Ppi=193905 x( 1-Qo 96495385 )/0。035675=190487N△ L1=190487 x 13.895/(13X 1。95 x 105)=0.09765mAL2:P2=2 Pp1-P1=2 x 190487-193905=187069NPp2=187069 x( 1-0.99882319) /0.11775=186959NAL2=186959 x 0o 785/( 139 x 1。95 x 1 05)=0.5414mN^T 伸长值(AL1+AL2)x2=20。6 cm⑵ N2 (2x4):分段LekL+ "6-(kL+^0)112.2890o 087250.0332660.9672812322o 40700o 361050.99639601AL1:Pp1=193905 x( 1-0o 96728123 ) /0.033266=190715NAL1=190715 x 12.289/( 139 x 1。95 x 105)=0。086467mAL2:P2=2 Pp1-P1=2 x 190715-193905=187525NPp2=187525 x( 1-0.99639601) /0, 36105=187187NAL2=187187 x 2o 407/ ( 139 x 1.95x 105 ) =0.016623mN2 的伸长值(AL1+AL2) x2=20.6cm⑶ N3(2X4):分段LekL+ "e-(klte)110.6830.087250。 0308570.969614224O 02900.604350.99397473△ L1:Pp1=193905 x( 1 — 0。9696142 )/0。030857=190944N△ L1=190944 x 10.683/( 139 乂 1.95x 1 05)=0.0752575m△ L2:P2=2 Pp1-P1=2 x 190944-193905=187983NPp2=187983 x( 1 — 0.99397473)/0 60435=187416N△ L2=187416 x 4。029/(139X 1.95x 105 ) =0.027858mN3的伸长值(△L1+AL2)x2=20.6cm(4)N4(2X4):分段LekL+ "e-(klF。)11。7990。 024430。 685160.99317182212.78300.01917450。 981816△ L1:Pp1=193905 x( 1-0.99317182)/^0 68516=193242N△ L1=193242 x 1.799/( 139 x 1.95x 105)=0。012825m△ L2:P2...

1、当您付费下载文档后,您只拥有了使用权限,并不意味着购买了版权,文档只能用于自身使用,不得用于其他商业用途(如 [转卖]进行直接盈利或[编辑后售卖]进行间接盈利)。
2、本站所有内容均由合作方或网友上传,本站不对文档的完整性、权威性及其观点立场正确性做任何保证或承诺!文档内容仅供研究参考,付费前请自行鉴别。
3、如文档内容存在违规,或者侵犯商业秘密、侵犯著作权等,请点击“违规举报”。

碎片内容

30m预应力箱梁张拉应力计算伸长量

文森传品+ 关注
实名认证
内容提供者

一家传播文化教育的小店,资料丰富,随意挑选。

相关文档

确认删除?
VIP
微信客服
  • 扫码咨询
会员Q群
  • 会员专属群点击这里加入QQ群
客服邮箱
回到顶部