电脑桌面
添加小米粒文库到电脑桌面
安装后可以在桌面快捷访问

6运行质量分析模板

6运行质量分析模板_第1页
1/9
6运行质量分析模板_第2页
2/9
6运行质量分析模板_第3页
3/9
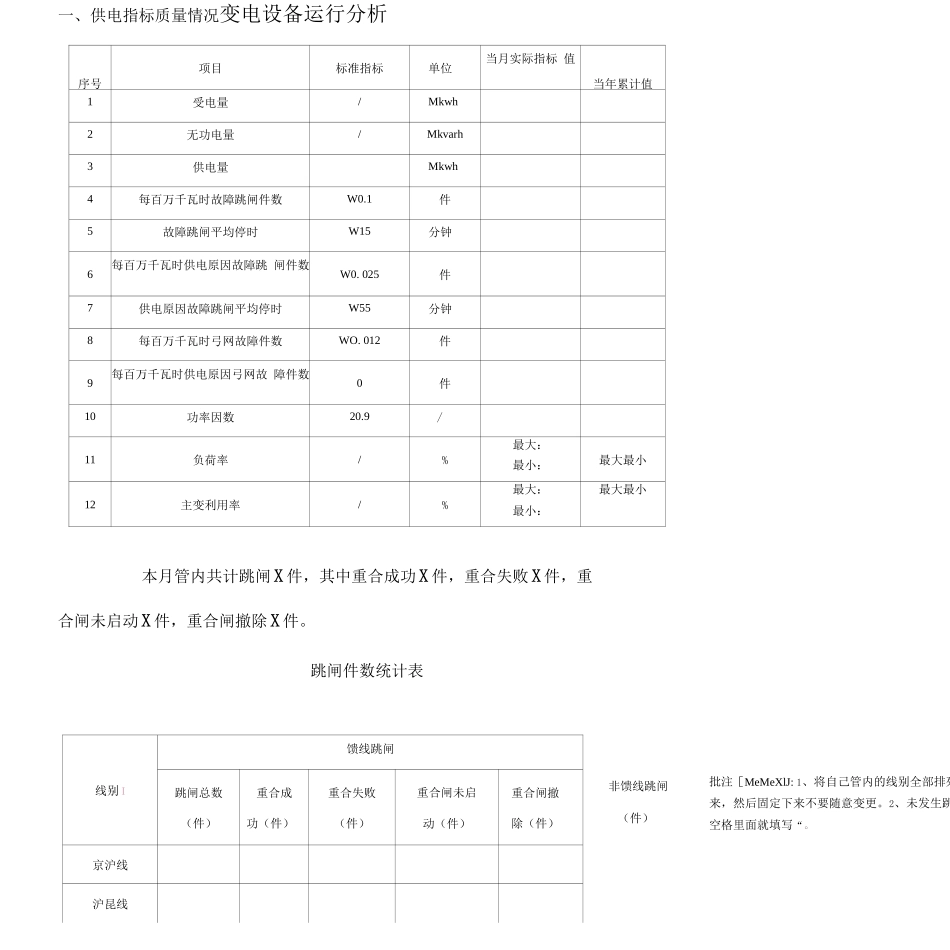
XX 维管段 X 月份牵引变电设备运行检修分析编制人,X X 电话:XXXXXXXX审核人,X X 电话:XXXXXXXX严禁流于形式月月重复。XXXX 年 XX 月 XX 日一、供电指标质量情况变电设备运行分析序号项目标准指标单位当月实际指标 值当年累计值1受电量/Mkwh2无功电量/Mkvarh3供电量Mkwh4每百万千瓦时故障跳闸件数W0.1件5故障跳闸平均停时W15分钟6每百万千瓦时供电原因故障跳 闸件数W0. 025件7供电原因故障跳闸平均停时W55分钟8每百万千瓦时弓网故障件数WO. 012件9每百万千瓦时供电原因弓网故 障件数0件10功率因数20.9/11负荷率/%最大:最小:最大最小12主变利用率/%最大:最小:最大最小本月管内共计跳闸 X 件,其中重合成功 X 件,重合失败 X 件,重合闸未启动 X 件,重合闸撤除 X 件。跳闸件数统计表线别 I馈线跳闸跳闸总数(件)重合成功(件)重合失败(件)重合闸未启动(件)重合闸撤除(件)京沪线沪昆线批注[MeMeXlJ: 1、将自己管内的线别全部排列出 来,然后固定下来不要随意变更。2、未发生跳闸, 空格里面就填写“。非馈线跳闸(件)跳闸原因当月跳闸次数统计占当月百分率年度跳闸累计占当年百分率供电原因机车原因外部原因原因不明过负荷原因2 合计~、跳闸统计情况及原〔因分类:2.1 供电原因徐州段 X 件;南京段 X 件;合肥段 X 件;杭州段 X 件。填写说明:各段根据对应项目填写件数。.(1)7 月 21 日 4 时 23 分 5 秒 28 毫秒,XX 变电所 212DL 跳闸,距离 II 段加速动作,重合闸撤除。故障电压 22247. 5V,故障电流 1892. 4A,电 阻 2.915 Q,电抗 4.233 Q,角度 55.45° 。填写说明:请严格根据格式填写,故标指示在此不予填写,使用公式粘贴后需 检查。时间(X 月 X 日 X 时 X 分 X 秒 X 毫秒)、所名、XX 断路器跳闸、保护动作、重合情况、故障数值。跳闸原因:XX 分区所 01#所用变烧毁导致跳闸。2.2 机车原因徐州段 X 件;南京段 X 件;合肥段 X 件;杭州段 X 件。2. 3 外部原因徐州段 X 件;南京段 X 件;合肥段 X 件;杭州段 X 件。2.4 原因不明徐州段 X 件;南京段 X 件;合肥段 X 件;杭州段 X 件。2. 5 过负荷徐州段 X 件;南京段 X 件;合肥段 X 件;杭州段 X 件。三、本月变电设备故障情况、原因分析和措施本月共发生变电设备故障 X 件,全年累计发生变电设备故障 X 件。故障情况:X 原因分析:X整改措...

1、当您付费下载文档后,您只拥有了使用权限,并不意味着购买了版权,文档只能用于自身使用,不得用于其他商业用途(如 [转卖]进行直接盈利或[编辑后售卖]进行间接盈利)。
2、本站所有内容均由合作方或网友上传,本站不对文档的完整性、权威性及其观点立场正确性做任何保证或承诺!文档内容仅供研究参考,付费前请自行鉴别。
3、如文档内容存在违规,或者侵犯商业秘密、侵犯著作权等,请点击“违规举报”。

碎片内容

6运行质量分析模板

您可能关注的文档

文旅传媒+ 关注
实名认证
内容提供者

传播文化,成就未来

确认删除?
VIP
微信客服
  • 扫码咨询
会员Q群
  • 会员专属群点击这里加入QQ群
客服邮箱
回到顶部