电脑桌面
添加小米粒文库到电脑桌面
安装后可以在桌面快捷访问

CNG汽车加气站工艺管道施工方案2

CNG汽车加气站工艺管道施工方案2_第1页
1/17
CNG汽车加气站工艺管道施工方案2_第2页
2/17
CNG汽车加气站工艺管道施工方案2_第3页
3/17
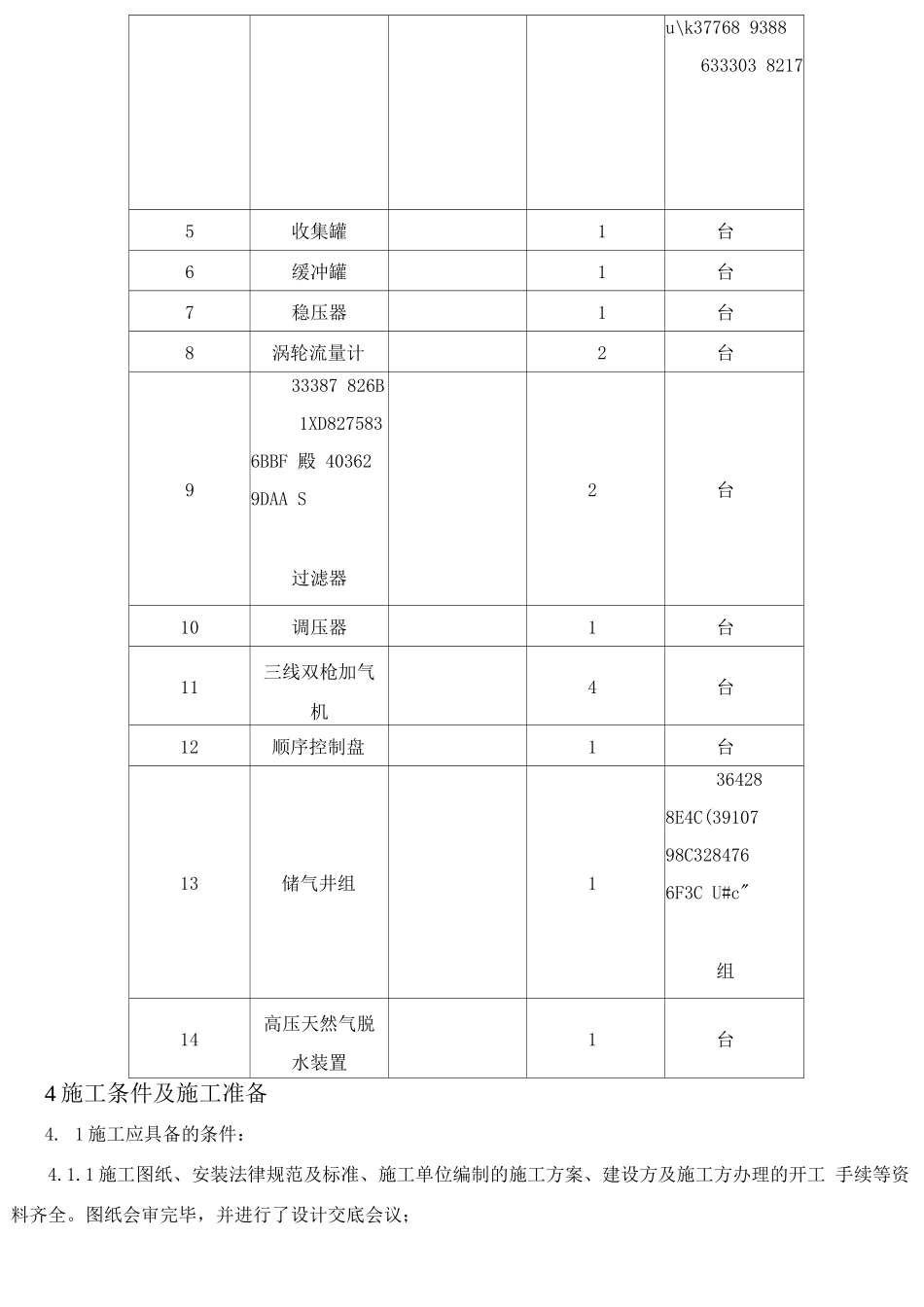
XXXXXXXXXCNG 汽车加气站工程工艺管道施工方案编制:审核:批准:XXXXXXXXX 有限公司年 月 日目 录1 编制说明 22 编制依据 23 工艺设备 / 工艺管道工程量一览表 14 施工条件及施工准备 35 材料的验收及检验 46 管道预制 47 焊接(详见管道焊接作业指导书) 58 管道安装 59 管道吹扫、试压 710 防腐 911 交工技术资料 912 工程质量保证措施 1229815 7477 瑷 39554 9A82 骂 27414 6B1620885 5195 冕 37237 9175 酵八 32772 84 耄1 编制说明1.1 在我项目部即将开工建设的 XXXXXXXXXCNG 汽车加气站工程中,为保证整个工程中工艺管 道施工进度根据初定计划实施,并且保证施工质量满足国家法律规范要求,特制定本方案,作为施工过 程中的指导之用。2 编制依据2.1《工业金属管道施工及验收法律规范》GB50235-972.2《现场设备、工业管道焊接工程施工及验收法律规范》GB50236-982.3《城镇燃气输配工程施工及验收法律规范》CJJ33-892.4《工业设备及管道绝热工程及验收法律规范》GBJ126-892.5《压力容器无损检测》JB4730-942.6《建筑设计防火法律规范》GBJ16-87 (21 年版)2.7《城镇燃气设计法律规范》GBJ528-93 (22 年版)2.8 河北华新燃气工程技术开发有限公司提供的设计图纸。(HX29139)2.9 与甲方(湘潭新奥燃气公司)签定的工程合同及我公司类似工程施工经验。3 工艺设备/工艺管道工程量一览表序号名称材质数量单位328568058 聘Y4z jz22587583B压缩机2台2不锈钢管0Cr18Ni9397.5米3无缝钢管20280米4不锈钢管31625G4859C95 鲕u\k37768 9388633303 82175收集罐1台6缓冲罐1台7稳压器1台8涡轮流量计2台933387 826B1XD8275836BBF 殿 403629DAA S过滤器2台10调压器1台11三线双枪加气 机4台12顺序控制盘1台13储气井组1364288E4C(3910798C3284766F3C U#c"组14高压天然气脱 水装置1台4 施工条件及施工准备4. 1 施工应具备的条件:4.1.1 施工图纸、安装法律规范及标准、施工单位编制的施工方案、建设方及施工方办理的开工 手续等资料齐全。图纸会审完毕,并进行了设计交底会议;4.1. 2 采购到货的材料满足设计和施工要求,施工所需的机具、工具、仪器及消耗材料等配 备齐全;4. 1. 3 参加施工的人员都必须经过培训。由于我工程主要从事燃气管道的焊接,焊工必须持 有技术监督部门颁发的“锅炉压力容器焊工合格证”,焊工合格证上必须有施焊范围的有效合格项 次,并经公司...

1、当您付费下载文档后,您只拥有了使用权限,并不意味着购买了版权,文档只能用于自身使用,不得用于其他商业用途(如 [转卖]进行直接盈利或[编辑后售卖]进行间接盈利)。
2、本站所有内容均由合作方或网友上传,本站不对文档的完整性、权威性及其观点立场正确性做任何保证或承诺!文档内容仅供研究参考,付费前请自行鉴别。
3、如文档内容存在违规,或者侵犯商业秘密、侵犯著作权等,请点击“违规举报”。

碎片内容

CNG汽车加气站工艺管道施工方案2

您可能关注的文档

确认删除?
VIP
微信客服
  • 扫码咨询
会员Q群
  • 会员专属群点击这里加入QQ群
客服邮箱
回到顶部