电脑桌面
添加小米粒文库到电脑桌面
安装后可以在桌面快捷访问

主变保护二次调试报告

主变保护二次调试报告_第1页
1/30
主变保护二次调试报告_第2页
2/30
主变保护二次调试报告_第3页
3/30
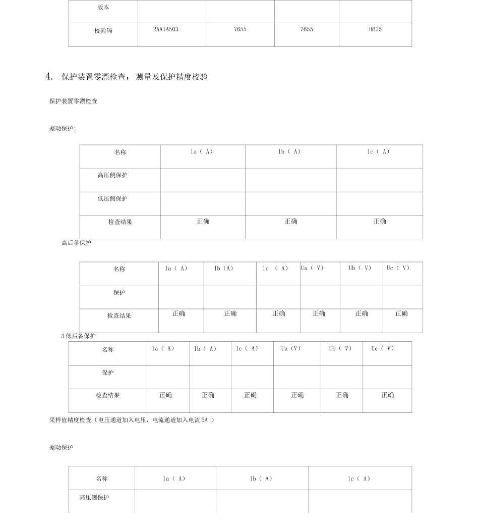
#H主变保护试验1、绝缘检查 (备注:使用 10V 摇表)检查范围检查记录定期检查时1 在保护屏柜的端子排处将所有电流、电压、直流控制回路的端子的外部接线拆开,并将电压、电流回路的接地点拆开,用 10V 兆欧表测量回路对地的绝缘电阻,其绝缘电阻应大于 1MQo良好2 对使用触点输出的信号回路,用 10V 兆欧表测量电缆每芯对地的绝缘电阻,其绝缘电阻应不小于 1MQo良好试验仪器:摇表2 保护装置及端子箱的外部检查二次回路检验项目内容检查范围检查记录在被保护设备的断路器、电流互感器以及电压回路与其他运行设备的回路完全断开后方可进行。1.电流互感器二次回路检查检查电流互感器二次绕组所有二次接线端子排引线螺钉压接的可靠性。差动保护电流良好高后备保护电流低后备保护电流测量、计量电流检查电流二次回路的接地点与接地状况,电流互感器的二次回路必须分别且只能有一点接地。差动保护电流并接 N 端的接地线良好后备保护电流并接 N 端的接地线低后备保护电流并接 N 端的接地线测量、计量电流并接 N 端的接地线2.电压互感器二次回路检查检查线路电压互感器所有二次回路接线端子排引线螺钉压接的可靠性。A630 I、B630 I、C630I、N6A630II、B630II、C630II、良好装置外部检查检查范围检查记录定期检验的主要检查项目1.检查装置内、外部是否清洁无积尘;清扫电路板及屏柜内端子排上的灰尘。良好2.检查装置的小开关、拨轮及按钮是否良好;显示屏是否清楚,文字清楚。良好3.检查各插件印刷电路板是否有损伤或变形,连线是否连接好。良好4.检查各插件上元件是否焊接良好,芯片是否插紧。良好5.检查各插件上变换器、继电器是否固定好,有无松动。良好6.检查装置横端子排螺丝是否拧紧,后板配线连接是否良好。良好7.根据装置技术说明书描述的方法,根据实际需要,检查、设定并记录装置插件内的选择跳线和拨动开关的位置。良好保护装置的上电检验检查范围检查记录定期检验的主要检查项目1.打开装置电源,装置应能正常工作。良好2.根据装置技术说明书描述的方法,检查记录装置的硬件和软件版本号、校验码等信息。良好3.校对时钟。良好3.保护装置型号、CRC 校验码保护装置型号、CRC 校验码确认非电量保护高后备保护低后备保护差动保护装置型号UDT-531DWBH196EWBH196EWBC196E版本校验码2AA1A50376557655B6254. 保护装置零漂检查,测量及保护精度校验保护装置零漂检查差动保护:名称la( A)lb( A)lc( A)Ua(V)Ub( V)Uc...

1、当您付费下载文档后,您只拥有了使用权限,并不意味着购买了版权,文档只能用于自身使用,不得用于其他商业用途(如 [转卖]进行直接盈利或[编辑后售卖]进行间接盈利)。
2、本站所有内容均由合作方或网友上传,本站不对文档的完整性、权威性及其观点立场正确性做任何保证或承诺!文档内容仅供研究参考,付费前请自行鉴别。
3、如文档内容存在违规,或者侵犯商业秘密、侵犯著作权等,请点击“违规举报”。

碎片内容

主变保护二次调试报告

MY shop+ 关注
实名认证
内容提供者

欢迎挑选适合自己的材料。

相关文档

确认删除?
VIP
微信客服
  • 扫码咨询
会员Q群
  • 会员专属群点击这里加入QQ群
客服邮箱
回到顶部