电脑桌面
添加小米粒文库到电脑桌面
安装后可以在桌面快捷访问

产品质量缺陷标准

产品质量缺陷标准_第1页
1/8
产品质量缺陷标准_第2页
2/8
产品质量缺陷标准_第3页
3/8
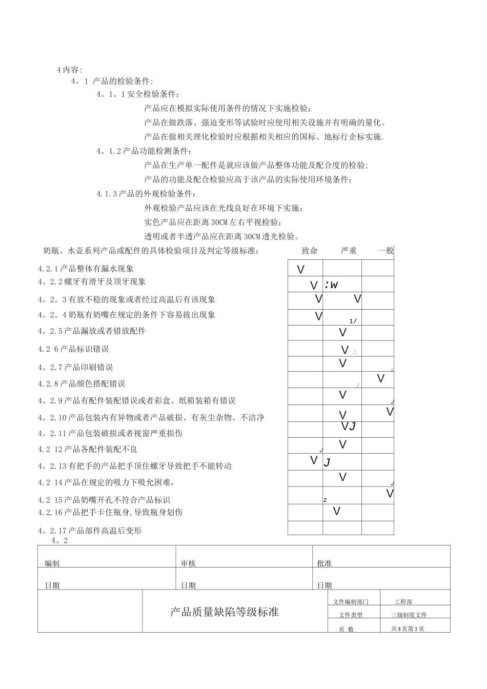
一、目的:对来料检查、制程检查、出货检查等等在质量检查时要依据公司《AQL 抽样表》(见附件一)执行抽样检查,同时给出明确的有效的质量检查缺陷判定等级标准;使质量判定标准在统一的水准下使用,提升公司及品牌品质形象,为此特制定本文件.、适用范围:凡本公司质量管控的各环节,在进行质量检查时,遇到产品缺陷判定时均可使用.三、定义:缺陷:未满足与预期或规定用途有关的要求;即为不良,是产品质量不良等级的严重性的划分点,是产品质量没有达到标准程度的描述;质量缺陷分为四个等级:致命缺陷、严重缺陷、一般缺陷、轻微缺陷;公司在生产时严格控制,必须使“致命缺陷"零发生,为了加严管理,提高品管级别,引起重视,公司产品缺陷分三级来管理,把“严重缺陷”合并为“致命缺陷”来管理,即“致命缺陷”和“严重缺陷”都为“致命缺陷”;“一般缺陷”称为“严重缺陷“来管理;"轻微缺陷"还称为“轻微缺陷”来管理。致命缺陷:影响安全的所有缺陷;影响产品失去应有功能故障、造成部分功能缺失的或可能影响到产品的部分功能但可以正常使用到其他产品;造成产品后工序不能装配的或产品影响装配的或装配需要另行处理的;产品颜色出错或产品颜色有较大偏差的;导致产品装配不良或不能根据正常程序装配的。一般缺陷:产品有涉及到外观的气泡、色粉点、黑点的;可能影响到装配,但通过简单后续工艺就能够得到解决的;产品轻微变形但不影响安全、功能、使用和外观的;产品有轻微色差的.轻微缺陷:产品有不会涉及到产品整体外观的气泡、黑点等外观缺陷;产品有一般缺陷但被其他配件遮盖且不影响安全、功能、使用及配合的.编制审核批准日期日期日期产品质量缺陷等级标准文件编制部门工程部文件类型三级制度文件3。1产品质量缺陷等级标准3。文件编制部门工程部文件类型三级制度文件页 数共 8 页第 1 页3。3。4 内容:4。1。1 安全检验条件:产品应在模拟实际使用条件的情况下实施检验;产品在做跌落、强迫变形等试验时应使用相关设施并有明确的量化。产品在做相关理化检验时应根据相关相应的国标、地标行企标实施.4。1.2 产品功能检测条件:产品在生产单一配件是就应该做产品整体功能及配合度的检验;产品的功能及配合检验应高于该产品的实际使用环境条件;4.1.3 产品的外观检验条件:外观检验产品应该在光线良好在环境下实施;实色产品应在距离 30CM 左右平视检验;透明或者半透产品应在距离 30CM 透光检验。奶瓶、水壶系列产品或配...

1、当您付费下载文档后,您只拥有了使用权限,并不意味着购买了版权,文档只能用于自身使用,不得用于其他商业用途(如 [转卖]进行直接盈利或[编辑后售卖]进行间接盈利)。
2、本站所有内容均由合作方或网友上传,本站不对文档的完整性、权威性及其观点立场正确性做任何保证或承诺!文档内容仅供研究参考,付费前请自行鉴别。
3、如文档内容存在违规,或者侵犯商业秘密、侵犯著作权等,请点击“违规举报”。

碎片内容

产品质量缺陷标准

确认删除?
VIP
微信客服
  • 扫码咨询
会员Q群
  • 会员专属群点击这里加入QQ群
客服邮箱
回到顶部