电脑桌面
添加小米粒文库到电脑桌面
安装后可以在桌面快捷访问

人工挖孔桩专项施工方案

人工挖孔桩专项施工方案 _第1页
1/23
人工挖孔桩专项施工方案 _第2页
2/23
人工挖孔桩专项施工方案 _第3页
3/23
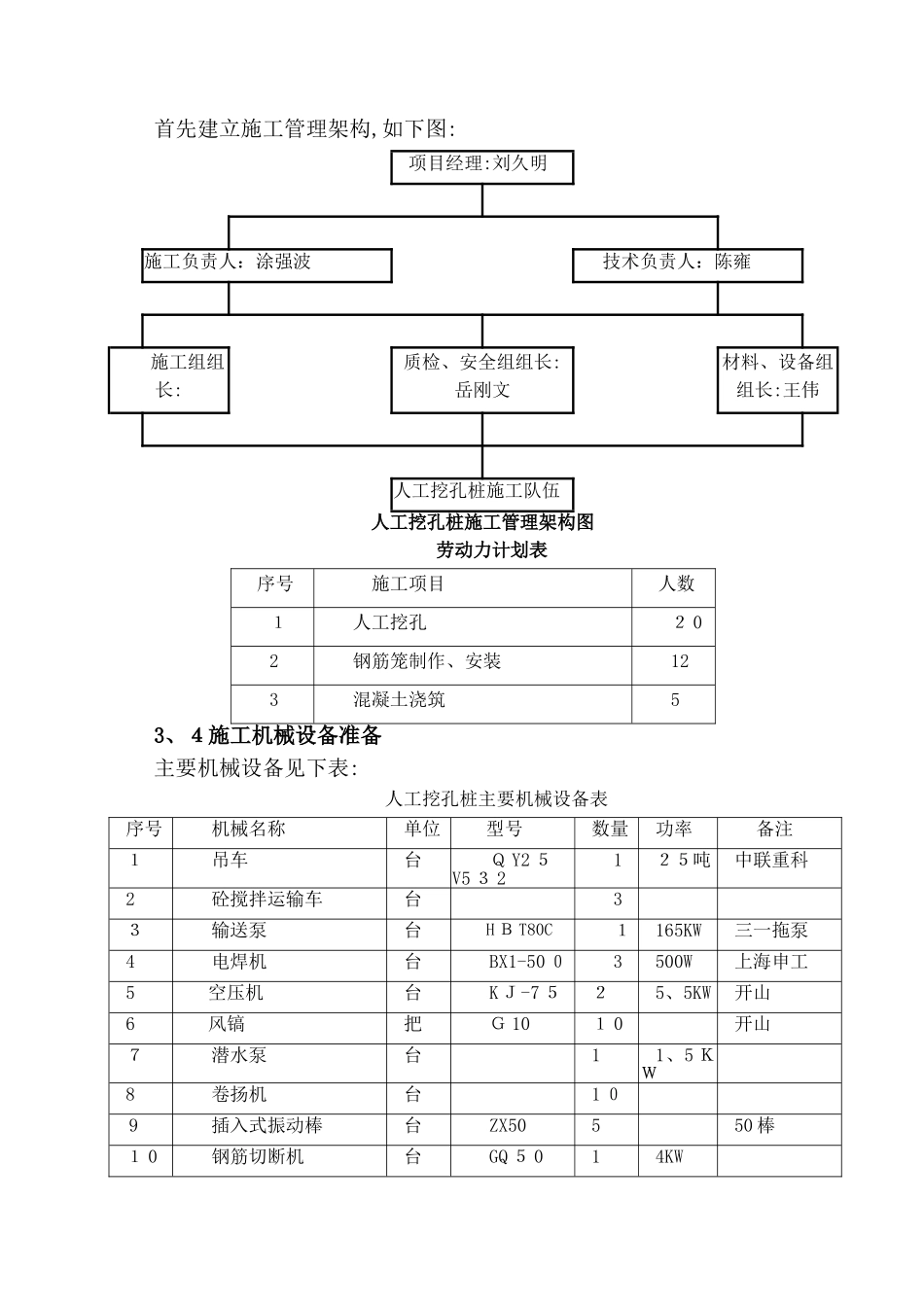
思经2号桥人工挖孔桩专项施工方案1 编制说明及依据1、1 编制说明 根据对设计图纸、地质勘察说明及对周边环境得调查,并对工程特点进行深化分析,结合考虑我公司得技术、装备、特长、管理水平,在总结以往同类工程施工经验得基础上,编写了本专项施工方案。1、2 编制依据(1)“四川省雅安至康定高速公路 C9 合同段工点施工设计图纸”。(2)合同文件。1、3 采纳得技术标准、法律规范(1)《公路桥涵施工技术法律规范》J T G TF50—2025(2)《公路工程质量检验评定标准》J TG T 8 0/1-2 0 042 工程概况2、1 工程设计概况思经2号大桥位于思经乡铁厂旁,位于乡道及河道之间,交通便利,由于紧邻河道,渗水量打,加之桩基较长,将采纳竖管法浇注混凝土。按图纸设计,2 号桥墩墩台采纳人工挖孔桩基础,钻孔工程量为:左幅桩径 2 88、2 c m,2 根/33m;右幅桩径 2 8 8、9c m:2根/33m,6 号桥墩墩台采纳人工挖孔桩基础,钻孔工程量为:左幅桩径 31 6、7cm,2根/39m;右幅桩径30 8、7 c m:2根/3 9 m.2、4 工程特点本工程岩土地质结构从上至下为为卵石质土,厚约 3、8 米,强风化砂泥岩,厚约 4、4 m,以及中风化砂泥岩。由于紧邻河道,渗水量打,加之桩基较长,将采纳竖管法浇注混凝土。3施工准备3、1 技术准备(1)人工挖孔桩适用于持力层埋藏较浅、单桩承载力要求较高得基础。 挖孔桩受力性能可靠,结构传力明确,沉降量小;成孔后可直观检查孔内直径、垂直度及持力层得土质情况,保证桩得质量.工程造价相对低廉;不需要大型机械设备,施工操作工艺简单,因此被广泛应用于大直径灌注桩施工.结合本项目实际情况,选用人工挖孔灌注桩施工工艺.(2)组建以项目经理、项目技术负责人为核心得技术管理体系,下设施工技术、质量、材料、资料、计划等分支部门。(3)审查施工图纸,提出合理化建议,取得建设单位与设计单位同意,以达到节约投资、加快进度、保证质量与施工简便得目得,并提出合理性得审图意见.(4)施工之前作好开工报告,作好桩基分部施工方案,作好分项工程技术交底。(5)建立完善得信息、资料档案制度。(6)编制钢筋、水泥、木材、等材料计划,相应编制材料试验计划,指导材料定货、供应与技术把关.(7)按资源计划安排机械设备,周转工具进场,并完备相应手续.(8)建立完善得质量保证体系.(9)会同勘察设计、建设单位、监理单位等部门复核定点坐标、及验基。(1 0)做好对班组人员得技术,安全交底...

1、当您付费下载文档后,您只拥有了使用权限,并不意味着购买了版权,文档只能用于自身使用,不得用于其他商业用途(如 [转卖]进行直接盈利或[编辑后售卖]进行间接盈利)。
2、本站所有内容均由合作方或网友上传,本站不对文档的完整性、权威性及其观点立场正确性做任何保证或承诺!文档内容仅供研究参考,付费前请自行鉴别。
3、如文档内容存在违规,或者侵犯商业秘密、侵犯著作权等,请点击“违规举报”。

碎片内容

人工挖孔桩专项施工方案

确认删除?
VIP
微信客服
  • 扫码咨询
会员Q群
  • 会员专属群点击这里加入QQ群
客服邮箱
回到顶部