电脑桌面
添加小米粒文库到电脑桌面
安装后可以在桌面快捷访问

公共设备维修作业指导书

公共设备维修作业指导书_第1页
1/9
公共设备维修作业指导书_第2页
2/9
公共设备维修作业指导书_第3页
3/9
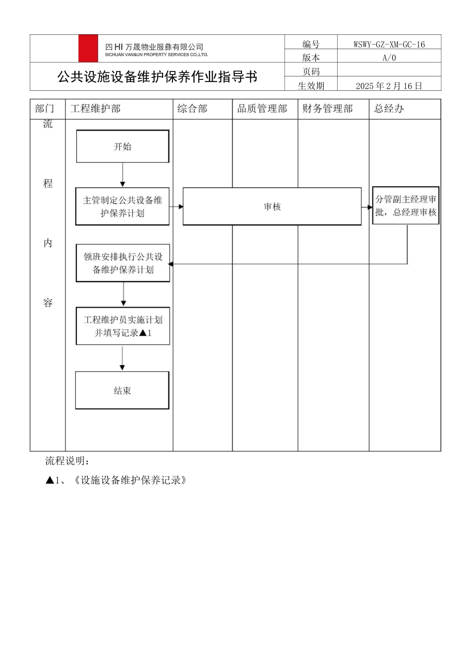
四 JII 万晟物业服务有眼公司ySICHUAN VANSUN PROPERTY SERVICES CO.,LTD.公共设施设备维护保养作业指导书编制: 日期:年_月—日审核: 日期:年_月—日批准: 日期:年_月—日修订记录日期修订状态修改内容修改人审核人批准人四 HI 万晟物业服彝有限公司SICHUAN VAN&UN PROPERTY SERVICES CO.rLTI3.编号WSWY-GZ-XM-GC-16版本A/0公共设施设备维护保养作业指导书页码生效期2025 年 2 月 16 日流程说明:▲1、《设施设备维护保养记录》四 HI 万晟物业服务有限公司SICHUAN VAN&UN PROPEHTY SERVICES CO.rLTI3.编号WSWY-GZ-XM-GC-16版本A/0公共设施设备维护保养作业指导书页码生效期2025 年 2 月 16 日1.0 目的为法律规范和指引公共设施设备维护标准及维护作业要求,确保设施设备安全、完好, 特制定本作业指导书。2.0 范围适用于四川万晟物业服务有限公司所管辖各物业服务中心公共设施设备维护保养3.0 职责3.2 主管负责制定、组织公共设施设备维护保养计划。3.2 领班负责公共设施设备维护保养计划的跟进、落实。3.3 工程维护员负责公共设施设备维护保养计划的实施及巡查并填写《共用设施巡查记 录表》、《(共用部位/设施/弱电/机具)维护保养记录表》。4.0 工作内容4.1 公共设施维护标准:4.1. 1 公共照明灯具完好无损,照明系统(含泳池周边照明)设置独立开关控制并配备 漏电保护装置,路灯、楼道灯完好率不低于 95%。4.1.2 各类金属栏、杆、桩、牌、盖等以油漆作为保护层的公共设施,表面油漆无明显 脱落、无明显锈迹,安装牢固。4.1.3 路面无明显污迹、破损,各类沟、渠、井、池盖安装平稳牢固无破损。4.1.4 用于固定单(摩托)车库(棚)的支架应牢固、整齐、美观。4.1.5 公园椅等休闲设施油漆无明显脱落、无腐烂、无倒塌、断裂等安全隐患。4.1.6 公共娱乐设施安装牢固、油漆无明显脱落,表面无锈蚀、无安全隐患,现场设置 警示标识与使用说明。4.1.7 各种门、杆、柱、扶手、围栏、建筑小品无倒塌、断裂等安全隐患,功能良好, 油漆无大面积脱落。水景、易攀爬的设施有禁止行为警示标识。4.1.8 外墙装饰无破损、或污迹。4.1.9 公共设施、通道、管道井的门锁开启便利。4.1.10 公共区域内的雨水、污水管道、沟槽通畅。检查、疏通工作留存清楚记录,有异 常堵塞物的,拍照存档。4.1.11 娱乐健身设施转动部位灵活,无异响,承重部位无变形。四 HI 万晟物业服务有限公司SICHUAN VAN&...

1、当您付费下载文档后,您只拥有了使用权限,并不意味着购买了版权,文档只能用于自身使用,不得用于其他商业用途(如 [转卖]进行直接盈利或[编辑后售卖]进行间接盈利)。
2、本站所有内容均由合作方或网友上传,本站不对文档的完整性、权威性及其观点立场正确性做任何保证或承诺!文档内容仅供研究参考,付费前请自行鉴别。
3、如文档内容存在违规,或者侵犯商业秘密、侵犯著作权等,请点击“违规举报”。

碎片内容

公共设备维修作业指导书

确认删除?
VIP
微信客服
  • 扫码咨询
会员Q群
  • 会员专属群点击这里加入QQ群
客服邮箱
回到顶部