电脑桌面
添加小米粒文库到电脑桌面
安装后可以在桌面快捷访问

冠梁施工技术交底

冠梁施工技术交底_第1页
1/10
冠梁施工技术交底_第2页
2/10
冠梁施工技术交底_第3页
3/10
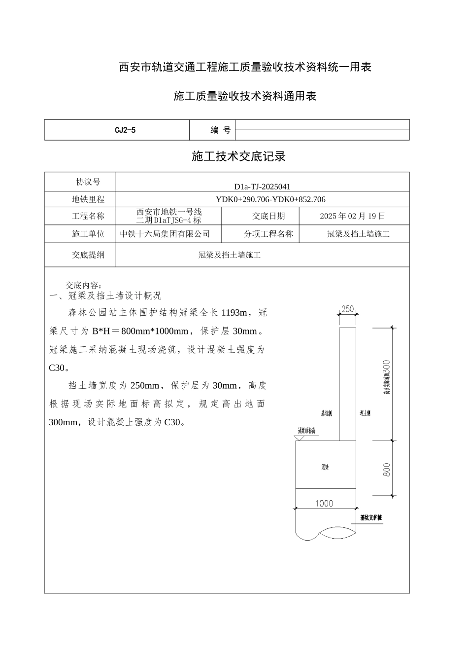
西安市轨道交通工程施工质量验收技术资料统一用表施工质量验收技术资料通用表CJ2-5编 号施工技术交底记录协议号D1a-TJ-2025041地铁里程YDK0+290.706-YDK0+852.706工程名称西安市地铁一号线二期 D1aTJSG-4 标交底日期2025 年 02 月 19 日施工单位中铁十六局集团有限公司分项工程名称冠梁及挡土墙施工交底提纲冠梁及挡土墙施工交底内容:一、冠梁及挡土墙设计概况森林公园站主体围护结构冠梁全长 1193m,冠梁尺寸为 B*H=800mm*1000mm,保护层 30mm。冠梁施工采纳混凝土现场浇筑,设计混凝土强度为C30。挡土墙宽度为 250mm,保护层为 30mm,高度根 据 现 场 实 际 地 面 标 高 拟 定 , 规 定 高 出 地 面300mm,设计混凝土强度为 C30。1.1 冠梁施工工艺流程图 1-1 冠梁施工工艺流程图(1)测量放样:测放出冠梁基坑开挖边线及实际地面标高,开挖至第一道支撑轴线下 50cm,桩头破除施工完毕后在围护桩顶放出冠梁中心轴线、第一道钢支撑中心点及挡土墙背土侧边线,冠梁钢筋安装时根据测放出的钢支撑中心点及挡土墙边线预留钢支撑与挡土墙钢筋,在冠梁立模完毕后测量班需对模板进行校验严格控制冠梁的标高及尺寸。(2)土方开挖:基坑内侧根据 30°机械放坡土方开挖上层土方至冠梁底部高度,冠梁施工前需将钻孔灌注桩顶部 500mm 厚左右的混凝土凿除(露出洁净、稳定、强度达成设计规定的混凝土面)、清洗至桩顶设计标高。(3)钢筋连接:根据图纸规定,冠梁主筋为 25mm 的采纳机械连接,18mm 的采纳焊接。(4)模板安装加固:冠梁模板采纳 15mm 厚胶合木钢模板,模板安装牢固、平顺、密合。(5)混凝土浇注:冠梁砼浇注前,将冠梁顶面标高放样于模板面上,以控制冠梁顶面标高,冠梁顶标高控制在 5mm 范围内。(6)拆模板:砼达成一定强度后进行拆模,拆模时在报现场监理工程师验收后方可拆模,并做好混凝土养护工作。1.2 挡墙施工工艺流程图 1-2 挡墙施工工艺流程图(1)凿毛、清洗冠梁顶面:冠梁顶面与挡墙相接处进行凿毛解决,保证施工面粘结牢固。(2)测量放样:测放出挡墙边线及实际地面标高,在挡墙立模完毕后测量班需对模板进行校验严格控制挡墙的标高及尺寸。(3)钢筋绑扎:钢筋绑扎按法律规范规定,同一断面的接头应按 50%错开,搭接长度按 35d 计算。(4)模板安装加固:挡墙模板采纳 15mm 厚胶合木钢模板,模板安装牢固、平顺、密合。(5)混凝土浇注:冠梁砼浇注前,将冠梁顶面标...

1、当您付费下载文档后,您只拥有了使用权限,并不意味着购买了版权,文档只能用于自身使用,不得用于其他商业用途(如 [转卖]进行直接盈利或[编辑后售卖]进行间接盈利)。
2、本站所有内容均由合作方或网友上传,本站不对文档的完整性、权威性及其观点立场正确性做任何保证或承诺!文档内容仅供研究参考,付费前请自行鉴别。
3、如文档内容存在违规,或者侵犯商业秘密、侵犯著作权等,请点击“违规举报”。

碎片内容

冠梁施工技术交底

您可能关注的文档

确认删除?
VIP
微信客服
  • 扫码咨询
会员Q群
  • 会员专属群点击这里加入QQ群
客服邮箱
回到顶部