电脑桌面
添加小米粒文库到电脑桌面
安装后可以在桌面快捷访问

制浆职业病危害风险现场管控措施表

制浆职业病危害风险现场管控措施表_第1页
1/9
制浆职业病危害风险现场管控措施表_第2页
2/9
制浆职业病危害风险现场管控措施表_第3页
3/9
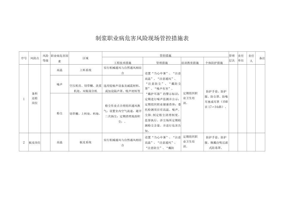
制浆职业病危害风险现场管控措施表序号风险点风险等级职业病危害因素区域管控措施管理层次责任单位责任人备注工程技术措施管理措施培训教育措施个体防护措施1备料巡检岗位高温上料系统实行机械通风与自然通风相结合设置“当心中暑”、“注意高温”、“注意通风”、“注意防尘”、“戴防尘罩”、“噪声有害”、“戴护耳器”的警示标识;定期进行噪声监测并公示;定期组织职业健康查体;委托检测项目有高温、噪声、尘肺;制定粉尘清理制度、监督执行、涉尘场所定期检测粉尘含量、并进行危害告知。定期组织职业卫生培训。防护手套、防护服、防尘罩、防噪耳塞或耳罩(SNR在 17〜34dB)、噪声空压机房、切草棚、洗浆机处、双辊混合机选用低噪声设备及减震材料,或加设隔声罩、吸声材料等粉尘切草棚、上料处、料场、粉尘作业点合理组织通风换气;设置室内空气流速,避开二次扬尘;定期清理地面积尘;。2板皮岗位高温板皮系统实行机械通风与自然通风相结合设置“当心中暑”、“注意高温”、“注意通风”、“注意防尘”、“戴防定期组织职业卫生培训。防护手套、防护服、佩戴自吸过滤式防毒罩、粉尘料场对产生粉尘设备加设防尘隔离网,湿式作业,密闭、抽风尘罩,,的警示标识;定期进行噪声监测并公示;定期组织职业健康查体;委托检测项目有高温、噪声、尘肺;制定粉尘清理制度、监督执行、进行职业健康监护;涉尘场所定期检测粉尘含量、并进行危害告知。防噪耳塞或耳罩(SNR 在 17〜34dB)噪声料场选用低噪声设备及减震材料,或加设隔声罩、吸声材料等3原料检验高温料垛、运料车辆实行机械通风与自然通风相结合设置“当心中暑”、“注意高温”、“注意通风”、“注意防尘”、“戴防尘罩”、“噪声有害”、“戴护耳器”的警示标识;定期进行噪声监测并公示;定期组织职业健康查体;委托检测项目有高温、噪声、尘肺;制定粉尘清理制度、监督执行、进行职业健康监护;涉尘场所定期检测粉尘含量,并进行危害告知。定期组织职业卫生培训。防护手套、防护服、防尘罩、防噪耳塞或耳罩(SNR在 17〜34dB)粉尘料场原料场设置防尘网,湿式作业噪声料场选用低噪声设备及减震材料,或加设隔声罩、吸声材料等4装卸工高温料垛、运料车辆实行机械通风与自然通风相结合设置“当心中暑”、“注意高温”、“注意通风”、“注意防尘”、“戴防尘罩,,的警示标识;定期进行噪声监测并公示:定期组织职业健康查体:委托检测项目有高温、尘肺;制定粉尘清理制度、监督执行;涉尘...

1、当您付费下载文档后,您只拥有了使用权限,并不意味着购买了版权,文档只能用于自身使用,不得用于其他商业用途(如 [转卖]进行直接盈利或[编辑后售卖]进行间接盈利)。
2、本站所有内容均由合作方或网友上传,本站不对文档的完整性、权威性及其观点立场正确性做任何保证或承诺!文档内容仅供研究参考,付费前请自行鉴别。
3、如文档内容存在违规,或者侵犯商业秘密、侵犯著作权等,请点击“违规举报”。

碎片内容

制浆职业病危害风险现场管控措施表

确认删除?
VIP
微信客服
  • 扫码咨询
会员Q群
  • 会员专属群点击这里加入QQ群
客服邮箱
回到顶部