电脑桌面
添加小米粒文库到电脑桌面
安装后可以在桌面快捷访问

剪力墙结构大模板墙体钢筋绑扎分项工程质量管理

剪力墙结构大模板墙体钢筋绑扎分项工程质量管理_第1页
1/5
剪力墙结构大模板墙体钢筋绑扎分项工程质量管理_第2页
2/5
剪力墙结构大模板墙体钢筋绑扎分项工程质量管理_第3页
3/5
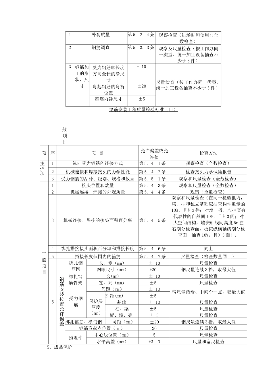
剪力墙结构大模板墙体钢筋绑扎分项工程质量管理1、依据标准:《建筑工程施工质量验收统一标准》GB503-21《钢筋混凝土结构工程施工质量验收法律规范》GB50204-22《高层建筑混凝土技术规程》JGJ3 -222、施工准备2.1 材料及主要机具:2.1.1 成型钢筋或网片:根据设计图纸要求的规格尺寸,预先加要成型钢筋或点焊网片。2.1.2 拉筋和支撑筋:采纳双层钢筋网片时,在两片钢筋间应绑拉筋和支撑筋,以便固定上下左右钢筋间的距离。见图 4-8(a)、(b)。拉结筋如图 4-8(a)所示,l 为两网片之间的距离,绑扎时纵横间距不大于 7mm。但这种形式的拉结筋只起到拉而不能起撑的作用。为了保证墙体双层网片正确位置,最好采纳梯形支撑筋,如图 4-8(b)。梯形支撑筋是用两根竖筋(用墙体竖筋同直径同高度)与水平筋焊成梯形,绑在墙体两排钢筋之间起到撑的作用,间距 12mm 左右。图中 H 为墙体竖筋高度,h 为墙体横筋间距,c 等于混凝土墙体厚减去保护层。2.1.3 铁丝:可采纳 20〜22 号铁丝(火烧丝)或镀锌铁丝(铅丝)。2.1.4 控制混凝土保护层用的砂浆垫块、塑料卡。2.1.5 工具:钢筋钩子、撬棍、钢筋扳子、绑扎架、钢丝刷子、手推车、粉笔,尺子等。2.2 作业条件2.2.1 检查钢筋的出厂合格证,按规定作力学性能复试,当加工过程中发生脆断等特别情况,还需作化学成分检验;网片应有加工厂出厂合格证,钢筋应无老锈及油污。2.2.2 钢筋或点焊网片应按现场施工平面图中指定位置堆放,网片立放时需有支架,平放时应垫平,垫木应上下对正,吊装时应使用网片架吊装。2.2.3 钢筋外表面如有铁锈时,应在绑扎前清除洁净,锈蚀严重侵蚀断面的钢筋不得使用。2.2.4 检查网片的几何尺寸、规格、数量及点焊质量等,合格后方可使用。2.2.5 外砖内模工程必须砌完外墙。2.2.6 应将绑扎钢筋地点清理洁净。2.2.7 弹好墙身、洞位置线,并将预留钢筋处的松散混凝土剔凿洁净。3、操作工艺3.1 剪力墙钢筋现场绑扎:3.1.1 工艺流程:修理预留搭接筋 T 绑立筋 T 绑横筋 T 绑拉筋或支撑筋。3.1.2 将墙身处预留钢筋调直理顺,并将表面砂浆等杂物清理洁净。先立 2〜4 根竖筋,并划好横筋分档标志,然后于下部及齐胸处绑两根横筋固定好位置,并在横筋上划好分档标志,然后绑其余竖筋,最后绑其余横筋。3.1.3 双排钢筋之间应绑拉筋,拉筋直径不小于 ©6,间距不大于 6mm,剪力墙底部加强部位的拉筋宜适当加密。为保持两排钢筋的相对距离,宜采纳...

1、当您付费下载文档后,您只拥有了使用权限,并不意味着购买了版权,文档只能用于自身使用,不得用于其他商业用途(如 [转卖]进行直接盈利或[编辑后售卖]进行间接盈利)。
2、本站所有内容均由合作方或网友上传,本站不对文档的完整性、权威性及其观点立场正确性做任何保证或承诺!文档内容仅供研究参考,付费前请自行鉴别。
3、如文档内容存在违规,或者侵犯商业秘密、侵犯著作权等,请点击“违规举报”。

碎片内容

剪力墙结构大模板墙体钢筋绑扎分项工程质量管理

办公文档专营+ 关注
实名认证
内容提供者

大量办公文档,欢迎选择

确认删除?
VIP
微信客服
  • 扫码咨询
会员Q群
  • 会员专属群点击这里加入QQ群
客服邮箱
回到顶部