电脑桌面
添加小米粒文库到电脑桌面
安装后可以在桌面快捷访问

加气站风险管控及隐患排查治理手册

加气站风险管控及隐患排查治理手册_第1页
1/43
加气站风险管控及隐患排查治理手册_第2页
2/43
加气站风险管控及隐患排查治理手册_第3页
3/43
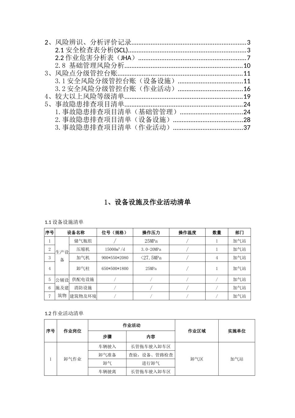
风险分级管控及隐患排查治理双控体系资料2025 年 4 月 1 日目 录1、设备设施及作业活动清单.................................................................21.1 设备设施清单..............................................................................21.2 作业活动清单.............................................................................22、风险辨识、分析评价记录.................................................................32.1 安全检查表分析(SCL)...................................................................32.2 作业危害分析表(JHA).............................................................72.8 基础管理风险分析...................................................................103、风险点分级管控台账.......................................................................113.1 安全风险分级管控台账(设备设施).....................................113.2 安全风险分级管控台账(作业活动).....................................164、较大以上风险等级清单...................................................................195、事故隐患排查项目清单...................................................................241.事故隐患排查项目清单(基础管管理)....................................242.事故隐患排查项目清单(设备设施)........................................283.事故隐患排查项目清单(作业活动)........................................371、设备设施及作业活动清单1.1 设备设施清单序号设备名称位号(规格)操作压力操作温度数量部门1生产设备储气瓶组/25MPa/1加气站2压缩机15000m³/d3.0-20MPa/1加气站3加气机900*550*2080<27.5MPa/4加气站4卸气柱650*500*180025MPa/1加气站5公辅设施及建筑物供配电设施////加气站6消防设施////加气站7建筑物及环境////加气站1.2 作业活动清单序号作业岗位作业活动作业区域实施单位步骤内容1卸气作业车辆驶入长管拖车驶入卸车区卸气区加气站卸气准备查验,设备、管路检查卸气进行卸气车辆驶离长管拖车驶入卸车区2加气作业引车进站引导车辆进入加气区加气区加气站加气进行加气引车出站引导车辆驶离加气站3压缩机操作准备、开机及运行、停止压缩机操作压缩机间加气站4电工作业电工作...

1、当您付费下载文档后,您只拥有了使用权限,并不意味着购买了版权,文档只能用于自身使用,不得用于其他商业用途(如 [转卖]进行直接盈利或[编辑后售卖]进行间接盈利)。
2、本站所有内容均由合作方或网友上传,本站不对文档的完整性、权威性及其观点立场正确性做任何保证或承诺!文档内容仅供研究参考,付费前请自行鉴别。
3、如文档内容存在违规,或者侵犯商业秘密、侵犯著作权等,请点击“违规举报”。

碎片内容

加气站风险管控及隐患排查治理手册

确认删除?
VIP
微信客服
  • 扫码咨询
会员Q群
  • 会员专属群点击这里加入QQ群
客服邮箱
回到顶部