电脑桌面
添加小米粒文库到电脑桌面
安装后可以在桌面快捷访问

危险源辨识风险评价及风险控制措施清单

危险源辨识风险评价及风险控制措施清单_第1页
1/25
危险源辨识风险评价及风险控制措施清单_第2页
2/25
危险源辨识风险评价及风险控制措施清单_第3页
3/25
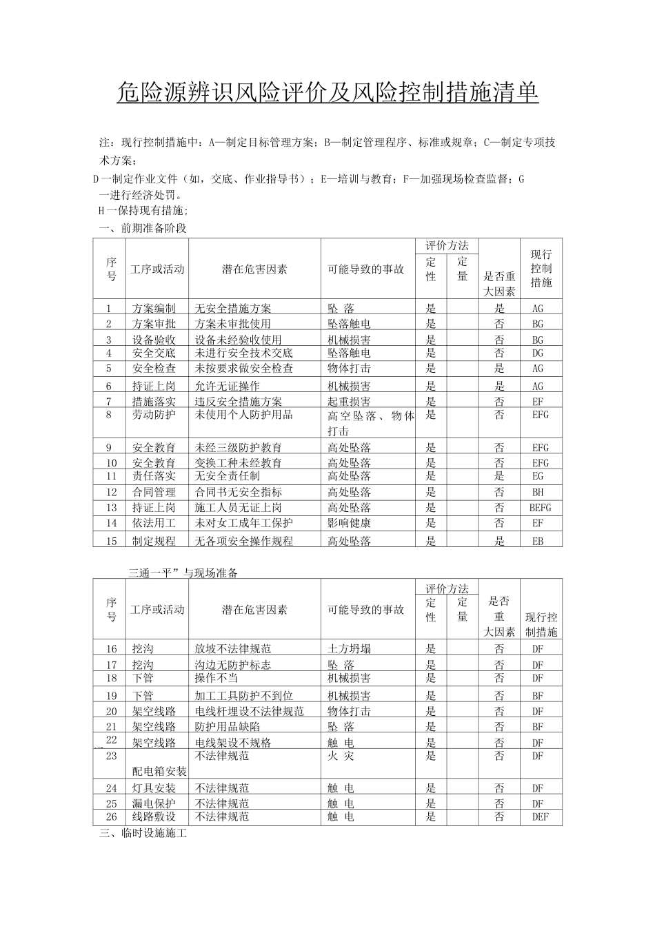
危险源辨识风险评价及风险控制措施清单 注:现行控制措施中:A—制定目标管理方案;B—制定管理程序、标准或规章;C—制定专项技术方案;D 一制定作业文件(如,交底、作业指导书);E—培训与教育;F—加强现场检查监督;G一进行经济处罚。H 一保持现有措施;一、前期准备阶段序号工序或活动潜在危害因素可能导致的事故评价方法是否重大因素现行控制措施定性定量1方案编制无安全措施方案坠 落是是AG2方案审批方案未审批使用坠落触电是否BG3设备验收设备未经验收使用机械损害是否BG4安全交底未进行安全技术交底坠落触电是否DG5安全检查未按要求做安全检查物体打击是是AG6持证上岗允许无证操作机械损害是是AG7措施落实违反安全措施方案起重损害是否EF8劳动防护未使用个人防护用品高 空 坠 落 、 物 体打击是否EFG9安全教育未经三级防护教育高处坠落是否EFG10安全教育变换工种未经教育高处坠落是否EFG11责任落实无安全责任制高处坠落是是EG12合同管理合同书无安全指标高处坠落是否BH13持证上岗施工人员无证上岗高处坠落是否BEFG14依法用工未对女工成年工保护影响健康是否EF15制定规程无各项安全操作规程高处坠落是是EB三通一平”与现场准备序号工序或活动潜在危害因素可能导致的事故评价方法是否重大因素现行控制措施定性定量16挖沟放坡不法律规范土方坍塌是否DF17挖沟沟边无防护标志坠 落是否DF18下管操作不当机械损害是否DF19下管加工工具防护不到位机械损害是否BF20架空线路电线杆埋设不法律规范物体打击是否DF21架空线路防护用品缺陷坠 落是否BF22通架空线路电线架设不规格触 电是否DF23配电箱安装不法律规范火 灾是否DF24灯具安装不法律规范触 电是否DF25漏电保护不法律规范触 电是否DF26线路敷设不法律规范触 电是否DEF三、临时设施施工序号工序或活动 潜在危害因素可能导致的事故评价方法是否重大因素现行控制措施定性定量27搭 设未按规程操作物体打击是否EFG28拆 除随意抛物物体打击是否EF29电器设备使用电器交底不清触 电是否EF30电器设备明线铺设太低触电火灾是否DF31电器设备线路过道无防护触 电是否DF四、基础工程施工序号工序或活动 潜在危害因素可能导致事故评价方法是否重大因素现行按制措施定性定量32降 水电器设施使用不法律规范触 电是否DEF33降 水违章作业误操作触 电是否EFG34土方挖运挖掘机操作不当机械损害是否F35土方工程未按规定放坡坍 塌是否DFG36土方工程雨季坡壁未支护坍 塌是否DF37土方工程...

1、当您付费下载文档后,您只拥有了使用权限,并不意味着购买了版权,文档只能用于自身使用,不得用于其他商业用途(如 [转卖]进行直接盈利或[编辑后售卖]进行间接盈利)。
2、本站所有内容均由合作方或网友上传,本站不对文档的完整性、权威性及其观点立场正确性做任何保证或承诺!文档内容仅供研究参考,付费前请自行鉴别。
3、如文档内容存在违规,或者侵犯商业秘密、侵犯著作权等,请点击“违规举报”。

碎片内容

危险源辨识风险评价及风险控制措施清单

您可能关注的文档

文森传品+ 关注
实名认证
内容提供者

一家传播文化教育的小店,资料丰富,随意挑选。

确认删除?
VIP
微信客服
  • 扫码咨询
会员Q群
  • 会员专属群点击这里加入QQ群
客服邮箱
回到顶部