电脑桌面
添加小米粒文库到电脑桌面
安装后可以在桌面快捷访问

卸料平台验收记录表

卸料平台验收记录表_第1页
1/3
卸料平台验收记录表_第2页
2/3
卸料平台验收记录表_第3页
3/3
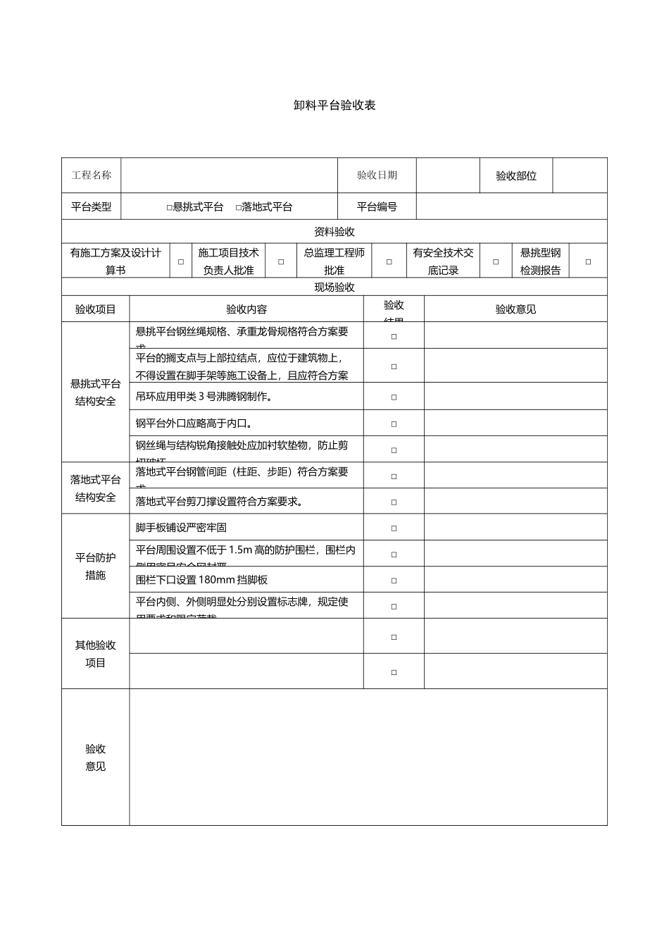
卸料平台验收记录表(2 页)Good is good, but better carries it.精益求精,善益求善。卸料平台验收表工程名称验收日期验收部位平台类型□悬挑式平台 □落地式平台平台编号资料验收有施工方案及设计计算书□施工项目技术负责人批准□总监理工程师批准□有安全技术交底记录□悬挑型钢检测报告□现场验收验收项目验收内容验收结果验收意见悬挑式平台结构安全悬挑平台钢丝绳规格、承重龙骨规格符合方案要求。□平台的搁支点与上部拉结点,应位于建筑物上,不得设置在脚手架等施工设备上,且应符合方案□吊环应用甲类 3 号沸腾钢制作。□钢平台外口应略高于内口。□钢丝绳与结构锐角接触处应加衬软垫物,防止剪切破坏.□落地式平台结构安全落地式平台钢管间距(柱距、步距)符合方案要求。□落地式平台剪刀撑设置符合方案要求。□平台防护措施脚手板铺设严密牢固□平台周围设置不低于 1.5m 高的防护围栏,围栏内侧用密目安全网封严□围栏下口设置 180mm 挡脚板□平台内侧、外侧明显处分别设置标志牌,规定使用要求和限定荷载。□其他验收项目□□验收意见建设单位项目负责人施工单位技术负责人总/专业监理工程师项目部技术负责人注:凡需要专家论证的分部分项工程由总监理工程师签字。^:)~:/,(》??,]:,《`&.…?《】.#$|—.)

1、当您付费下载文档后,您只拥有了使用权限,并不意味着购买了版权,文档只能用于自身使用,不得用于其他商业用途(如 [转卖]进行直接盈利或[编辑后售卖]进行间接盈利)。
2、本站所有内容均由合作方或网友上传,本站不对文档的完整性、权威性及其观点立场正确性做任何保证或承诺!文档内容仅供研究参考,付费前请自行鉴别。
3、如文档内容存在违规,或者侵犯商业秘密、侵犯著作权等,请点击“违规举报”。

碎片内容

卸料平台验收记录表

确认删除?
VIP
微信客服
  • 扫码咨询
会员Q群
  • 会员专属群点击这里加入QQ群
客服邮箱
回到顶部