电脑桌面
添加小米粒文库到电脑桌面
安装后可以在桌面快捷访问

各类阀门检修规程

各类阀门检修规程_第1页
1/13
各类阀门检修规程_第2页
2/13
各类阀门检修规程_第3页
3/13
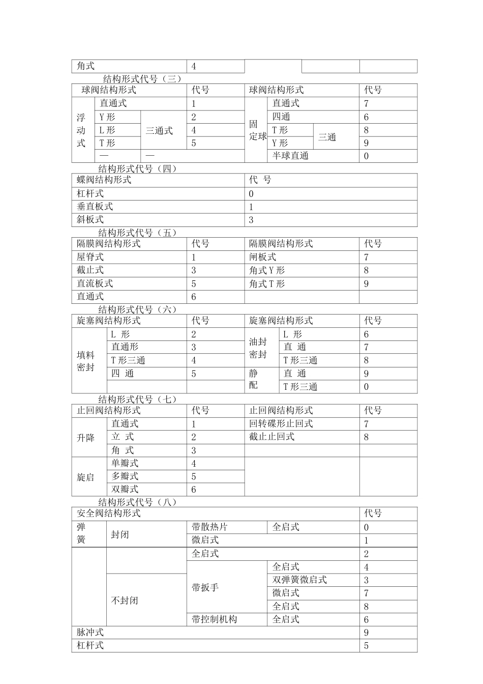
各类阀门检修规程阀门是通过改变其流通面积的大小来控制液体流量、压力和流向的机械产品。阀门的基本参数1、公称通径:公称通径是指阀门与管道连接处通道的名义直径,用 DN 表示。它表示阀门规格的大小。公称通径系列见下表:(mm)361015202532405065801125150(175)2(225)25033504450567891012141618202224262830注:1)黑体字为基本系列,应优先选用。2)带括号的尺寸仅用于特别阀门。2、公称压力:公称压力是指与阀门的机械强度有关的设计给定压力,用 PN表示。公称压力系列见下表:(MPa)0.050.10.250.40.60.81.01.62.02.54.05.06.310.015.016.020.025.028.032.042.050.063.080.01.0125.0160.02.0250.0335.0涉及公称压力时,为了明确起见,通常给出计算单位,以“MPa”表示。对用于电站工业的阀门,当介质最高温度超过 530C 时,则一般标注工作压力,如P5417.0Mpa 表示阀门在 540C 下的最大允许工作压力为 17.0Mpa。3、阀门的压力一温度等级阀门的最大允许工作压力随工作温度的升高而降低。压力一温度等级是阀门设计和选用的基准,在选用阀门时应特别注意。4、阀门的型号编制方法本书中的阀门型号编制方法主要参照 JB308-75 标准,同时吸收了有关标准对型号编制的规定,并根据原国标报批稿作了适当的补充。1)阀门型号编制方法结构形式代号连接形式代号传动方式代号类型代号2)类型代号用汉语拼音字母表示,按下表的规定。阀门类型代号阀门类型代号安全阀A球阀Q蝶阀D疏水阀S隔膜阀G柱塞阀U止回阀H旋塞阀X截止阀J减压阀Y节流阀L闸阀Z排污阀P注: 低温(低于-40C)、保温(带加热套)和带波纹管的阀门,在类型代号前分别加汉语拼音字母“D”、“B”和“W”。3)传动方式代号用阿拉伯数字表示,按下表的规定。传动方式代号传动方式代号电磁动0锥齿轮5电磁-液动1气动6电-液动2液动7蜗轮3气-液动8正齿轮4电动9注:A.手轮、手柄和扳手传动的,以及安全阀、减压阀、疏水阀可省略本代号。B.对于气动或液动:常开式用 6K、7K 表示;常闭式用 6B、7B 表示;气动带手动用 6S 表示。防爆电动用 9B 表示。C. 代号 2 及代号 8 是用在阀门启闭时,需由两种动力源同时对阀门进行动作的情况下。4)结构形式代号用阿拉伯数字表示,按下列表的规定结构形式代号(一)闸阀结构形式代号明杆楔式弹性闸板0刚性单闸板1双闸板2平行式单闸板3双闸板4暗杆楔式单闸板5双闸板6平行式单闸板7双闸板8结构形式代号(二)截止阀、柱塞阀和节流阀结构...

1、当您付费下载文档后,您只拥有了使用权限,并不意味着购买了版权,文档只能用于自身使用,不得用于其他商业用途(如 [转卖]进行直接盈利或[编辑后售卖]进行间接盈利)。
2、本站所有内容均由合作方或网友上传,本站不对文档的完整性、权威性及其观点立场正确性做任何保证或承诺!文档内容仅供研究参考,付费前请自行鉴别。
3、如文档内容存在违规,或者侵犯商业秘密、侵犯著作权等,请点击“违规举报”。

碎片内容

各类阀门检修规程

确认删除?
VIP
微信客服
  • 扫码咨询
会员Q群
  • 会员专属群点击这里加入QQ群
客服邮箱
回到顶部