电脑桌面
添加小米粒文库到电脑桌面
安装后可以在桌面快捷访问

圆管涵施工工艺4

圆管涵施工工艺4_第1页
1/7
圆管涵施工工艺4_第2页
2/7
圆管涵施工工艺4_第3页
3/7
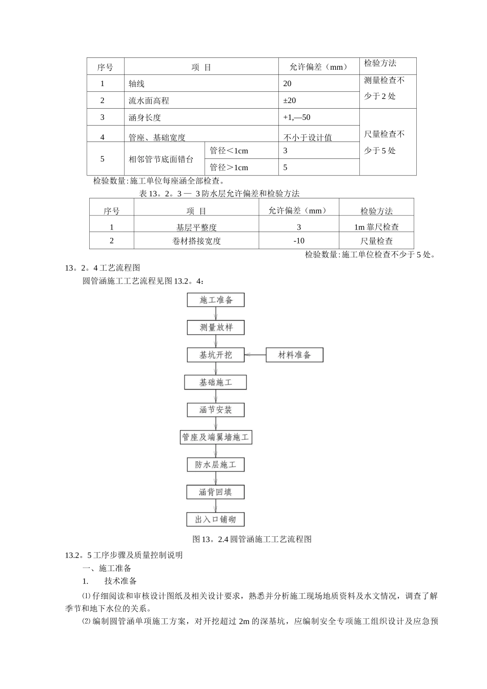
13. 2 圆管涵施工工艺标准13.2。1 工艺概述圆管涵指采纳整体式基础,涵身为预制钢筋混凝土圆管拼装在涵座上的涵洞.圆管涵一般作为过水涵洞。圆管涵结构要素见图 13. 4。1。圆管涵明挖作业适用于地下水位较低,基坑开挖后基底及坑壁透水较小的地质。原基底或经处理后基底承载力满足设计要求,有一定的施工作业场地和材料运输条件。图 13. 2.1 圆管涵结构要素13.2。2 作业内容圆管涵施工主要作业内容有:基坑开挖、基础及管座施工、管节吊装、防水层施工、端翼墙施工、涵背回填、出入铺砌施工等。13。2. 3 质量标准及验收方法1、圆管涵预制管节各部位偏差及检验方法应符合表 13. 2. 3-1 和 13. 2. 3-2 的规定,混凝土和砂浆强度应符合设计要求.防水层允许偏差及检验方法应符合表 13。2。3-3 的规定。2、涵身直顺,混凝土表面平整坚实,无蜂窝、麻面。圆管拼缝缝端面应竖直、平整。沉降缝直顺、洁净无渗漏,上下不得交错搭压影响沉降。填缝材料应具有弹韧性、不透水性和耐久性,并应连续填塞密实.3、进、出流水顺畅,洁净美观。防水层类型应符合设计要求,应具备防水、耐久、粘结牢固和必要的弹韧性,应按铁道部现行桥涵施工标准的有关规定施工。表 13. 2. 3-1 圆管涵管节预制的允许偏差和检验方法序号项目允许偏差(mm)检验方法1长度0, -102内径+ 10尺量检查不少于 5 处3壁厚+10, -5检验数量:施工单位每 10 节检查不少于 1 节。表 13。2.3-2 圆管涵管节安装允许偏差和检验方法序号项 目允许偏差(mm)检验方法1轴线20测量检查不少于 2 处2流水面高程±203涵身长度+1,—50尺量检查不少于 5 处4管座、基础宽度不小于设计值5相邻管节底面错台管径<1cm3管径>1cm5检验数量:施工单位每座涵全部检查。表 13。2。3 — 3 防水层允许偏差和检验方法序号项 目允许偏差(mm)检验方法1基层平整度31m 靠尺检查2卷材搭接宽度-10尺量检查检验数量:施工单位检查不少于 5 处。13。2。4 工艺流程图圆管涵施工工艺流程见图 13.2。4:图 13。2.4 圆管涵施工工艺流程图13.2。5 工序步骤及质量控制说明一、施工准备1.技术准备⑴ 仔细阅读和审核设计图纸及相关设计要求,熟悉并分析施工现场地质资料及水文情况,调查了解季节和地下水位的关系。⑵ 编制圆管涵单项施工方案,对开挖超过 2m 的深基坑,应编制安全专项施工组织设计及应急预案,对开挖超过 5m 的深基坑,应组织相关专家进行方案的评审后实施.⑶ ...

1、当您付费下载文档后,您只拥有了使用权限,并不意味着购买了版权,文档只能用于自身使用,不得用于其他商业用途(如 [转卖]进行直接盈利或[编辑后售卖]进行间接盈利)。
2、本站所有内容均由合作方或网友上传,本站不对文档的完整性、权威性及其观点立场正确性做任何保证或承诺!文档内容仅供研究参考,付费前请自行鉴别。
3、如文档内容存在违规,或者侵犯商业秘密、侵犯著作权等,请点击“违规举报”。

碎片内容

圆管涵施工工艺4

您可能关注的文档

确认删除?
VIP
微信客服
  • 扫码咨询
会员Q群
  • 会员专属群点击这里加入QQ群
客服邮箱
回到顶部