电脑桌面
添加小米粒文库到电脑桌面
安装后可以在桌面快捷访问

地上钢筋绑扎技术交底

地上钢筋绑扎技术交底_第1页
1/10
地上钢筋绑扎技术交底_第2页
2/10
地上钢筋绑扎技术交底_第3页
3/10
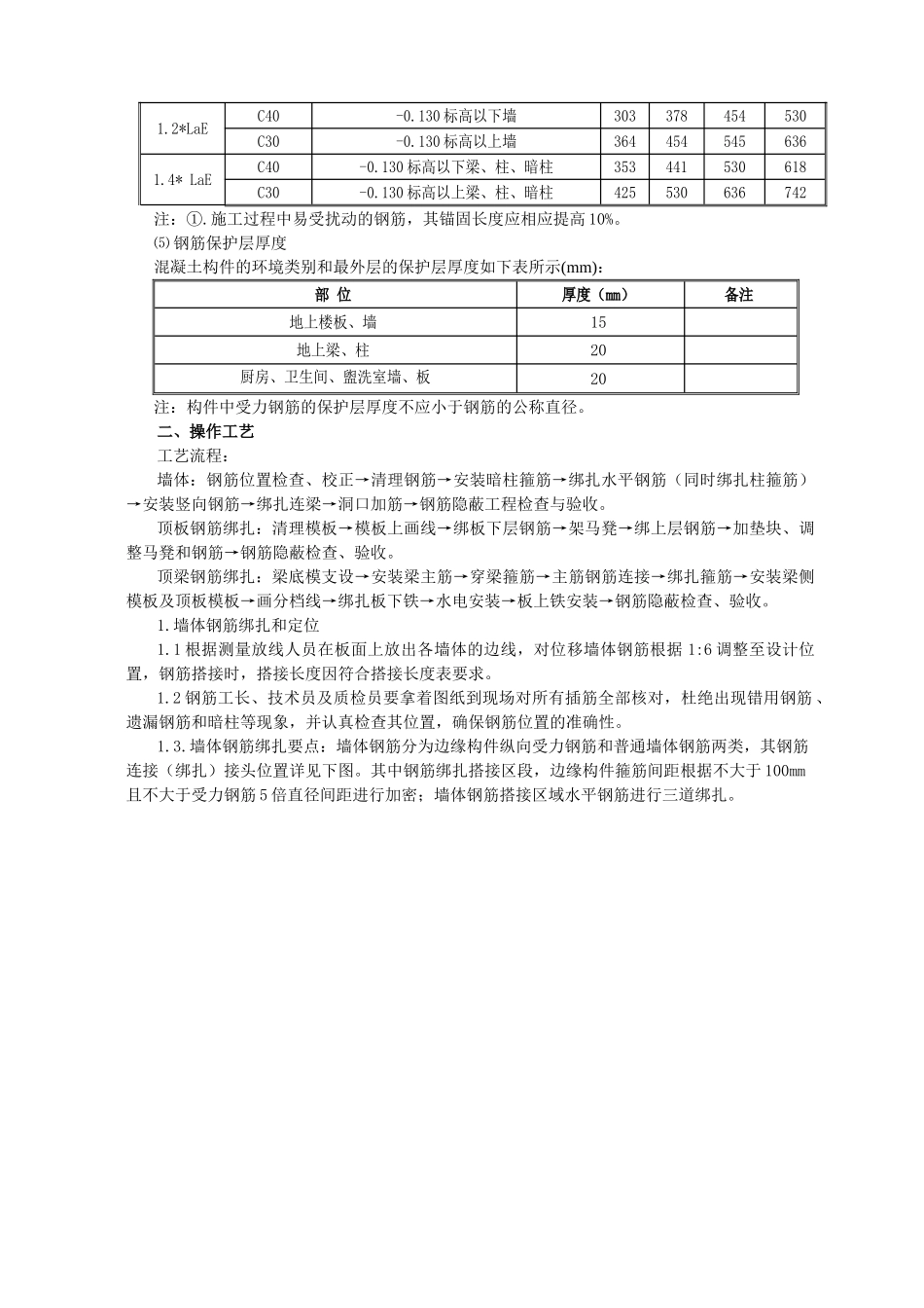
一、施工准备:1.材料要求:1.1.成型钢筋:梁、板钢筋6~25、墙筋8~14 等,符合配料单的规格、尺寸、形状、数量,经检查合格后,挂牌码放整齐。1.2.垫块:墙体采纳水泥砂浆顶模棍及定位筋,梁、板均采纳砂浆垫块。1.3.定位筋及马凳铁:墙体及预留插筋定位控制筋采纳水平梯子筋、竖向梯子筋、洞口顶部梯子筋、双“F”卡用来控制墙体钢筋的间距、位置及保护层厚度。楼板采纳成品马凳或钢筋焊接马凳支撑,采纳焊接马凳时高度为板厚度减去上下保护层与上下层钢筋直径的总和。1.4.绑扎丝:20#~22#火烧丝。2.主要机具:除后台钢筋加工机械以外,现场要准备:手持钢筋弯曲把手、电焊机 1 台/班,钢筋操作工人每人一个卷尺,每三人一个线坠,钢筋大剪两把、小白线、白粉笔、弹线用的墨斗、油漆、撬杠、每人一个绑扎铅丝钩、钢筋专用扳手等。3.人员准备:钢筋绑扎操作工人要在操作前认真组织学习技术交底,钢筋施工法律规范和规程,对本工程的钢筋绑扎要求作到人人心中有数。4.作业条件:4.1 对加工完的半成品钢筋必须经钢筋工长的验收和签认,并分段办理好前后台的钢筋交接签认手续。4.2 钢筋绑扎前将基层清理洁净,放线工作已完成,并办理好验线手续,钢筋施工前根据设计图纸认真检查;核对墙、柱、梁及各节点的位置和截面尺寸是否与设计图纸和洽商一致,发现问题及时解决,并用红油漆将各节点边线标注清楚。对已浇筑完混凝土的各楼层竖向钢筋,要清理洁净;后浇带内钢筋表面混凝土浆应在二次调整、绑扎钢筋时清理洁净。4.3 按设计和法律规范要求做好防水层和防水保护层并完成隐检工作。5.钢筋绑扎技术要求⑴ 本工程直径≥16mm 的钢筋采纳剥肋滚轧直螺纹连接,直径<16mm 采纳绑扎搭接。⑵ 本工程为剪力墙结构,三级抗震设防。受力钢筋的接头位置应设在受力较小处,接头应相互错开。当采纳绑扎搭接时,从任一接头中心至 1.3 倍搭接长度的区段范围内,受拉钢筋接头面积百分率:对梁、板≤25%,对柱≤50%,当采纳机械连接时,从任一接头中心至长度为 35 倍钢筋直径且≥500mm 的区段范围内,纵向受拉钢筋接头面积百分率≤50%。⑶ 根据图纸要求,钢筋锚固长度 LaE 为: 单位:mm 抗震等级砼强度部位81012141618202225三级LaEC40-0.130 标高以下墙板梁柱梯252315378441504567630693788C30-0.130 标高以上墙板梁柱梯303378454530605681756832945LaC40基础筏板、非抗震梁、楼板等250300360420480540600660750C30288360432504576648720792900...

1、当您付费下载文档后,您只拥有了使用权限,并不意味着购买了版权,文档只能用于自身使用,不得用于其他商业用途(如 [转卖]进行直接盈利或[编辑后售卖]进行间接盈利)。
2、本站所有内容均由合作方或网友上传,本站不对文档的完整性、权威性及其观点立场正确性做任何保证或承诺!文档内容仅供研究参考,付费前请自行鉴别。
3、如文档内容存在违规,或者侵犯商业秘密、侵犯著作权等,请点击“违规举报”。

碎片内容

地上钢筋绑扎技术交底

您可能关注的文档

确认删除?
VIP
微信客服
  • 扫码咨询
会员Q群
  • 会员专属群点击这里加入QQ群
客服邮箱
回到顶部