电脑桌面
添加小米粒文库到电脑桌面
安装后可以在桌面快捷访问

地下车库钢筋绑扎技术交底

地下车库钢筋绑扎技术交底_第1页
1/9
地下车库钢筋绑扎技术交底_第2页
2/9
地下车库钢筋绑扎技术交底_第3页
3/9
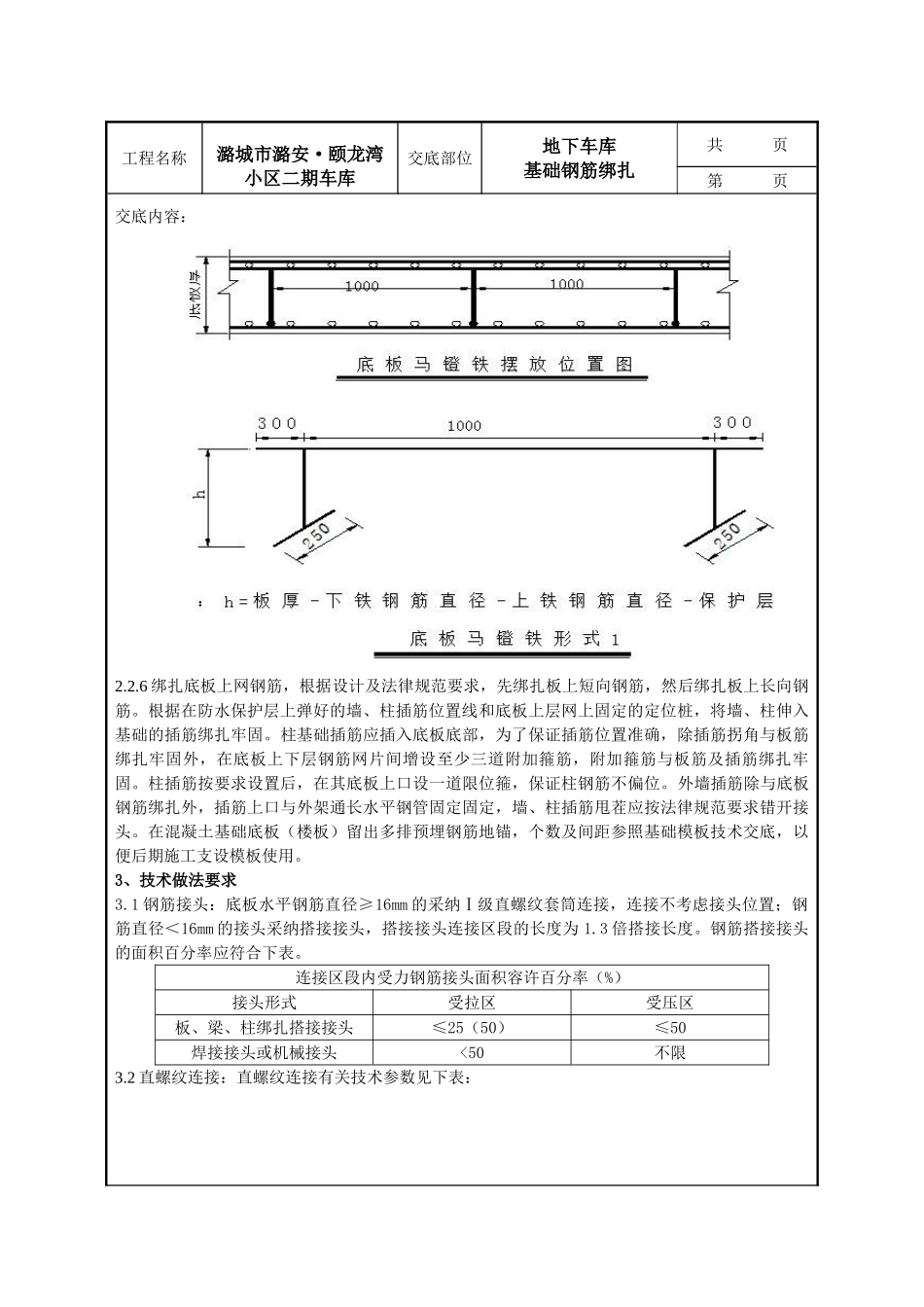
工程名称潞城市潞安·颐龙湾小区二期车库交底部位地下车库基础钢筋绑扎共 页第 页交底内容:1、作业准备1.1 机具准备:塔吊、钢筋钩子、撬棍、扳子、绑扎架、钢丝刷子、粉笔、尺子等。1.2 材料准备:20-22 号火烧丝、水泥砂浆。控制混凝土保护层用的塑料卡、黑垫块、大理石垫块等。1.3 作业条件1.3.1 已弹好墙、柱、洞口等部位位置线,经项目部验收,并已经过监理验收合格。1.3.2 各个部位的绑扎钢筋均吊装到位。1.3.3 熟悉方案,图纸、技术交底及法律规范要求。2、施工操作工艺措施及主要做法要求2.1 工艺流程清理弹线→集水坑及地下车库与 305、306#楼主楼基础交接处钢筋绑扎→搭设反梁绑扎钢管支撑架→绑扎横向反梁、同时摆放纵向的底板下铁及附加筋→绑扎纵向反梁、同时摆放横向的底板下铁及附加筋→垫好板及梁的保护层→摆放底板马凳铁→绑扎底板上层钢筋→插墙、柱预埋钢筋→清理、验收2.2 施工操作要点及要求2.2.1 钢筋下料完成后,做好预检工作,核对钢筋的级别,型号、形状、尺寸及数量是否与加工配料单相同。2.2.2 弹钢筋位置线:根据底板结构施工图,墙边、梁边底板起步筋起步距离均为 5cm,用线在防水保护层上弹出钢筋位置线(包括基础梁及墙柱筋位置线),严格根据弹线进行钢筋绑扎。2.2.3 根据弹出的钢筋位置线,先绑扎集水坑及地下车库与 305、306#楼主楼基础交接处钢筋。根据设计及法律规范要求,先绑扎短边向钢筋,后绑扎长边钢筋。钢筋绑扎完成后及时放好钢筋垫块,保证钢筋位置准确,垫块间距 1m,按每 1m 左右距离呈梅花型摆放。2.2.4 绑扎地梁钢筋:在绑板的同时做好基础地梁的绑扎,地梁绑扎前先用短钢管搭设绑扎平台,将基础梁的架立筋两端放在绑扎架上,画出箍筋间距,套上箍筋,按已画好的位置与梁上层钢筋绑扎牢靠,穿基础梁下层纵向钢筋,与箍筋绑扎。绑扎完后,抽出绑扎架,将已绑好的梁筋骨架落地。详见下图。工程名称潞城市潞安·颐龙湾小区二期车库交底部位地下车库基础钢筋绑扎共 页第 页交底内容: 2.2.5 摆放钢筋马镫:底板上下层钢筋之间采纳 HRB400 级 Φ16~Φ25 的钢筋加工制作的马镫铁支撑,间距@1000。马凳腿支撑点,不得接触板底,摆放时架在下层钢筋上。严格控制马凳高度,避开超高。然后绑扎基础底板上铁。马凳排距以保证上层钢筋的位置正确,按马凳及上层钢筋规格重量确定。外墙马镫距外墙里皮 500mm 处开始设置,作为导墙模板焊接支撑点用。马镫铁在底板内的设置及形...

1、当您付费下载文档后,您只拥有了使用权限,并不意味着购买了版权,文档只能用于自身使用,不得用于其他商业用途(如 [转卖]进行直接盈利或[编辑后售卖]进行间接盈利)。
2、本站所有内容均由合作方或网友上传,本站不对文档的完整性、权威性及其观点立场正确性做任何保证或承诺!文档内容仅供研究参考,付费前请自行鉴别。
3、如文档内容存在违规,或者侵犯商业秘密、侵犯著作权等,请点击“违规举报”。

碎片内容

地下车库钢筋绑扎技术交底

您可能关注的文档

确认删除?
VIP
微信客服
  • 扫码咨询
会员Q群
  • 会员专属群点击这里加入QQ群
客服邮箱
回到顶部