电脑桌面
添加小米粒文库到电脑桌面
安装后可以在桌面快捷访问

地辅热地面混凝土施工方案

地辅热地面混凝土施工方案_第1页
1/8
地辅热地面混凝土施工方案_第2页
2/8
地辅热地面混凝土施工方案_第3页
3/8
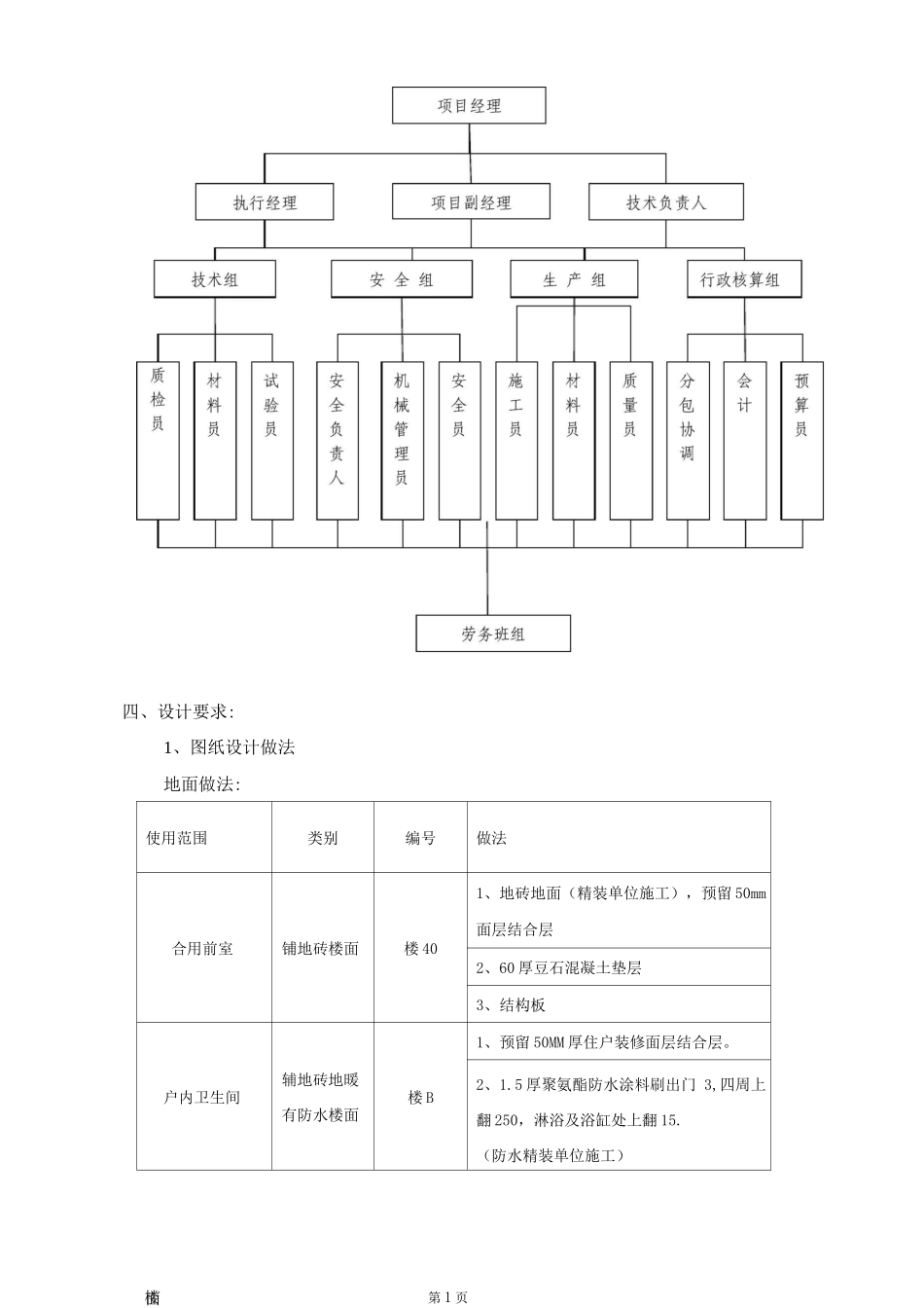
一、编制依据 1二、工程概况 1三、组织部署 1四、设计要求 2五、施工准备 4六、施工工艺 4七、质量标准 5八、成品保护 6九、雨季施工措施 6十、安全保证及文明施工 7地暖地面混凝土施工方案一、编制依据1、中海城 B 地块二期施工图2、建筑工程施工质量验收统一标准《GB503-2025》3、建筑地面工程施工质量验收法律规范《GB50209-2025》4、预拌混凝土《GB/T14902—2025》5、混凝土泵送施工技术法律规范《JGJ/T10-2025》6、混凝土用水标准《JGJ63-26》7、施工现场临时用电安全技术法律规范《JGJ46-25 》8、现行国家有关法律规范、标准和规程二、工程概况1、工程名称:中海城 B 地块二期三标段2、本工程位于西安市曲江新区中海城上元路西侧、创意大道北侧.3、建设单位:中海鼎盛(西安)房地产有限公司4、设计单位:中国建筑西北设计讨论院有限公司5、监理单位:西安普迈项目管理有限公司总建筑面积约 10.5 万 m2,由 28#、29#、30#、31#、32#、33#楼、地下车库组成,总建筑面积为 1050 平方米,剪力墙结构,地上 18 层,车库地下 2 层,框架结构。三、组织部署:管理体系如下图:四、设计要求:1、图纸设计做法地面做法:使用范围类别编号做法合用前室铺地砖楼面楼 401、地砖地面(精装单位施工),预留 50mm面层结合层2、60 厚豆石混凝土垫层3、结构板户内卫生间辅地砖地暖有防水楼面楼 B1、预留 50MM 厚住户装修面层结合层。2、1.5 厚聚氨酯防水涂料刷出门 3,四周上翻 250,淋浴及浴缸处上翻 15.(防水精装单位施工)楼面第 1 页3、最厚处 60mm 厚 C20 豆石混凝土,地暖管配钢丝网片随捣随抹平 0.5%坡向地漏.4、20 厚聚苯板保温层。5、结构板.厨房铺地砖地暖楼面楼 A1、预留 40MM 厚住户装修面层结合层.2、沿墙根、管道穿越处及烟道四周围刷1.5 厚聚氨酯防水涂料上翻 3 以上。3. 50mm 厚 C20 豆石混凝土,地暖管配钢丝网片随捣随抹平4、20 厚聚苯板保温层5、结构板阳台、装饰阳台铺地砖楼面楼 C1、预留 40MM 厚住户装修面层结合层2、1.5 厚聚氨酯防水涂料上翻面层以上250。(精装单位施工)3、最厚处 40mm 厚 C20 豆石混凝土找坡及垫层,随捣随抹平 1%坡向地漏。4、结构板,提浆、抹平,阴阳角砂浆抹圆。户内其余部分铺地砖地暖楼面楼 A1、预留 40MM 厚住户装修面层结合层2. 50mm 厚 C20 豆石混凝土,地暖管配钢丝网片随捣随抹平3、20 厚聚苯板保温层4、结构板水暖井混凝土楼...

1、当您付费下载文档后,您只拥有了使用权限,并不意味着购买了版权,文档只能用于自身使用,不得用于其他商业用途(如 [转卖]进行直接盈利或[编辑后售卖]进行间接盈利)。
2、本站所有内容均由合作方或网友上传,本站不对文档的完整性、权威性及其观点立场正确性做任何保证或承诺!文档内容仅供研究参考,付费前请自行鉴别。
3、如文档内容存在违规,或者侵犯商业秘密、侵犯著作权等,请点击“违规举报”。

碎片内容

地辅热地面混凝土施工方案

确认删除?
VIP
微信客服
  • 扫码咨询
会员Q群
  • 会员专属群点击这里加入QQ群
客服邮箱
回到顶部