电脑桌面
添加小米粒文库到电脑桌面
安装后可以在桌面快捷访问

基槽验线记录填写范例

基槽验线记录填写范例_第1页
1/3
基槽验线记录填写范例_第2页
2/3
基槽验线记录填写范例_第3页
3/3
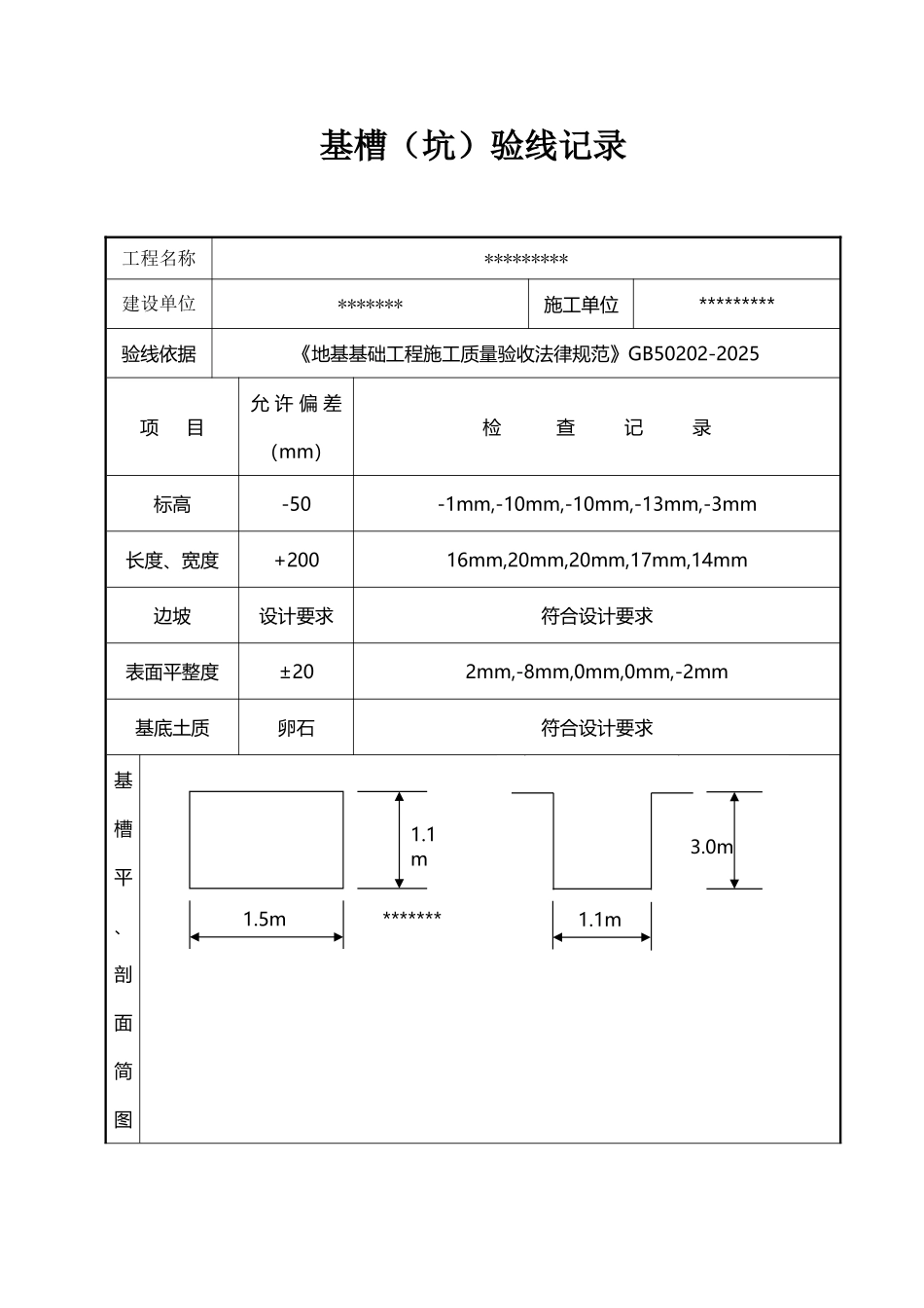
基槽验线记录填写范例(2页)Good is good, but better carries it.精益求精,善益求善。基槽(坑)验线记录工程名称*********建设单位*******施工单位*********验线依据《地基基础工程施工质量验收法律规范》GB50202-2025项 目允 许 偏 差 (mm)检 查 记 录标高-50-1mm,-10mm,-10mm,-13mm,-3mm长度、宽度+20016mm,20mm,20mm,17mm,14mm边坡设计要求符合设计要求表面平整度±202mm,-8mm,0mm,0mm,-2mm基底土质卵石符合设计要求基槽平、剖面简图1.5m1.1m3.3m3.5m*******3.8m1.1m3.0m检查验收意见符合要求施工技术负责人: 放线人: 专业质检员: ***年 月 日监理工程师:****年 ***月 ***日】>、^。&、[~{、【(',】`?·(…"、~·—、"】~

1、当您付费下载文档后,您只拥有了使用权限,并不意味着购买了版权,文档只能用于自身使用,不得用于其他商业用途(如 [转卖]进行直接盈利或[编辑后售卖]进行间接盈利)。
2、本站所有内容均由合作方或网友上传,本站不对文档的完整性、权威性及其观点立场正确性做任何保证或承诺!文档内容仅供研究参考,付费前请自行鉴别。
3、如文档内容存在违规,或者侵犯商业秘密、侵犯著作权等,请点击“违规举报”。

碎片内容

基槽验线记录填写范例

确认删除?
VIP
微信客服
  • 扫码咨询
会员Q群
  • 会员专属群点击这里加入QQ群
客服邮箱
回到顶部