电脑桌面
添加小米粒文库到电脑桌面
安装后可以在桌面快捷访问

塑料模计算公式

塑料模计算公式_第1页
1/2
塑料模计算公式_第2页
2/2
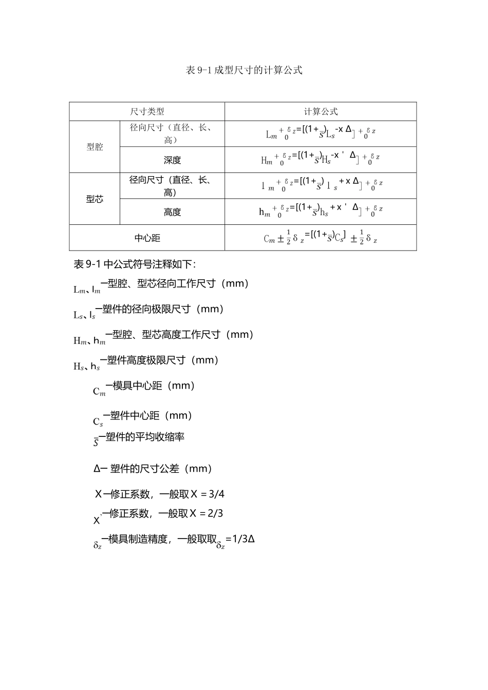
塑料模计算公式(1 页)Good is good, but better carries it.精益求精,善益求善。表 9-1 成型尺寸的计算公式尺寸类型计算公式型腔径向尺寸(直径、长、高)=[(1+ )-x ∆深度=[(1+ )-x' ∆型芯径向尺寸(直径、长、高)=[(1+ )+x ∆高度=[(1+ )+x' ∆中心距=[(1+ )]表 9-1 中公式符号注释如下:─型腔、型芯径向工作尺寸(mm)─塑件的径向极限尺寸(mm)─型腔、型芯高度工作尺寸(mm)─塑件高度极限尺寸(mm)─模具中心距(mm)─塑件中心距(mm)─塑件的平均收缩率∆─ 塑件的尺寸公差(mm)X─修正系数,一般取X=3/4─修正系数,一般取X=2/3─模具制造精度,一般取取=1/3∆-!?\(@\>-?·#|<%、:~—\…{…`/?`:\{

1、当您付费下载文档后,您只拥有了使用权限,并不意味着购买了版权,文档只能用于自身使用,不得用于其他商业用途(如 [转卖]进行直接盈利或[编辑后售卖]进行间接盈利)。
2、本站所有内容均由合作方或网友上传,本站不对文档的完整性、权威性及其观点立场正确性做任何保证或承诺!文档内容仅供研究参考,付费前请自行鉴别。
3、如文档内容存在违规,或者侵犯商业秘密、侵犯著作权等,请点击“违规举报”。

碎片内容

塑料模计算公式

您可能关注的文档

津创媒+ 关注
实名认证
内容提供者

欢迎交流文创,小店资料希望满足您的需要。

相关文档

确认删除?
VIP
微信客服
  • 扫码咨询
会员Q群
  • 会员专属群点击这里加入QQ群
客服邮箱
回到顶部