电脑桌面
添加小米粒文库到电脑桌面
安装后可以在桌面快捷访问

填石路基试验段

填石路基试验段_第1页
1/11
填石路基试验段_第2页
2/11
填石路基试验段_第3页
3/11
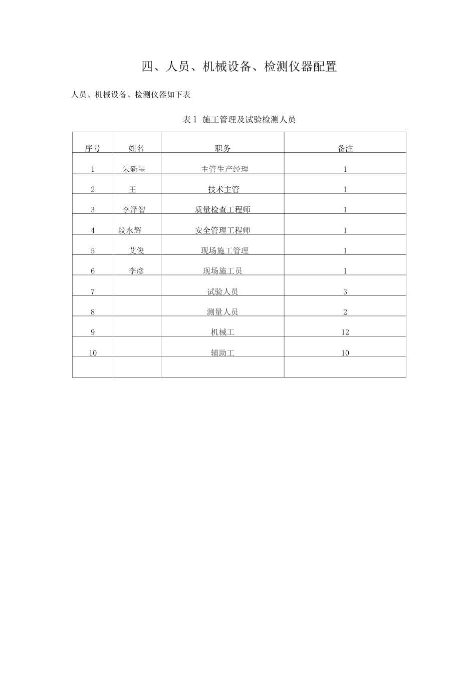
填石路基试验段施工组织方案一、编制依据1、根据合同段工程招、投标文件、施工图纸、合同文件等。2、通过现场调查、采集、咨询所获得的资料及现场施工条件。3、依据现行法律规范、标准:《公路路基施工技术法律规范》(JTGD30—24)《市政道路工程质量检验评定标准》(CJJ1 — 20 08)《公路土工试验规程》JTG E4 0-2 7)二、工程概述内陆港大道里程为 K0 + 0、K4 + 160,标段全长 4610 米。路基挖土石方 6762 30方,路基填土石方 64292 0 方。路基挖石方路基填筑,依据就近利用土石方调配方案本段路基填方为填石路基.根据工程的实际情况及路基试验段确定原则,我部拟定 K0 + 150〜K0 + 25 0 段为填石路基试验段。试验段长度为 1m,最高填方高度为 6m。路面宽度 5 0m,横坡为 2%,纵坡为 0.4 5%。填方拟利用借石作填.填筑过程中采纳推土机摊铺整型,振动压路机压实的方法分层填筑成型.三、试验段的目的在进行填石路基施工之前,通过填筑试验路段进行施工优化组合,找出主要问题,并加以解决,由此提出标准施工方法用以指导大面积施工,从而使整个工程施工质量高、进度快、经济效益显著其主要目的为:确定能够满足设计要求孔隙率标准及最大压实度标准的松铺厚度、压实机械型号及组合、压实速度计压实遍数、沉降差等参数。四、人员、机械设备、检测仪器配置人员、机械设备、检测仪器如下表表 1 施工管理及试验检测人员序号姓名职务备注1朱新星主管生产经理12王技术主管13李泽智质量检查工程师14段永辉安全管理工程师15艾俊现场施工管理16李彦现场施工员17试验人员38测量人员29机械工1210辅助工10表 2 试验段采纳机械设备表序号机械设备名称规格型号单位数量备注1挖掘机PC350台22装载机ZL50C台13振动压路机YZ20台24推土机TY160B台15洒水车EQ5141GTSTD台16自卸车CWB520HDL台8表 3 试验段试验和检测仪器设备表序号仪器设备名称规格型号数量台)用途备注1全站仪拓普康1平面测量2水准仪DZS3 -11高程测量350m 米尺1测量路基宽度43m 直尺1平整度五、试验段施工项目部已经完成全线控制点的复测、平差和加密工作。严格按设计文件提供的桩号进行桩位放样,并适当加桩,进行了断面测量,经过监理工程师确认。提前组织好施工机械的进场、调试,确保性能完好,保证路基清表和基底处理完成后能够迅速展开路基施工。1、施工准备在开工之前应平整场地,修筑和加宽便道,所有施工机械必须进入现场。2、填料填料采纳借石方作为填料.填...

1、当您付费下载文档后,您只拥有了使用权限,并不意味着购买了版权,文档只能用于自身使用,不得用于其他商业用途(如 [转卖]进行直接盈利或[编辑后售卖]进行间接盈利)。
2、本站所有内容均由合作方或网友上传,本站不对文档的完整性、权威性及其观点立场正确性做任何保证或承诺!文档内容仅供研究参考,付费前请自行鉴别。
3、如文档内容存在违规,或者侵犯商业秘密、侵犯著作权等,请点击“违规举报”。

碎片内容

填石路基试验段

人从众+ 关注
实名认证
内容提供者

欢迎光临小店,本店以公文和教育为主,希望符合您的需求。

确认删除?
VIP
微信客服
  • 扫码咨询
会员Q群
  • 会员专属群点击这里加入QQ群
客服邮箱
回到顶部