电脑桌面
添加小米粒文库到电脑桌面
安装后可以在桌面快捷访问

墙体及内墙装饰工程做法

墙体及内墙装饰工程做法_第1页
1/3
墙体及内墙装饰工程做法_第2页
2/3
墙体及内墙装饰工程做法_第3页
3/3
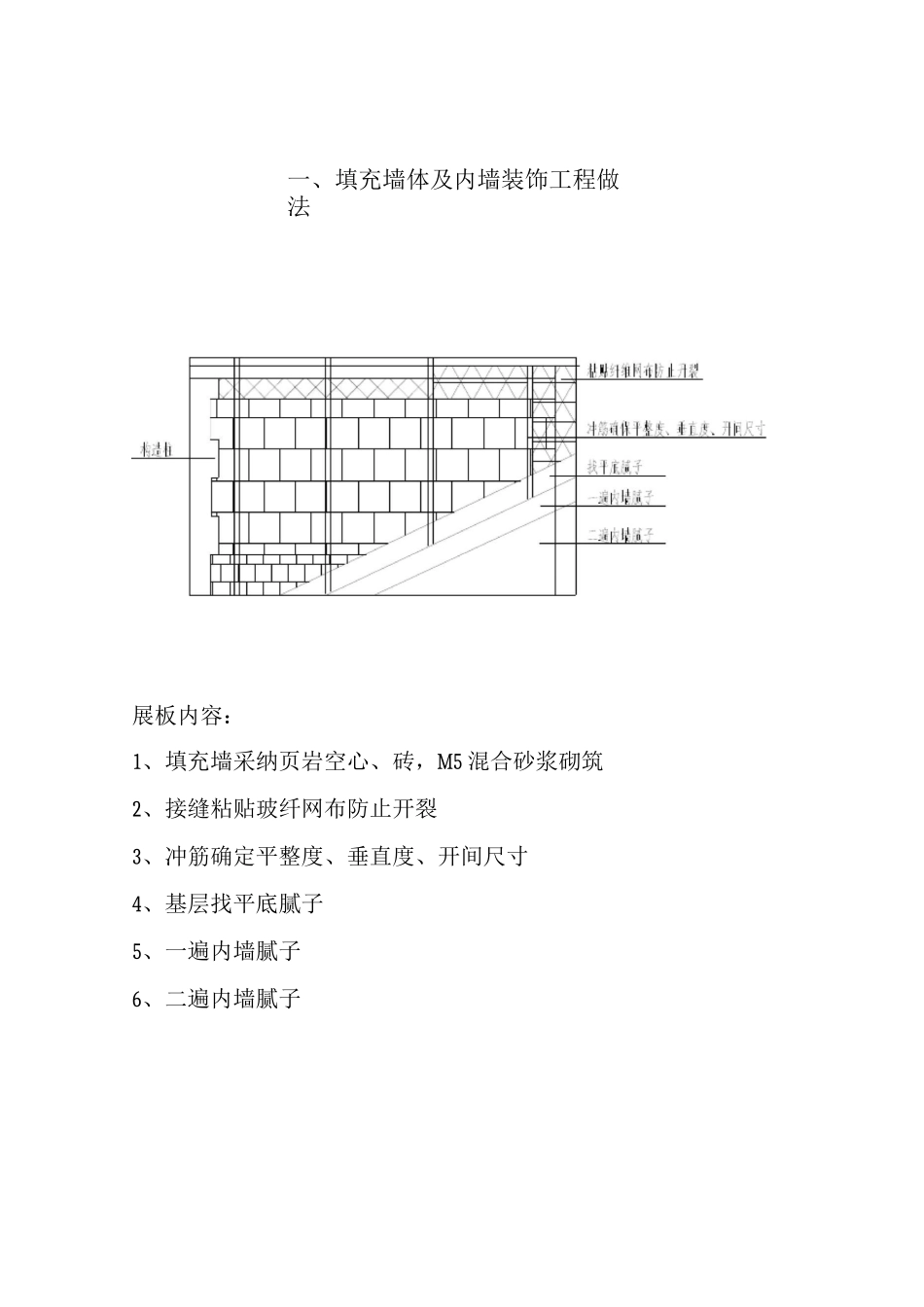
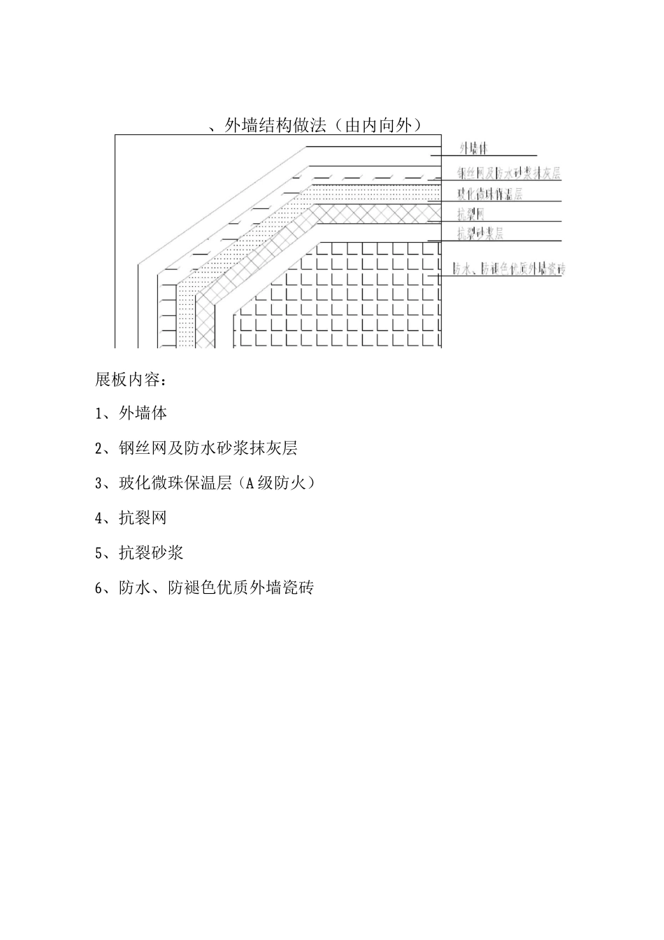
一、填充墙体及内墙装饰工程做法展板内容:1、填充墙采纳页岩空心、砖,M5 混合砂浆砌筑2、接缝粘贴玻纤网布防止开裂3、冲筋确定平整度、垂直度、开间尺寸4、基层找平底腻子5、一遍内墙腻子6、二遍内墙腻子、外墙结构做法(由内向外)展板内容:1、外墙体2、钢丝网及防水砂浆抹灰层3、玻化微珠保温层(A 级防火)4、抗裂网5、抗裂砂浆6、防水、防褪色优质外墙瓷砖三、卫生间构造做法展板内容:卫生间构造做法1、结构降板设计卫生间结构板低于厅房2、厨卫防水设计1)结构层2)防水砂浆找平层3)采纳合成高分子涂膜防水层与结构基层紧密粘结,防渗性能良好4)防水保护层四、屋面防水保温做法

1、当您付费下载文档后,您只拥有了使用权限,并不意味着购买了版权,文档只能用于自身使用,不得用于其他商业用途(如 [转卖]进行直接盈利或[编辑后售卖]进行间接盈利)。
2、本站所有内容均由合作方或网友上传,本站不对文档的完整性、权威性及其观点立场正确性做任何保证或承诺!文档内容仅供研究参考,付费前请自行鉴别。
3、如文档内容存在违规,或者侵犯商业秘密、侵犯著作权等,请点击“违规举报”。

碎片内容

墙体及内墙装饰工程做法

您可能关注的文档

津创媒+ 关注
实名认证
内容提供者

欢迎交流文创,小店资料希望满足您的需要。

确认删除?
VIP
微信客服
  • 扫码咨询
会员Q群
  • 会员专属群点击这里加入QQ群
客服邮箱
回到顶部