电脑桌面
添加小米粒文库到电脑桌面
安装后可以在桌面快捷访问

复合土钉墙施工方案

复合土钉墙施工方案_第1页
1/11
复合土钉墙施工方案_第2页
2/11
复合土钉墙施工方案_第3页
3/11
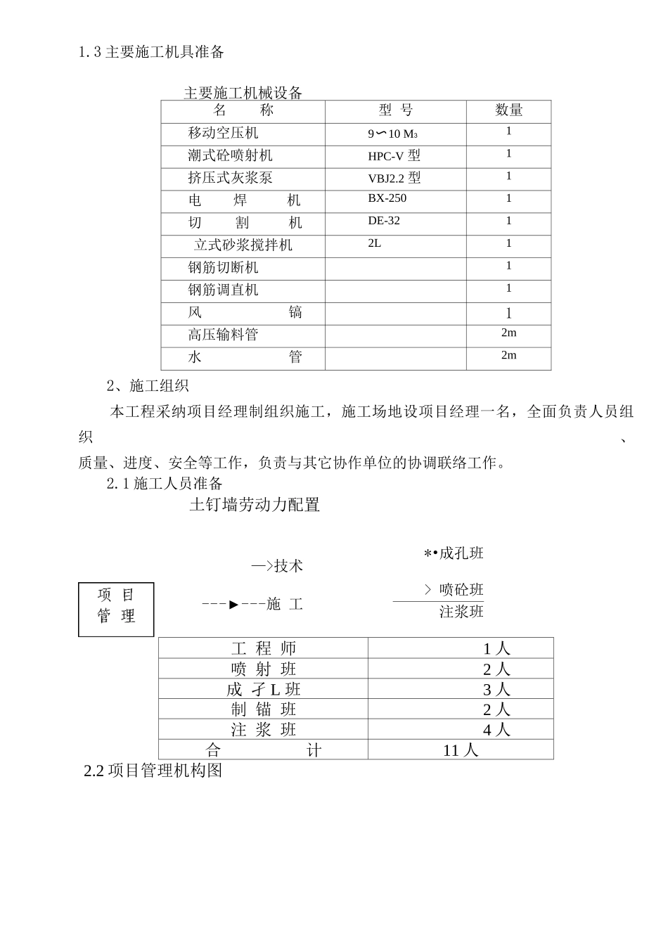
一、工程概况二、工程地质情况三、复合土钉支护方案四、施工组织设计五、施工进度计划六、特别情况的应急处理措施七、阻水技术措施八、质量保证措施九、安全生产措施及文明施工措施工程概况:西河名邸工程为了充分利用场地资源,本着安全可靠、节约经费、缩短工期、减少污染的原则,本基坑采纳复合土钉墙和搅拌桩挡土技 来保证该工程的基坑边坡稳定。二、 工程地质情况:(略)三、 复合土钉墙支护方案:1、施工依据1. 1 本工程施工执行下列我国现行法律规范、规程和标准:《建筑基坑支护技术规程》JGJ120—99《基坑土钉支护技术法律规范》 CECS96 97《土层锚杆设计与施工法律规范》CECS22-90《喷射混凝土施工技术规程》YBJ226 91四、 施工组织1、施工准备1。1 现场准备1.1。1 根据甲方提供现场条件,依据临时用电、临时用水布置,接通电源、水源。根据施工方案及施工进度计划,依据施工现场布置,提前安排施工机械进场,同时对施工机械进行试运转,保证施工机械运转正常,确保施工顺利进行.根据施工方案及施工进度计划,依据施工现场布置,提前安排材料进场,本工程所需钢材一次采购进场;水泥、黄砂及碎石分批进场,存量保证 3 天使用.1。2 技术准备施工前召集班组长以上人员及设计人员开技术交底会,根据设计要求,做好施工准备工作。技术人员、施工人员熟悉设计图纸和有关《规程》,明确施工图纸要求及有关质量检验评定标准,明确工程质量保证措施、施工安全措施及文明施工要求。明确施工方案,熟悉施工顺序,协调各工种之间关系,确保工程质量,做到万无一失。1.3 主要施工机具准备主要施工机械设备名称型 号数量移动空压机9〜10 M31潮式砼喷射机HPC-V 型1挤压式灰浆泵VBJ2.2 型1电焊机BX-2501切割机DE-321立式砂浆搅拌机2L1钢筋切断机1钢筋调直机1风镐1高压输料管2m水管2m2、施工组织本工程采纳项目经理制组织施工,施工场地设项目经理一名,全面负责人员组织、质量、进度、安全等工作,负责与其它协作单位的协调联络工作。2.1 施工人员准备土钉墙劳动力配置工 程 师1 人喷 射 班2 人成 孑 L 班3 人制 锚 班2 人注 浆 班4 人合计11 人2.2 项目管理机构图—>技术---►---施 工*•成孔班> 喷砼班注浆班3、施工工艺3。1 基坑开挖应自上而下分层进行,每次开挖高度按锚管的排距左右开挖,横向应分块段间隔开挖,不允许随意开挖或一挖到底,并随时开挖随时支护,即挖土应服从喷锚网支护工作的程序及安排。...

1、当您付费下载文档后,您只拥有了使用权限,并不意味着购买了版权,文档只能用于自身使用,不得用于其他商业用途(如 [转卖]进行直接盈利或[编辑后售卖]进行间接盈利)。
2、本站所有内容均由合作方或网友上传,本站不对文档的完整性、权威性及其观点立场正确性做任何保证或承诺!文档内容仅供研究参考,付费前请自行鉴别。
3、如文档内容存在违规,或者侵犯商业秘密、侵犯著作权等,请点击“违规举报”。

碎片内容

复合土钉墙施工方案

您可能关注的文档

确认删除?
VIP
微信客服
  • 扫码咨询
会员Q群
  • 会员专属群点击这里加入QQ群
客服邮箱
回到顶部