电脑桌面
添加小米粒文库到电脑桌面
安装后可以在桌面快捷访问

安全文明施工保证措施6

安全文明施工保证措施6_第1页
1/5
安全文明施工保证措施6_第2页
2/5
安全文明施工保证措施6_第3页
3/5
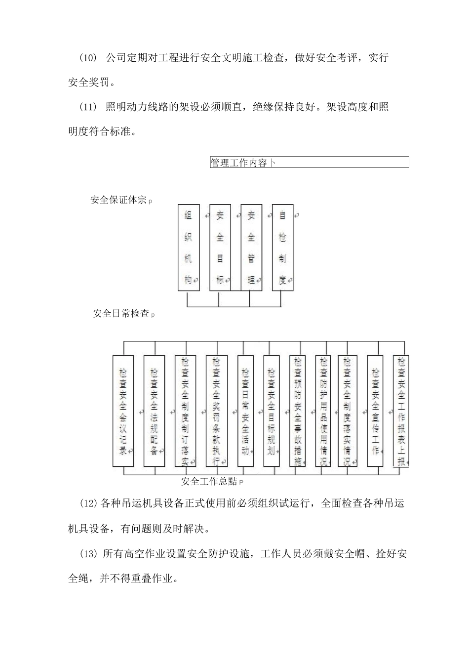
安全管理组织及目标建立健全安全管理组织机构,其管理职能为负责对生产安全工作的指导、检查、监督、评比、奖罚、事故处理及整改措施的审核检查落实建立针对本工程及场地环境的文明标化施工场地管理制安全管理机构,教育职工树立社会主义道德风尚,严禁聚众赌博、酗酒、打架斗殴和扰社会治安和居民生活秩序事件发生,树立文明施工形象。安全保证体系及安全管理工作程序见《安全管理机构图》、及《安全管理工作程序图》。安令管理虱可图、安全保证措施⑴ 建立安全保障体系,领导挂帅,全员参加,使安全工作制度化、经营化、保证工程安全贯穿施工全过程。(2)仔细贯彻执行国家安全生产的方针政策以及市政府有关法令,坚持“安全生产,预防为主”的方针,做到挂证上岗,确保与工程有关的活动在保证安全的情况下进行。(3) 根据工程的实际情况,编制详细的安全操作规程、细则,制定切实可行的安全技术措施。(4) 建立以岗位制为中心的安全生产责任制,健全安全保障系统,做到制度明确,责任到人,奖罚分明。(5) 工程队队长为安全生产的第一责任人,主管生产的副队长直接管安全。工程队设安监室并配专职安监工程师,工班设兼职安全员,坚持每周一的安全活动日,并作好各种记录(6) 在编制施工计划的同时,编制详细的安全操作规程,制定切实可行的安全措施。在安排总结生产的同时,必须安排总结安全工作。(7) 对施工生活区域进行定期或不定期的安全检查,及时发现和解决不安全的事故苗头,杜绝违章作业和违章指挥。(8) 建立防洪、防火组织,配齐消防设施,制订三防措施和管理制度,使防洪、防火落实到实处。(9) 加强持证上岗管理,搞好特种作业人员培训考核,做到特种作业人员持证上岗。所持证件必须专业对应,并是有效期内由市级管理部门颁发的有效证件。(10) 公司定期对工程进行安全文明施工检查,做好安全考评,实行安全奖罚。(11) 照明动力线路的架设必须顺直,绝缘保持良好。架设高度和照明度符合标准。管理工作内容卜安全保证体宗 p安全日常检查 p安全工作总黠 P(12)各种吊运机具设备正式使用前必须组织试运行,全面检查各种吊运机具设备,有问题则及时解决。(13) 所有高空作业设置安全防护设施,工作人员必须戴安全帽、拴好安全绳,并不得重叠作业。(14) 对山体有裂缝的危岩地段,加强观察与量测,情况早报告,早处理。(15) 每一工序开工前,做好施工技术及安全工作的交底,并在施工过程中督促检查,严格执行。(16) 加强安全检查,凡检...

1、当您付费下载文档后,您只拥有了使用权限,并不意味着购买了版权,文档只能用于自身使用,不得用于其他商业用途(如 [转卖]进行直接盈利或[编辑后售卖]进行间接盈利)。
2、本站所有内容均由合作方或网友上传,本站不对文档的完整性、权威性及其观点立场正确性做任何保证或承诺!文档内容仅供研究参考,付费前请自行鉴别。
3、如文档内容存在违规,或者侵犯商业秘密、侵犯著作权等,请点击“违规举报”。

碎片内容

安全文明施工保证措施6

确认删除?
VIP
微信客服
  • 扫码咨询
会员Q群
  • 会员专属群点击这里加入QQ群
客服邮箱
回到顶部