电脑桌面
添加小米粒文库到电脑桌面
安装后可以在桌面快捷访问

安全生产管理体系及保证措施

安全生产管理体系及保证措施_第1页
1/18
安全生产管理体系及保证措施_第2页
2/18
安全生产管理体系及保证措施_第3页
3/18
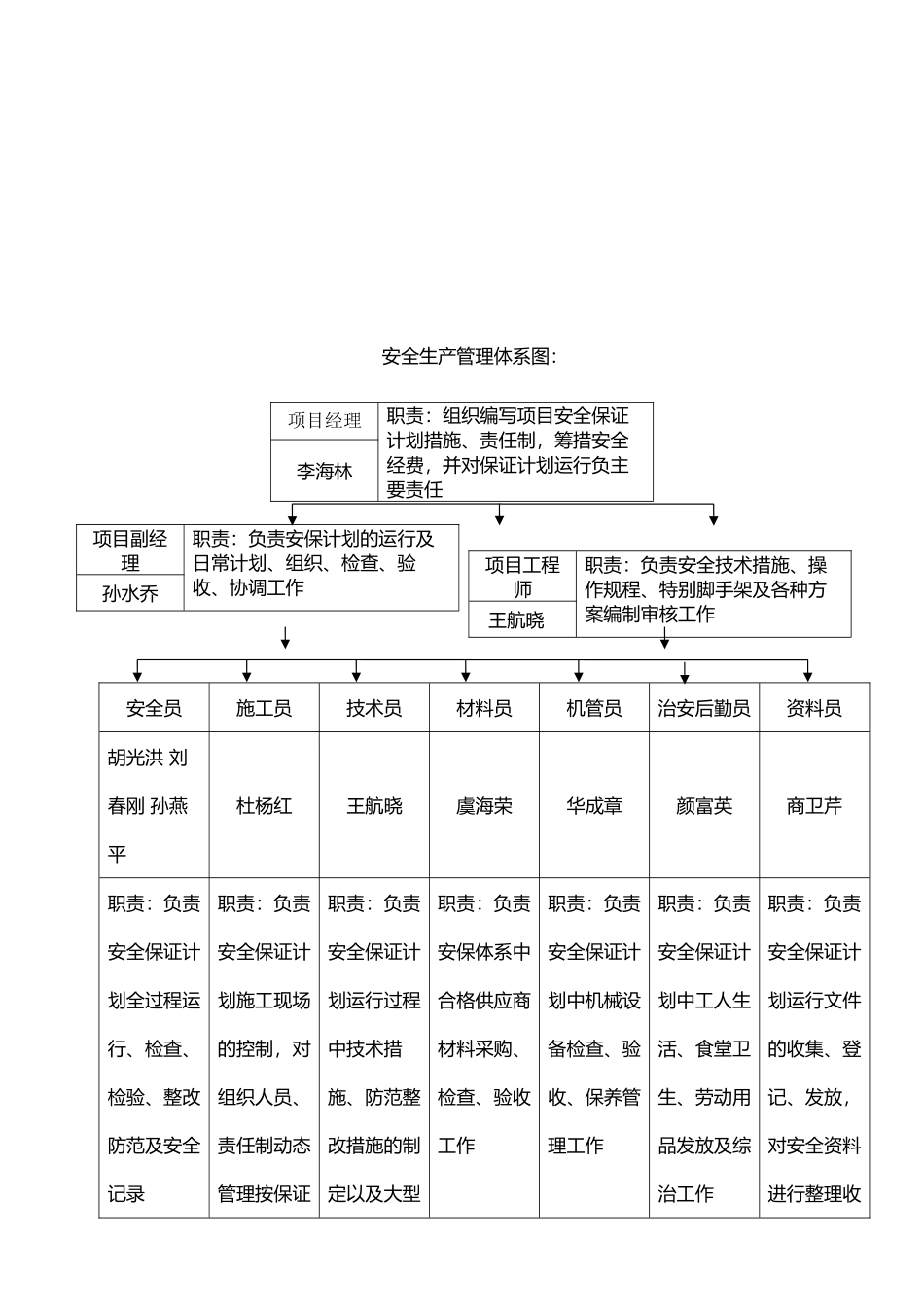
安全生产管理体系及保证措施(10 页)Good is good, but better carries it.精益求精,善益求善。施工安全生产管理体系(一)、安全生产管理体系根据项目部安全生产责任制的规定,成立以项目经理为第一责任人、项目副经理为分项安全责任人的安全保证体系,监督和指导各职能部室的安全生产行为。安全生产管理体系实行项目经理负责制,设置专管安全的项目副经理,领导各级生产指挥人员贯彻、落实安全生产方面的各项规章制度和保证措施,确保安全生产。安全生产的日常工作由安全副经理、安全员负责。在安全副经理、安全员的指导下,组织全体上岗人员进行岗前安全教育,特种作业人员必须经过培训合格后,持有效证件上岗,杜绝盲目指挥冒险作业。安全生产管理体系图:安全员施工员技术员材料员机管员治安后勤员资料员胡光洪 刘春刚 孙燕平杜杨红王航晓虞海荣华成章颜富英商卫芹职责:负责安全保证计划全过程运行、检查、检验、整改防范及安全记录职责:负责安全保证计划施工现场的控制,对组织人员、责任制动态管理按保证职责:负责安全保证计划运行过程中技术措施、防范整改措施的制定以及大型职责:负责安保体系中合格供应商材料采购、检查、验收工作职责:负责安全保证计划中机械设备检查、验收、保养管理工作职责:负责安全保证计划中工人生活、食堂卫生、劳动用品发放及综治工作职责:负责安全保证计划运行文件的收集、登记、发放,对安全资料进行整理收项目经理职责:组织编写项目安全保证计划措施、责任制,筹措安全经费,并对保证计划运行负主要责任李海林项目副经理职责:负责安保计划的运行及日常计划、组织、检查、验收、协调工作孙水乔项目工程师职责:负责安全技术措施、操作规程、特别脚手架及各种方案编制审核工作 王航晓计划的规定进行操作机械安装拆除方案、施工用电等方案的编制集木工班长架子班长钢筋班长泥工班长安装班长仓库保管员黄国军鲁艳军曹吉安汤家友韩世金刘炎松职责:负责安全保证计划中木工班施工现场的管理,按规定进行操作职责:负责安全保证计划中架子班施工现场的管理,按规定进行操作职责:负责安全保证计划中钢筋班施工现场的管理,按规定进行操作职责:负责安全保证计划中泥工班施工现场的管理,按规定进行操作职责:负责安全保证计划中安装班施工现场的管理,按规定进行操作职责:负责安全保证计划中合格供应商的合格材料、防护用品的进库验收、收证工作(二)安全生产责任制度:1.项目经理安全生产职责...

1、当您付费下载文档后,您只拥有了使用权限,并不意味着购买了版权,文档只能用于自身使用,不得用于其他商业用途(如 [转卖]进行直接盈利或[编辑后售卖]进行间接盈利)。
2、本站所有内容均由合作方或网友上传,本站不对文档的完整性、权威性及其观点立场正确性做任何保证或承诺!文档内容仅供研究参考,付费前请自行鉴别。
3、如文档内容存在违规,或者侵犯商业秘密、侵犯著作权等,请点击“违规举报”。

碎片内容

安全生产管理体系及保证措施

确认删除?
VIP
微信客服
  • 扫码咨询
会员Q群
  • 会员专属群点击这里加入QQ群
客服邮箱
回到顶部