电脑桌面
添加小米粒文库到电脑桌面
安装后可以在桌面快捷访问

定位放线记录

定位放线记录_第1页
1/14
定位放线记录_第2页
2/14
定位放线记录_第3页
3/14
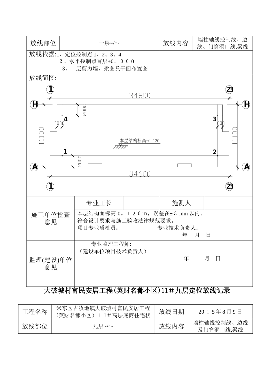
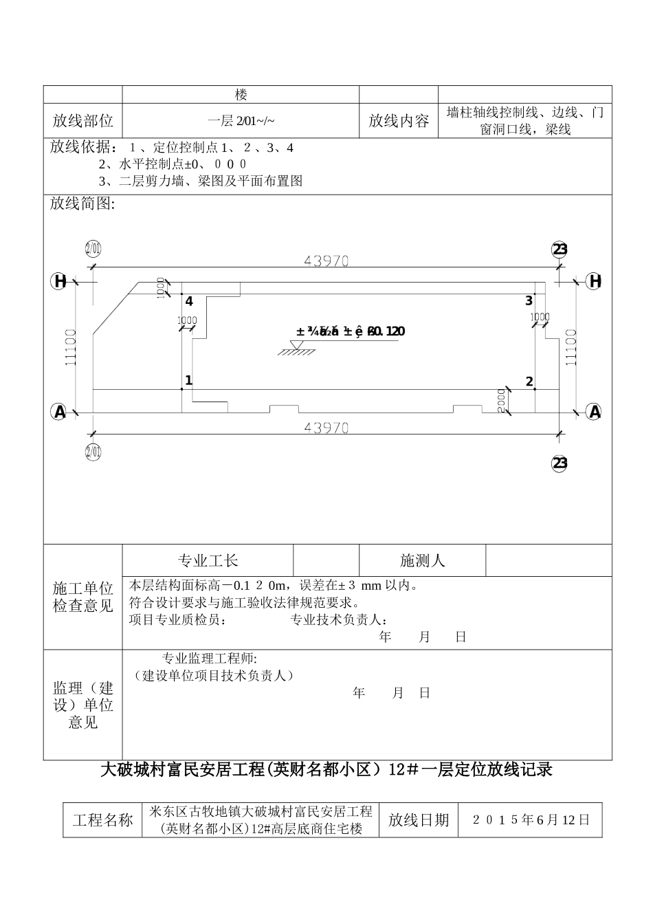
大破城村富民安居工程(英财名都小区)11#二层定位放线记录工程名称米东区古牧地镇大破城村富民安居工程(英财名都小区)11#高层底商住宅楼放线日期2 01 5 年6月 18 日放线部位二层~/~放线内容墙柱轴线控制线、边线、门窗洞口线,梁线放线依据:1、定位控制点 1、2、3、4 2、水平控制点首层±0、0 00 3、二层剪力墙、梁图及平面布置图放线简图:施工单位检查意见专业工长施测人本层结构面标高 3.4 8 0m,误差在±3m m以内。符合设计要求与施工验收法律规范要求。项目专业质检员: 专业技术负责人: 年 月 日监理(建设)单位意见专业监理工程师:(建设单位项目技术负责人) 年 月 日大破城村富民安居工程(英财名都小区)11#一层定位放线记录工程名称米东区古牧地镇大破城村富民安居工程(英财名都小区)11#高层底商住宅放线日期2 015 年 6 月 10 日楼放线部位一层 2/01~/~放线内容墙柱轴线控制线、边线、门窗洞口线,梁线放线依据:1、定位控制点 1、2、3、4 2、水平控制点±0、0 0 0 3、二层剪力墙、梁图及平面布置图放线简图:施工单位检查意见专业工长施测人本层结构面标高-0.1 2 0m,误差在±3 mm 以内。符合设计要求与施工验收法律规范要求。项目专业质检员: 专业技术负责人: 年 月 日监理(建设)单位意见专业监理工程师:(建设单位项目技术负责人) 年 月 日大破城村富民安居工程(英财名都小区)12#一层定位放线记录工程名称米东区古牧地镇大破城村富民安居工程(英财名都小区)12#高层底商住宅楼放线日期20 1 5年 6 月 12 日放线部位一层~/~放线内容墙柱轴线控制线、边线、门窗洞口线,梁线放线依据:1、定位控制点 1、2、3、4 2、水平控制点首层±0、00 0 3、一层剪力墙、梁图及平面布置图放线简图:施工单位检查意见专业工长施测人本层结构面标高-0。1 2 0m,误差在±3 mm 以内。符合设计要求与施工验收法律规范要求。项目专业质检员: 专业技术负责人: 年 月 日监理(建设)单位意见专业监理工程师:(建设单位项目技术负责人) 年 月 日大破城村富民安居工程(英财名都小区)11#九层定位放线记录工程名称米东区古牧地镇大破城村富民安居工程(英财名都小区)1 1#高层底商住宅楼放线日期20 1 5 年 8 月 9 日放线部位九层~/~放线内容墙柱轴线控制线、边线及门窗洞口线,梁线放线依据:1、定位控制点1、2、3、4 2、水平控制点首层±0...

1、当您付费下载文档后,您只拥有了使用权限,并不意味着购买了版权,文档只能用于自身使用,不得用于其他商业用途(如 [转卖]进行直接盈利或[编辑后售卖]进行间接盈利)。
2、本站所有内容均由合作方或网友上传,本站不对文档的完整性、权威性及其观点立场正确性做任何保证或承诺!文档内容仅供研究参考,付费前请自行鉴别。
3、如文档内容存在违规,或者侵犯商业秘密、侵犯著作权等,请点击“违规举报”。

碎片内容

定位放线记录

您可能关注的文档

确认删除?
VIP
微信客服
  • 扫码咨询
会员Q群
  • 会员专属群点击这里加入QQ群
客服邮箱
回到顶部