电脑桌面
添加小米粒文库到电脑桌面
安装后可以在桌面快捷访问

密封胶作业指导书

密封胶作业指导书_第1页
1/9
密封胶作业指导书_第2页
2/9
密封胶作业指导书_第3页
3/9
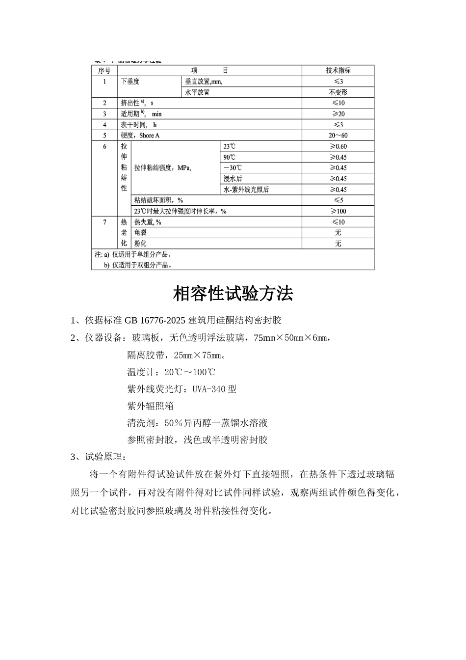
密封胶作业指导书审批: 毛成秀 实施日期: 2025 年 11 月 01 日 四川省科信建设工程质量检测鉴定有限公司1. 要求1.1 外观:产品应为细腻,均匀膏状物,无气泡,结块,凝胶,结皮,无不易分散得析出物。 双组分产品两组分得颜色应用明显区别。1、2 材料物理性能要求相容性试验方法1、依据标准 GB 16776-2025 建筑用硅酮结构密封胶2、仪器设备:玻璃板,无色透明浮法玻璃,75mm×50mm×6mm, 隔离胶带,25mm×75mm。 温度计:20℃~100℃ 紫外线荧光灯:UVA-340 型 紫外辐照箱 清洗剂:50%异丙醇一蒸馏水溶液 参照密封胶,浅色或半透明密封胶3、试验原理:将一个有附件得试验试件放在紫外灯下直接辐照,在热条件下透过玻璃辐照另一个试件,再对没有附件得对比试件同样试验,观察两组试件颜色得变化,对比试验密封胶同参照玻璃及附件粘接性得变化。光照试件得位置4、 试样得制备4、1 在玻璃表面用 50%异丙醇一蒸馏水溶液并用洁净布擦拭洁净。4、2 按下图在玻璃得一端粘贴隔离胶带,覆盖宽度约为 25mm。4、3 根据上图制作 8 块试件,4 块就是无附件得对比试件,另外 4 块就是有附件得试验试件截切成条状,尺寸为 6mm×6mm×50mm,放在玻璃板中间,对比试件与试验试件得制备方法相同,只就是不加附件。4、4 将试验密封胶挤注在附件得一侧,参照密封胶挤在附件得另一侧,用刮刀整理密封胶与附件上端面及侧面紧密接触,并与玻璃密实粘结,两种胶得相接处应高于附件上端约 3mm。5、试件得养护与处理5、1 制备得试件在标准条件下养护 7d,取两个实验试件与两个对比试件,玻璃面朝下放置在紫外辐照箱中,再放入两个实验试件与两个对比试件,玻璃面朝上放置,在紫外灯下辐照 21d。5、2 为保证紫外辐照强度在一定范围内,紫外灯使用 8 周后应更换,为保证均匀辐照,每两周按下图更换灯泡,去除 3#灯泡,将 2#灯泡移到 3#灯得位置,将1#灯移到 2#灯得位置,将 4#灯移到 1#灯得位置,在 4#灯得位置安置一个新灯泡。5、3 实验箱得温度应控制在(48±2)℃(距离试件 5mm 处测量),试件表面温度每周测一次。6、实验步骤6、1 试件编号后将试件放置在紫外线下,记录试件放置得方向,6、2 实验后从紫外箱中取出试件,在 23℃冷却 4h。6、3 用手握住隔离带上得密封胶,与玻璃成 90°方向用力拉密封胶,使密封胶从玻璃从玻璃粘接处剥离。6、4 破坏面积得测量,采纳透过印制有 1mm×1mm 网格线得透明...

1、当您付费下载文档后,您只拥有了使用权限,并不意味着购买了版权,文档只能用于自身使用,不得用于其他商业用途(如 [转卖]进行直接盈利或[编辑后售卖]进行间接盈利)。
2、本站所有内容均由合作方或网友上传,本站不对文档的完整性、权威性及其观点立场正确性做任何保证或承诺!文档内容仅供研究参考,付费前请自行鉴别。
3、如文档内容存在违规,或者侵犯商业秘密、侵犯著作权等,请点击“违规举报”。

碎片内容

密封胶作业指导书

MY shop+ 关注
实名认证
内容提供者

欢迎挑选适合自己的材料。

确认删除?
VIP
微信客服
  • 扫码咨询
会员Q群
  • 会员专属群点击这里加入QQ群
客服邮箱
回到顶部