电脑桌面
添加小米粒文库到电脑桌面
安装后可以在桌面快捷访问

工程管理目标

工程管理目标_第1页
1/4
工程管理目标_第2页
2/4
工程管理目标_第3页
3/4
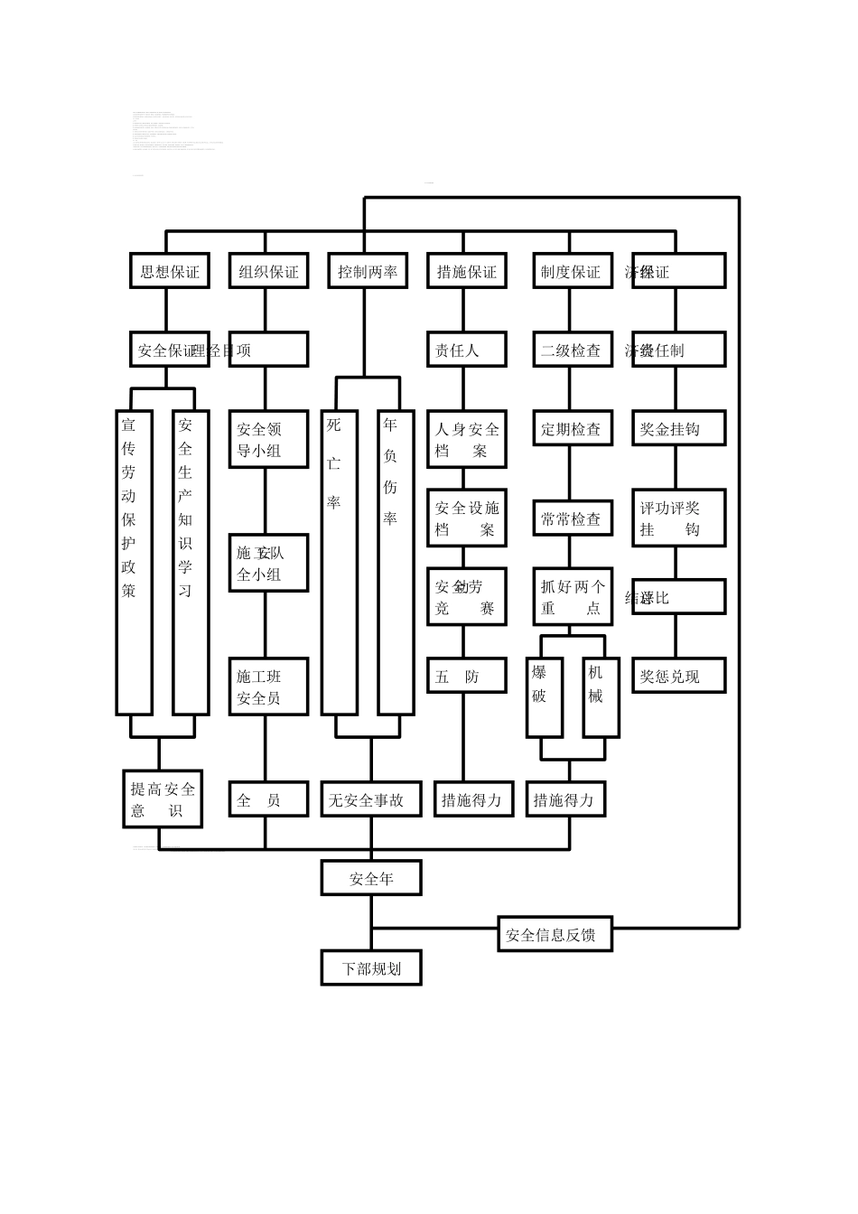
工程管理目标一、安全目标坚持“安全第一,预防为主”的方针,建立健全安全管理组织机构,完善安全生产保证体系,杜绝特别重大、重大、大事故,杜绝死亡事故,防止一般事故的发生。消灭一切责任事故,确保人民生命财产不受损害。创建安全生产标准施工场地。二、质量目标全部工程达到国家、建设部现行的工程质量验收标准。工程一次验收合格率达到100%,优良率达到95%以上,并满足全线创优规划要求。三、工期目标本标段工程2025年5 月25日开工,2025年11月20日竣工,总工期5 个月。四、工作计划一)、工期管理机构人员及措施为了按期完成本标段工程,将配备专业施工队伍和足够数量的施工设备,提高质量确保安全,降低成本进行组织施工,最终提供符合要求的产品。项目部以项目经理为首的领导班子,发挥总工程师、各部门负责人、各段施工负责人、项目生产班组组长直至班组施工人员的作用,根据工程的进展情况和施工的难易程度确定各阶段合理的施工人员数量和分工。全力以赴确保工期的实现,坚持科学组织、分工与密切合作相结合。建立运作良好的项目的组织机构,较强的项目领导班子,可靠的技术工人,必须按时按质的完成本工程。1、实现工期目标措施(1)、本项目工程为重点工程,项目经理部将组织强有力的技术人员有效运行的负责本工程的施工管理,提供优先的人力、物力和设备保证。(2)、 按项目法组织施工,层层分解落实工期目标,建立和健全工期目标岗位责任制,制定工期控制措施。(3)、 施工过程中,仔细做好工程的统筹计划工作,协调好各施工队、各工序的施工安排。(4)、 为了加快进度,个别关键工序,必须打破常规,实行24小时工作制,人员分成2-3 班做到人停机不停,以优质、快速、高效地完成施工任务,保证施工工期;(5)、取得当地有关部门支持,搞好与群众的关系,为工程施工制造一个良好的环境,使工程施工不受外界的干扰和破坏,保证施工的顺利进行。(6)、在工期管理上,建立和健全以岗位责任制为中心的各项管理制度,根据季、月、周施工计划,定期检查计划的完成情况,做到“有计划、有措施、有落实、有检查”。(7)、严格执行项目部计划会议制度。安排现场布置各工种的工作内容,落实计划完成情况及确定下一周的工作计划,重大问题及时向项目经理汇报。(8)、坚持工程技术人员跟班作业制度,以便及时发现和处理施工中遇到的各种问题,避开窝工、停工、返工等现象的发生。(9)、工程进度一旦受影响,仔细讨论,挖掘潜力...

1、当您付费下载文档后,您只拥有了使用权限,并不意味着购买了版权,文档只能用于自身使用,不得用于其他商业用途(如 [转卖]进行直接盈利或[编辑后售卖]进行间接盈利)。
2、本站所有内容均由合作方或网友上传,本站不对文档的完整性、权威性及其观点立场正确性做任何保证或承诺!文档内容仅供研究参考,付费前请自行鉴别。
3、如文档内容存在违规,或者侵犯商业秘密、侵犯著作权等,请点击“违规举报”。

碎片内容

工程管理目标

您可能关注的文档

确认删除?
VIP
微信客服
  • 扫码咨询
会员Q群
  • 会员专属群点击这里加入QQ群
客服邮箱
回到顶部