电脑桌面
添加小米粒文库到电脑桌面
安装后可以在桌面快捷访问

工程量确认表

工程量确认表_第1页
1/12
工程量确认表_第2页
2/12
工程量确认表_第3页
3/12
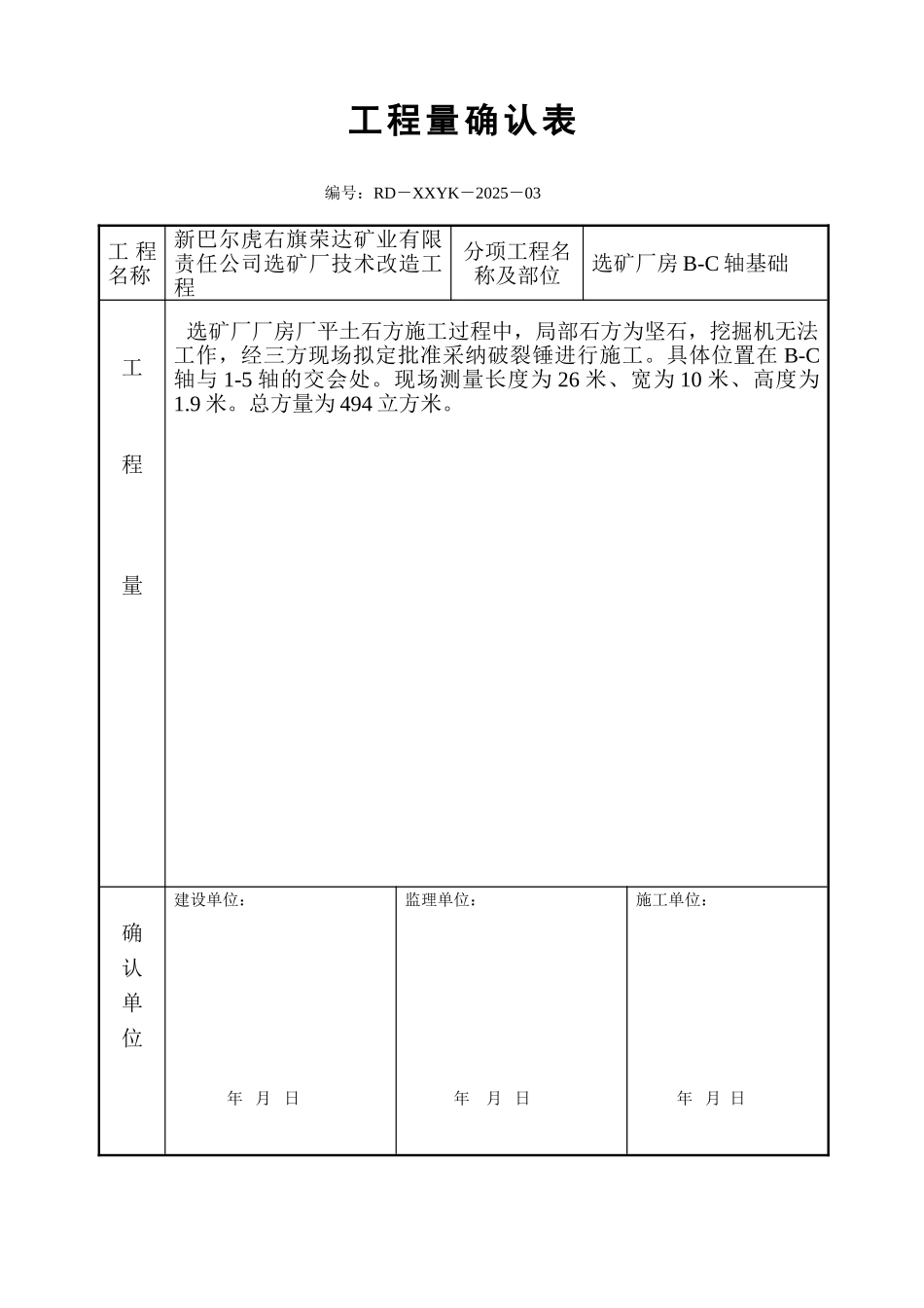
工程量确认表 编号:RD-XXYK-2025-03工 程名称新巴尔虎右旗荣达矿业有限责任公司选矿厂技术改造工程分项工程名称及部位选矿厂房 B-C 轴基础工程量 选矿厂厂房厂平土石方施工过程中,局部石方为坚石,挖掘机无法工作,经三方现场拟定批准采纳破裂锤进行施工。具体位置在 B-C轴与 1-5 轴的交会处。现场测量长度为 26 米、宽为 10 米、高度为1.9 米。总方量为 494 立方米。确认单位建设单位: 年 月 日监理单位: 年 月 日施工单位: 年 月 日 变更告知单 编号:BG-RLXY-2025-工程名称所属协议施工单位协议编号承担费用提出部门□设计院 □甲方技术部 □甲方工程部 □甲方营销部 □甲方项目部 □乙方 □监理变更因素施工前变更内容甲方现场主管工程师签字: 年 月 日技术: 年 月 日工程: 年 月 日核算: 年 月 日公司主管领导: 年 月 日施工后完毕情况(工程量、质量、工期等) :施工单位: 年 月 日监理公司: 年 月 日现场工程师: 年 月 日工程部经理: 年 月 日备注:1、本签证如涉及费用增减,施工单位应在收到本告知后3日内,就上述变更事项需增减的费用向我方核算部申报预算,并附具体工程量计算书及预算书。2、本告知单在施工前由建设单位盖章下发,施工单位据此施工;在施工完毕后 3 日内,工程部会同监理公司核验并签署验收意见后,于验收当天报送建设单位盖章后,方为一份完整的变更。3、任一环节的缺失,建设单位均不予结算。变更、签证工作流程(内部)1、目的:确认合理的变更与签证程序,控制变更、签证的费用。2、范围:合用于本公司所有在建工程的变更及签证项目。3、部门职责:3.1.工程部是变更、签证实行的见证部门。3.1.1.项目主管工程师确认签证及变更实行的情况及工程量,并负责对签证因素进行解释、填报。3.1.2.部门经理负责签证的审批。3.2.技术部是变更的见证部门。3.2.1.项目主管工程师对变更单进行确认及说明变更因素。3.2.2.部门经理负责变更的审批。3.3.核算部负责对变更及签证进行费用核算,同时根据需要可对变更、签证的实行情况进行核查。3.4 办公室做为公司印章保管部门,负责对签字齐全的变更、签证、竣工确认单进行编号、签章确认后 1 日内分发,并建立相应的用章登记台帐,负责将签章完毕的单据分发各相关部门。4、办理程序:4.1.变更。4.1.1 在优化设计前,由技术部根据需要召集营销部、工程部、核算部、施工单位相关人员开会讨论变...

1、当您付费下载文档后,您只拥有了使用权限,并不意味着购买了版权,文档只能用于自身使用,不得用于其他商业用途(如 [转卖]进行直接盈利或[编辑后售卖]进行间接盈利)。
2、本站所有内容均由合作方或网友上传,本站不对文档的完整性、权威性及其观点立场正确性做任何保证或承诺!文档内容仅供研究参考,付费前请自行鉴别。
3、如文档内容存在违规,或者侵犯商业秘密、侵犯著作权等,请点击“违规举报”。

碎片内容

工程量确认表

您可能关注的文档

确认删除?
VIP
微信客服
  • 扫码咨询
会员Q群
  • 会员专属群点击这里加入QQ群
客服邮箱
回到顶部