电脑桌面
添加小米粒文库到电脑桌面
安装后可以在桌面快捷访问

市政工程试验检测频率执行标准汇总

市政工程试验检测频率执行标准汇总_第1页
1/7
市政工程试验检测频率执行标准汇总_第2页
2/7
市政工程试验检测频率执行标准汇总_第3页
3/7
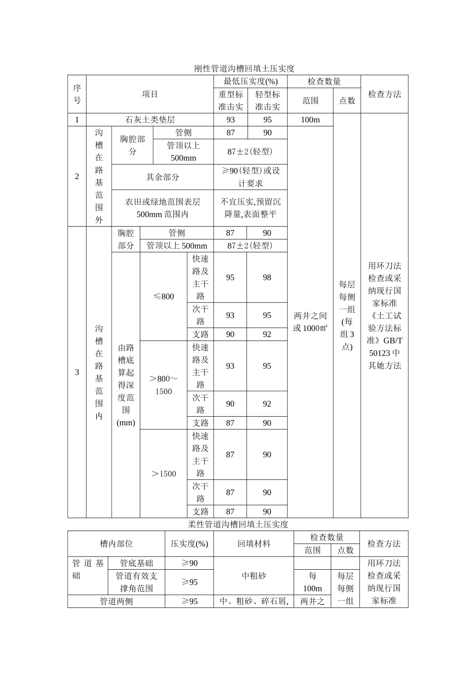
市政工程1、《城镇道路工程施工与质量验收法律规范》CJJ 12025本法律规范适用于城镇新建、改建、扩建得道路及广场、停车场等工程得施工与质量检验、验收。 原材料、半成品或成品得质量标准,凡本法律规范有规定者,应根据执行;无规定者,应按国家现行得有关标准执行。施工前,应根据工程地质勘查报告,对路基土进行天然含水量、液限、塑限、标准击实、CBR 试验,必要时应做颗粒分析、有机质含量、易溶盐含量、冻膨胀与膨胀量等试验。(频率每次 5000m3~1 万 m3) a 路基(路床)压实度:每 1000㎡、每压实层抽检 3 点;弯沉值:每车道、每 20m 测 1 点。人行道路床与基层压实度:每 100m 查 2 点;路肩压实度:每 100m,每侧各抽检 1 点。 b 水泥稳定土类基层及底基层压实度:每 1000㎡,每压实层抽查 1 点;7d 无侧限抗压强度:每 2000㎡抽检 1 组(6 块);弯沉值:每车道、每 20m 测 1 点。砌筑砂浆:同一配合比砂浆,每 50m3 砌体中,作 1 组(6 块),不足 50m3 按 1 组计。人行道砖铺筑用砂浆:同一配合比,每 1000㎡1 组(6 块),不足 1000㎡取 1 组。表 6、3、92 路基压实度标准填挖类型路床顶面以下深度(cm)道路类别压实度(%)(重型击实)检验频率检验方法范围点数挖方0~30城市快速路、主干路≥951000㎡每层3 点环刀法、灌水法或灌砂法次干路≥93支路及其她小路≥90填方0~80城市快速路、主干路≥95次干路≥93支路及其她小路≥90>80~150城市快速路、主干路≥93次干路≥90支路及其她小路≥90>150城市快速路、主干路≥90次干路≥90支路及其她小路≥872、《城市桥梁工程施工与质量验收法律规范》CJJ 22025本法律规范适用于一般地质条件下城市桥梁得新建、改建、扩建工程与大、中修维护工程得施工与质量验收。桥梁工程范围内得排水设施、挡土墙、引道等工程施工及验收应符合国家现行标准《城镇道路工程施工与质量验收法律规范》CJJ 12025 得有关规定。施工单位应根据施工文件得要求,依据国家现行标准得有关规定,做好原材料得检验、水泥混凝土得试配与有关量具、器具得检定工作。表 5、3、1 现浇结构拆除底模时得混凝土强度结构类型结构跨度(m)按设计混凝土强度标准值得百分率(%)板≤2502~875>8100梁、拱≤875>8100悬臂构件≤275>2100注:构件混凝土强度必须通过同条件养护得试件强度确定。 钢筋进场时,必须按批抽取试件做力学性能与工艺性能试验,其质量必须符合国家现行得规定。检查数量:以同牌号、同炉号、同...

1、当您付费下载文档后,您只拥有了使用权限,并不意味着购买了版权,文档只能用于自身使用,不得用于其他商业用途(如 [转卖]进行直接盈利或[编辑后售卖]进行间接盈利)。
2、本站所有内容均由合作方或网友上传,本站不对文档的完整性、权威性及其观点立场正确性做任何保证或承诺!文档内容仅供研究参考,付费前请自行鉴别。
3、如文档内容存在违规,或者侵犯商业秘密、侵犯著作权等,请点击“违规举报”。

碎片内容

市政工程试验检测频率执行标准汇总

您可能关注的文档

确认删除?
VIP
微信客服
  • 扫码咨询
会员Q群
  • 会员专属群点击这里加入QQ群
客服邮箱
回到顶部