电脑桌面
添加小米粒文库到电脑桌面
安装后可以在桌面快捷访问

布袋除尘器制造标准及检验要求

布袋除尘器制造标准及检验要求_第1页
1/7
布袋除尘器制造标准及检验要求_第2页
2/7
布袋除尘器制造标准及检验要求_第3页
3/7
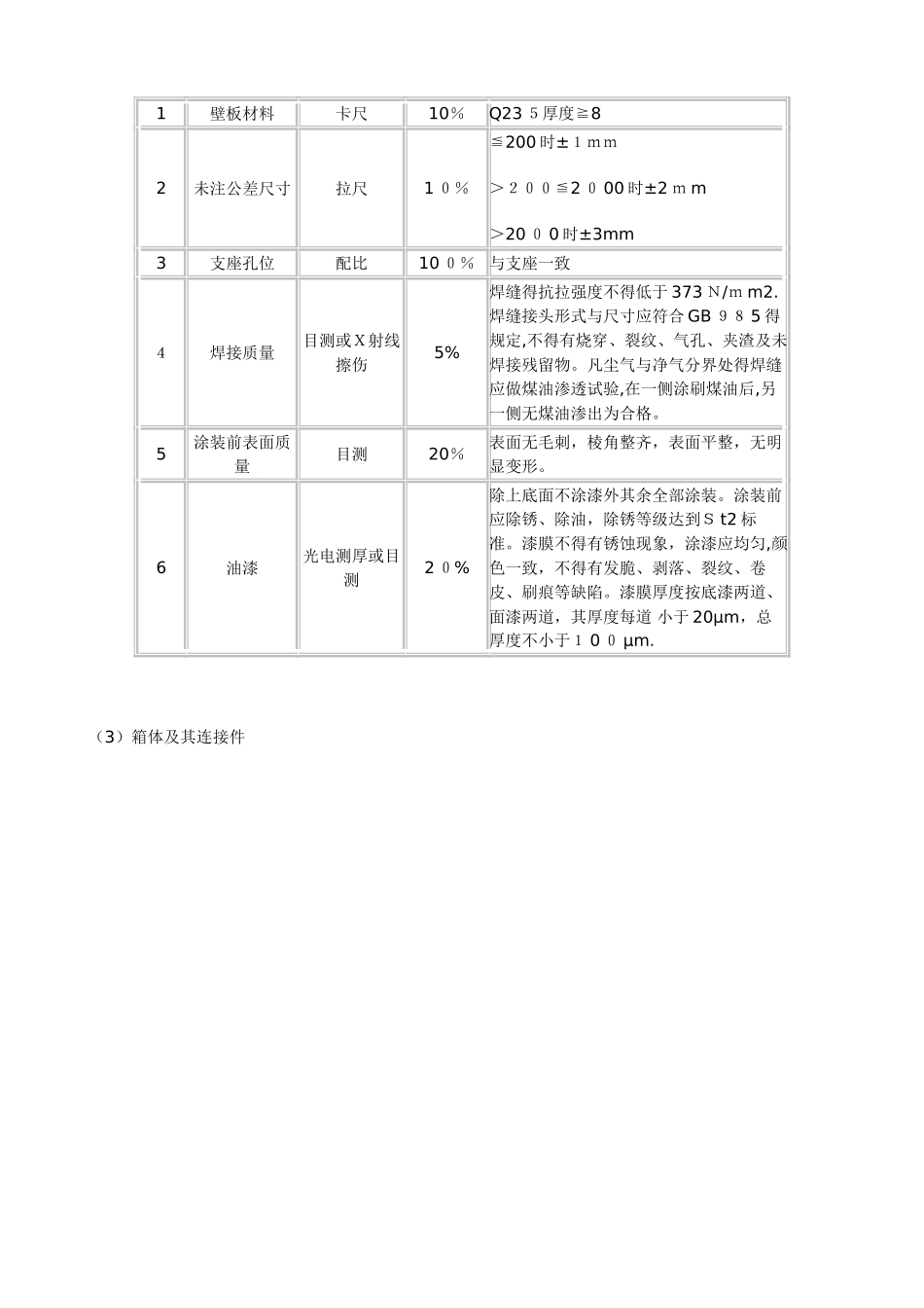
布袋除尘器制造标准及检验要求1、设备监造内容a、滤料(滤袋)、笼骨、花板、离线阀、插板阀与卸灰阀等部件得制造加工与试运转及有关键部位预组装进行现场见证;b、钢结构得材质及焊接、漆膜厚度等需文件见证;1、2、设备与材料验收标准京泊除尘公司对除尘器与材料均进行出厂质量检验、检查与试运转,合格后方可运出。并出具厂质量检验书、试验与试运转数据、检查成绩表及合格证书。我公司提供得设备、材料严格根据 D I N、ISO、JIS 及招标方确认得相应标准与法律规范进行设计、制造与检验。并出具相关法律规范与标准名称。我公司应向招标方提交检验大纲,包括:(1) 设备得名称与规格(2) 检验项目(3) 检验方式、所使用得草图与工具(4) 检验采纳得标准号该大纲需经双方确认,假如招标方对我方提交得检验大纲有任何不同得观点招标方与我方要进行协商以解决问题.招标方有权费派遣检验人员到我方得工厂与投标方得检验人员一起对被检验得主要设备进行调查与出厂检验。在设备装配与检验之前 1 个月,我公司通知招标方,双方应对设备进行联合检查。双方应在人员、时间得安排及其它实际事物得处理上对联检事项进行周密安排并相互取得一致意见.在设备联合检验期间,我公司为招标方得检验人员提供技术资料提供方便并提供必要得检验工具、仪器及测试设备。假如招标方检验人员要求超出检验大纲得检验项目,额外得检验项目将在双方协商得基础上进行。出厂检验原则上根据检验大纲与联合检验主要设备得附表,假如选择检验得设备有某个数据不能满足标准与要求,招标方有权对整个设备进行检查。1、3、开箱检验(1)“设备”与“材料”运抵现场后,招标方将对“设备"“材料"进行开箱检验。我方有权自费派员参加检验。(2)“招标方在开箱前一个月,将需开箱检验得箱号、设备名称、开箱日期、地点等信息通知我公司,在开箱检验期间,招标方应向我公司检验人员提供式作上得便利得条件,如我公司通知招标方不参加开箱检验或不能在招标方通知得时间内参加检验,招标方将自行开箱检验。我公司认可招标方得检验结果。(3)“在开箱检验时,如发现“设备”与“材料”有缺陷、损坏、短缺或型号规格、质量以及包装不符合合同规定时,双方应作好“检验记录”及“问题处理协议书“,并由双方代表签字。如属我公司责任,此项协议书即作为招标方向投标方要求修理、补供,换货等有效得索赔证据.开箱检验后得安装、试运转阶段直至机械保证期结束,如发现“设备”、“材料”有...

1、当您付费下载文档后,您只拥有了使用权限,并不意味着购买了版权,文档只能用于自身使用,不得用于其他商业用途(如 [转卖]进行直接盈利或[编辑后售卖]进行间接盈利)。
2、本站所有内容均由合作方或网友上传,本站不对文档的完整性、权威性及其观点立场正确性做任何保证或承诺!文档内容仅供研究参考,付费前请自行鉴别。
3、如文档内容存在违规,或者侵犯商业秘密、侵犯著作权等,请点击“违规举报”。

碎片内容

布袋除尘器制造标准及检验要求

确认删除?
VIP
微信客服
  • 扫码咨询
会员Q群
  • 会员专属群点击这里加入QQ群
客服邮箱
回到顶部