电脑桌面
添加小米粒文库到电脑桌面
安装后可以在桌面快捷访问

应急预案编制需要提供的资料清单

应急预案编制需要提供的资料清单_第1页
1/7
应急预案编制需要提供的资料清单_第2页
2/7
应急预案编制需要提供的资料清单_第3页
3/7
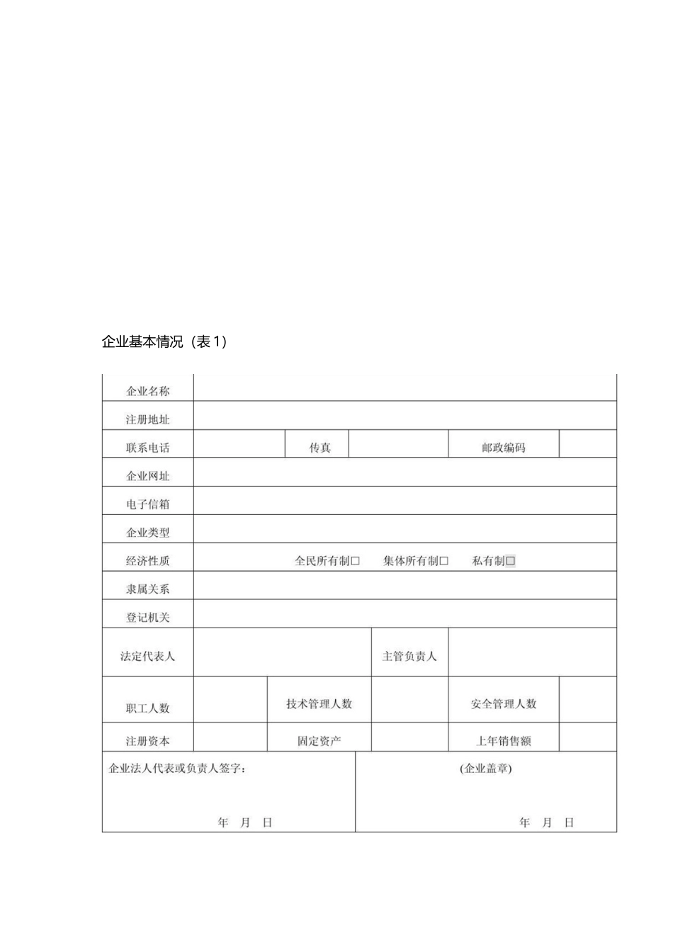
应急预案编制需要提供的资料清单(5 页)Good is good, but better carries it.精益求精,善益求善。应急预案编制需要提供的资料清单1、企业基本情况简介(表 1)2、厂区消防设施布置图3、每个单体建筑物的疏散图(多层建筑需提供每层疏散图)4、周边环境图和总平面图5、工艺流程文字简述及流程图6、主要设备清单7、应急药品、救援器材设备表(表 2)8、储存、使用主要危险物料(危险化学品)情况9、应急救援组织成员组成及联系电话(表 3)10、外部救援单位及政府有关部门联系电话企业基本情况(表 1)应急设施与物资配备表【内容仅供参考,请根据公司实际填写】(表 2)应急救援组织成员组成及联系电话(表 3)(注:应急救援小组可根据情况调整,大致按职责分为通讯组、警戒疏散组、抢险灭火组、抢救)外部救援单位及政府有关部门联系电话(表 4)【|;!&(¥;)"--—·¥|¥·~*《《?'|、、{[}

1、当您付费下载文档后,您只拥有了使用权限,并不意味着购买了版权,文档只能用于自身使用,不得用于其他商业用途(如 [转卖]进行直接盈利或[编辑后售卖]进行间接盈利)。
2、本站所有内容均由合作方或网友上传,本站不对文档的完整性、权威性及其观点立场正确性做任何保证或承诺!文档内容仅供研究参考,付费前请自行鉴别。
3、如文档内容存在违规,或者侵犯商业秘密、侵犯著作权等,请点击“违规举报”。

碎片内容

应急预案编制需要提供的资料清单

您可能关注的文档

确认删除?
VIP
微信客服
  • 扫码咨询
会员Q群
  • 会员专属群点击这里加入QQ群
客服邮箱
回到顶部