电脑桌面
添加小米粒文库到电脑桌面
安装后可以在桌面快捷访问

接地电阻测试记录表

接地电阻测试记录表 _第1页
1/4
接地电阻测试记录表 _第2页
2/4
接地电阻测试记录表 _第3页
3/4
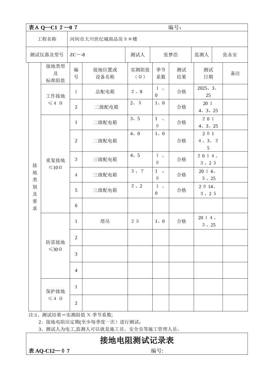
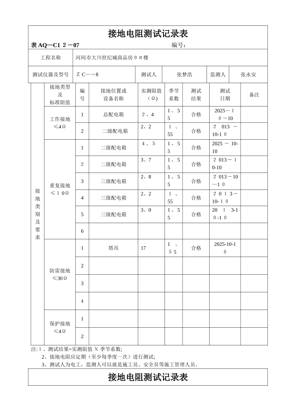
接地电阻测试记录表表 AQ—C1 2-07 编号:工程名称河间市大川世纪城商品房9#楼测试仪器及型号Z C—-8测试人张梦浩监测人张永安接地类别及要求接地类型及标准阻值编号接地位置或设备名称实测阻值(Ω)季节系数测试结果测试日期备注工作接地≤4Ω1总配电箱2、41 、 55合格2025—10-102二级配电箱2、21 、55合格2013 -10-1 0重复接地≤1 0Ω1二级配电箱4、51 、 55合格2025 - 10-102二级配电箱3、71 、 55合格2 013-10-103三级配电箱2、81 、 55合格2 013-10—1 04三级配电箱2、21 、55合格2 0 1 3-10-105三级配电箱3、01 、 55合格2013-10-1 06防雷接地≤30Ω1塔吊171、5 5合格2025-10-10234保护接地≤4Ω12注:1、测试结果=实测阻值 Χ 季节系数;2、接地电阻应定期(至少每季度一次)进行测试;3、测试人为电工,监测人可以就是施工员、安全员等施工管理人员。接地电阻测试记录表表A Q—C1 2—0 7 编号:工程名称河间市大川世纪城商品房9#楼测试仪器及型号ZC--8测试人张梦浩监测人张永安接地类别及要求接地类型及标准阻值编号接地位置或设备名称实测阻值(Ω)季节系数测试结果测试日期备注工作接地≤4 Ω1总配电箱2、81 、0合格2025、3、252二级配电箱2、51、0合格20 14、3、25重复接地≤10Ω1二级配电箱3、51、0合格2 0 14、3、252二级配电箱4、01、0合格2 0 14、3、253三级配电箱4、51 、0合格2 0 14、3、2 54三级配电箱3、71、0合格20 1 4、3、255三级配电箱2、21 、0合格2 0 14、3、2 56防雷接地≤30Ω1塔吊251、0合格20 14、3、25234保护接地≤4 Ω12注:1、测试结果=实测阻值 Χ 季节系数;2、接地电阻应定期(至少每季度一次)进行测试;3、测试人为电工,监测人可以就是施工员、安全员等施工管理人员。接地电阻测试记录表表 AQ-C12—0 7 编号:工程名称河间市大川世纪城商品房 9#楼测试仪器及型号Z C-—8测试人张梦浩监测人张永安接地类别及要求接地类型及标准阻值编号接地位置或设备名称实测阻值(Ω)季节系数测试结果测试日期备注工作接地≤4Ω1总配电箱1、81、95合格2 0 14、5、252二级配电箱1、51、95合格2025、5、2 5重复接地≤1 0 Ω1二级配电箱3、51、95合格2025、5、252二级配电箱2、21、95合格2 0 1 4、5、253三级配电箱2、01、95合格2025、5、2 54三级配...

1、当您付费下载文档后,您只拥有了使用权限,并不意味着购买了版权,文档只能用于自身使用,不得用于其他商业用途(如 [转卖]进行直接盈利或[编辑后售卖]进行间接盈利)。
2、本站所有内容均由合作方或网友上传,本站不对文档的完整性、权威性及其观点立场正确性做任何保证或承诺!文档内容仅供研究参考,付费前请自行鉴别。
3、如文档内容存在违规,或者侵犯商业秘密、侵犯著作权等,请点击“违规举报”。

碎片内容

接地电阻测试记录表

文旅传媒+ 关注
实名认证
内容提供者

传播文化,成就未来

确认删除?
VIP
微信客服
  • 扫码咨询
会员Q群
  • 会员专属群点击这里加入QQ群
客服邮箱
回到顶部