电脑桌面
添加小米粒文库到电脑桌面
安装后可以在桌面快捷访问

教学楼施工组织总设计

教学楼施工组织总设计_第1页
1/22
教学楼施工组织总设计_第2页
2/22
教学楼施工组织总设计_第3页
3/22
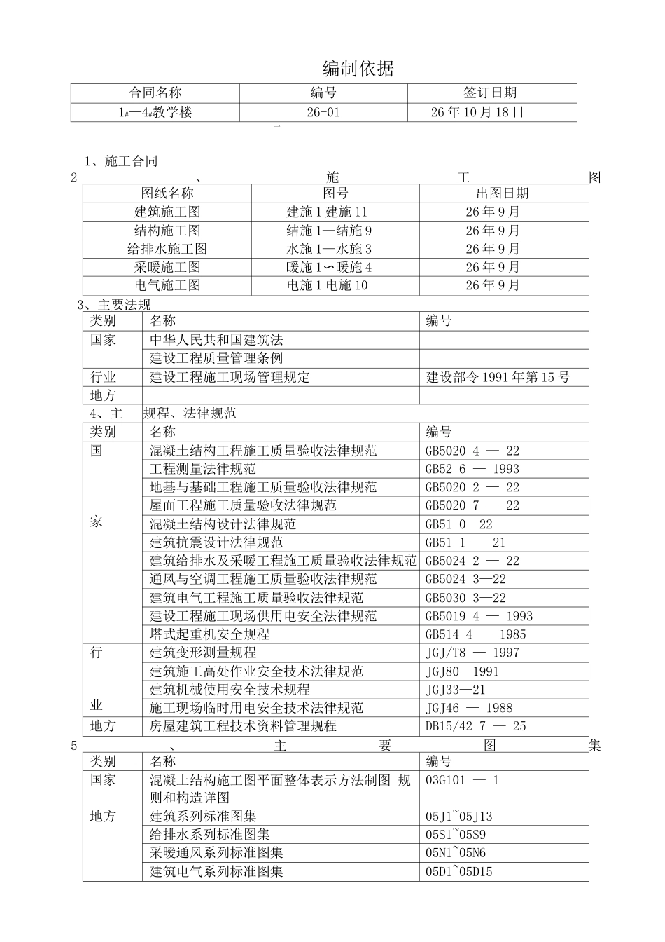
合同名称编号签订日期1#—4#教学楼26-0126 年 10 月 18 日2、施工图图纸名称图号出图日期建筑施工图建施 1 建施 1126 年 9 月结构施工图结施 1—结施 926 年 9 月给排水施工图水施 1—水施 326 年 9 月采暖施工图暖施 1暖施〜426 年 9 月电气施工图电施 1 电施 1026 年 9 月3、主要法规类别名称编号国家中华人民共和国建筑法建设工程质量管理条例行业建设工程施工现场管理规定建设部令 1991 年第 15 号地方4、主要;规程、法律规范类别名称编号国家混凝土结构工程施工质量验收法律规范GB5020 4 — 22工程测量法律规范GB52 6 — 1993地基与基础工程施工质量验收法律规范GB5020 2 — 22屋面工程施工质量验收法律规范GB5020 7 — 22混凝土结构设计法律规范GB51 0—22建筑抗震设计法律规范GB51 1 — 21建筑给排水及采暧工程施工质量验收法律规范 GB5024 2 — 22通风与空调工程施工质量验收法律规范GB5024 3—22建筑电气工程施工质量验收法律规范GB5030 3—22建设工程施工现场供用电安全法律规范GB5019 4 — 1993塔式起重机安全规程GB514 4 — 1985行业建筑变形测量规程JGJ/T8 — 1997建筑施工高处作业安全技术法律规范JGJ80—1991建筑机械使用安全技术规程JGJ33—21施工现场临时用电安全技术法律规范JGJ46 — 1988地方房屋建筑工程技术资料管理规程DB15/42 7 — 255、主要图集类别名称编号国家混凝土结构施工图平面整体表示方法制图 规则和构造详图03G101 — 1地方建筑系列标准图集05J1~05J13给排水系列标准图集05S1~05S9采暧通风系列标准图集05N1~05N6建筑电气系列标准图集05D1~05D15编制依据一 —1、施工合同6、主要标准类别名称编号国家建筑工程施工质量验收统一标准GB5030 0—21混凝土质量控制标准GB5016 4 — 1992混凝土强度检验评定标准GBJ10 7 — 1987建筑施工场界噪声限值GB1252 3—1990行业建筑施工安全检查标准JGJ59 — 19997、其他序号名称1内蒙古纺织工业学校新校址岩土工程勘察报告2赤峰市建筑工程质量控制手册 25 年 6 月3房屋建筑工程技术资料管理规程应用指南(内蒙古人民出版社)概况1、工程概况工程名称1#—4#教学楼地理位置赤峰市新城区建设单位内蒙古纺织工业学校设计单位赤峰市建筑勘察设计院勘察单位赤峰市建筑勘察设计院监理单位赤峰天虹监理有限责任 公司监督单位赤峰市建设工程质量监督站施工单位赤峰建设建筑集团第三工程公司合同...

1、当您付费下载文档后,您只拥有了使用权限,并不意味着购买了版权,文档只能用于自身使用,不得用于其他商业用途(如 [转卖]进行直接盈利或[编辑后售卖]进行间接盈利)。
2、本站所有内容均由合作方或网友上传,本站不对文档的完整性、权威性及其观点立场正确性做任何保证或承诺!文档内容仅供研究参考,付费前请自行鉴别。
3、如文档内容存在违规,或者侵犯商业秘密、侵犯著作权等,请点击“违规举报”。

碎片内容

教学楼施工组织总设计

确认删除?
VIP
微信客服
  • 扫码咨询
会员Q群
  • 会员专属群点击这里加入QQ群
客服邮箱
回到顶部