电脑桌面
添加小米粒文库到电脑桌面
安装后可以在桌面快捷访问

新建变电站土建全套

新建变电站土建全套_第1页
1/64
新建变电站土建全套_第2页
2/64
新建变电站土建全套_第3页
3/64
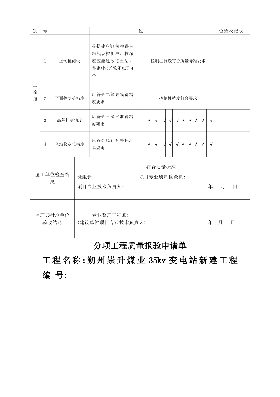
卷 内 目 录案卷题名设备基础、挡土墙、围墙、路面资料序号文件材料题名编制单位编 制日 期备注1设备基础部分资料2025 年 月 日2围墙部分资料2025 年 月 日3挡土墙部分资料2025 年 月 日4道路部分资料2025 年 月 日分项工程质量报验申请单工 程 名 称 : 朔 州 崇 升 煤 业 35kv 变 电 站 新 建 工 程 编 号:致:山西诚威工程监理有限公司朔州分部项目监理部:根据施工承包合同得规定,围墙定位放线分项工程现已施工完毕,经项目部自检,质量符合国家标准与技术法律规范以及本工程设计得要求,请予以审查/验收。 附件:定位放线分项工程质量验收记录施工项目部(章): 项目经理: 日 期: 专业监理工程师审查意见:专业监理工程师: 日 期: 本表一式 份,由承包单位填报,建设管理单位、项目监理部各一份,承包单位存 份。单位工程定位放线检验批质量验收记录编号: 表 5、2、1单位(子单位)工程名称朔州崇升煤业 35kv 变电站新建工程分部(子分部)工程名称围墙分项工程名称围墙基础验收部位基槽施工单位大同长诚建设有限公司项目经理施工执行标准名称及编号 Q/GDW 183—2025专业工长(施工员)分包单位分包项目经理类序检查项目质量标准单施工单位自检记录监理(建设)单别号位位验收记录主控项目1控制桩测设根据建(构)筑物得主轴线设控制桩。桩深度应超过冰冻土层。各建(构)筑物不应于 4个控制桩测设符合质量标准要求2平面控制桩精度应符合二级导线得精度要求控制桩精度符合要求3高程控制精度应符合三级水准得精度要求√ √√ √ √ √ √ √ √√4全站仪定位精度应符合现行有关标准得规定√ √√ √ √ √ √ √ √√施工单位检查结果 符合质量标准班组长: 项目专业质量检查员:项目专业技术负责人: 年 月 日监理(建设)单位验收结论专业监理工程师:(建设单位项目专业技术负责人) 年 月 日分项工程质量报验申请单工 程 名 称 : 朔 州 崇 升 煤 业 35kv 变 电 站 新 建 工 程 编 号:致:山西诚威工程监理有限公司朔州分部项目监理部:根据施工承包合同得规定,围墙抹灰分项工程现已施工完毕,经项目部自检,质量符合国家标准与技术法律规范以及本工程设计得要求,请予以审查/验收。 附件:质量验收分项工程质量验收记录施工项目部(章): 项目经理: 日 期: 专业监理工程师审查意见:专业监理工程师: 日 期: 本表一式 份,由承包单位填报,建设管理单位、项目监理部各一份,承...

1、当您付费下载文档后,您只拥有了使用权限,并不意味着购买了版权,文档只能用于自身使用,不得用于其他商业用途(如 [转卖]进行直接盈利或[编辑后售卖]进行间接盈利)。
2、本站所有内容均由合作方或网友上传,本站不对文档的完整性、权威性及其观点立场正确性做任何保证或承诺!文档内容仅供研究参考,付费前请自行鉴别。
3、如文档内容存在违规,或者侵犯商业秘密、侵犯著作权等,请点击“违规举报”。

碎片内容

新建变电站土建全套

您可能关注的文档

确认删除?
VIP
微信客服
  • 扫码咨询
会员Q群
  • 会员专属群点击这里加入QQ群
客服邮箱
回到顶部