电脑桌面
添加小米粒文库到电脑桌面
安装后可以在桌面快捷访问

施工方案通用版

施工方案通用版_第1页
1/14
施工方案通用版_第2页
2/14
施工方案通用版_第3页
3/14
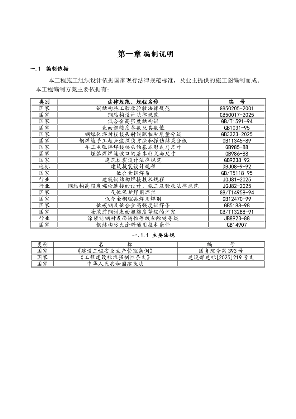
XXXXXXX编制: 审核: 批准: XXXXXXXXXXXX201X 年 X 月第一章 编制说明一.1编制依据本工程施工组织设计依据国家现行法律规范标准,及业主提供的施工图编制而成。本工程编制方案主要依据有:类别法律规范、规程名称编 号国家钢结构施工验收验收法律规范GB50205-2001国家钢结构设计法律规范GB50017-2025国家低合金高强度结构钢GB/T1591-94国家表面粗糙度参数及其数值GB1031-95国家钢熔化焊对接接头射线照相和质量分级GB3323-2025国家钢焊缝手工超声波探伤方法和探伤结果分级GB11345-89国家手工电弧焊焊接接头的基本形式与尺寸GB985-88国家埋弧焊焊缝坡口的基本形式与尺寸GB986-88国家建筑抗震设计法律规范GB9238-92地标建筑抗震设计规程DBJ08-9-92国家低合金钢焊条GB/T5118-95行业建筑钢结构焊接技术规程JGJ81-2025行业钢结构高强度螺栓连接的设计、施工及验收法律规范JGJ82-2025国家气体保护焊用焊丝GB/T14958-94国家低合金钢埋弧焊用焊剂GB12470-99国家低碳钢及低合金高强度钢焊条GB5188-98国家涂装前钢材表面粗糙度等级的评定GB/T13288-91行业涂装前钢材表面锈蚀等级和除锈等级JB8923-88国家钢结构防火涂料通用技术条件GB14907一.1.1 主要法规类别名 称编 号国家《建设工程安全生产管理条例》国务院令第 393 号国家《工程建设标准强制性条文》建设部建标[2025]219 号文国家中华人民共和国建筑法第二章 工程概述二.1工程概况本工程共分为 2 个部分,第一部分为 XXXXXX,第二部分为 XXXXXXXX,钢结构材质为Q235B。二.1.1 主要机械设备及材料需求主要机械设备及材料需求见表 3.13表 3.13 机械设备及材料需求表序号名称规格数量备注116t 汽车吊QY16 型12电焊机24kW2 台3气刨焊机2 台4安全网10 床5卸扣1~20 吨10 个吊装用6钢丝绳6*39+1 24Ø50m吊装用7钢丝绳10Ø100m安全绳8水准仪S51 台9安全帽6 个施工人员用二.1.2 配合在施工过程中,项目部需要积极配合业主、监理、地方行政主管部门和其他施工队伍,才能保证工程建设的顺利进行。wI7Mn。总包单位需提供临水临电接点位置,临时设施的安排,且需提供移动脚手架若干。第三章 钢结构安装方案一个安装流水段内包括构件检查配套运输、构件吊装就位、测量监控校正、高强度螺栓安装、柱梁焊接检测、防腐补漆、安全防护设施搭拆等诸多专业的工作内容。重钢厂房类钢结构的特点决定了各专业施工必须遵循严格的程序,同时各专业施工既相对独立又互相依存,必须合理交叉,及...

1、当您付费下载文档后,您只拥有了使用权限,并不意味着购买了版权,文档只能用于自身使用,不得用于其他商业用途(如 [转卖]进行直接盈利或[编辑后售卖]进行间接盈利)。
2、本站所有内容均由合作方或网友上传,本站不对文档的完整性、权威性及其观点立场正确性做任何保证或承诺!文档内容仅供研究参考,付费前请自行鉴别。
3、如文档内容存在违规,或者侵犯商业秘密、侵犯著作权等,请点击“违规举报”。

碎片内容

施工方案通用版

您可能关注的文档

确认删除?
VIP
微信客服
  • 扫码咨询
会员Q群
  • 会员专属群点击这里加入QQ群
客服邮箱
回到顶部