电脑桌面
添加小米粒文库到电脑桌面
安装后可以在桌面快捷访问

施工机械的进场计划

施工机械的进场计划_第1页
1/5
施工机械的进场计划_第2页
2/5
施工机械的进场计划_第3页
3/5
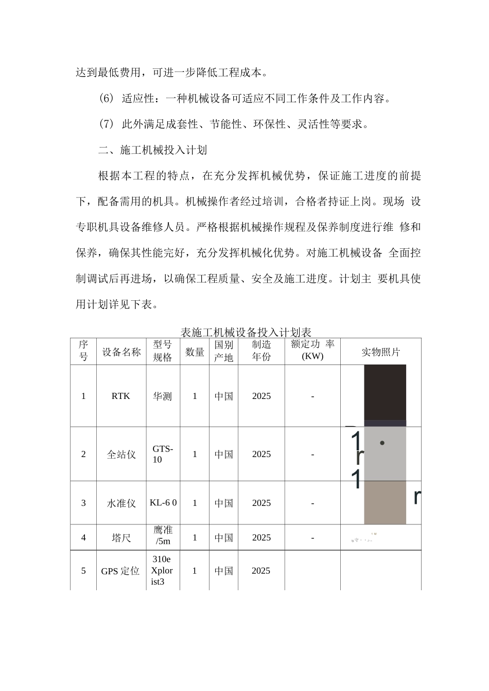
施工机械的进场计划一、施工机械配置原则根据项目质量、工期和安全的要求,各种测量检测仪器与施工机 具的配置满足下面的条件:1、各种施工用仪器和机具要功能齐备,新旧程度必须满足施工 的需求。2、在数量上要充足,不同种类的仪器和机具要配置合理。3、在施工高峰期,一方面要考虑满足数量的因素,另一方面要 考虑有效的周转使用。4、要保证重要工序和重要部位的仪器和机具满足要求。各种测 量仪器不仅要求功能先进,还要求准确有效。没有规矩不成方圆”, 若对轴线、标高控制线等没有准确的测量数据,精品工程是无从谈起 的。5、配置必要的维修工具,在施工期间对各种仪器和设备进行合 理的保养和维修。6、配备机械设备适当考虑以下因素:(1)技术先进性:机具设备技术性能优越,生产率高。(2)使用可靠性:机械设备在使用过程中能稳定地保持其应有 的技术性能,安全可靠的运行。(3)便于维修性:机械设备要便于检查、维修和修理。(4)运行安全性:机械设备在使用过程中有对施工安全的保障性能。(5)经济实惠性:机具设备在满足技术要求和生产要求的基础 上达到最低费用,可进一步降低工程成本。(6) 适应性:一种机械设备可适应不同工作条件及工作内容。(7) 此外满足成套性、节能性、环保性、灵活性等要求。二、施工机械投入计划根据本工程的特点,在充分发挥机械优势,保证施工进度的前提 下,配备需用的机具。机械操作者经过培训,合格者持证上岗。现场 设专职机具设备维修人员。严格根据机械操作规程及保养制度进行维 修和保养,确保其性能完好,充分发挥机械化优势。对施工机械设备 全面控制调试后再进场,以确保工程质量、安全及施工进度。计划主 要机具使用计划详见下表。表施工机械设备投入计划表序号设备名称型号规格数量国别 产地制造年份额定功 率(KW)实物照片1RTK华测1中国2025-B2全站仪GTS-101中国2025-1 r ・3水准仪KL-6 01中国2025-1 r4塔尺鹰准 /5m1中国2025- 1 M ig.守・・J- H5GPS 定位310e Xplor ist31中国20256对讲机摩托 罗拉3中国2025-107挖机ZAX3302日本2025-8装载机ZL50/ 50t2徐州2025-ZLJ59洒水车020TYHE2中国2025-411手提电钻6A若干中国沈阳20250.512钻机2中国2025-13除尘雾炮 机30 型2中国20253甚..‘my <14水泵潜污 泵8中国202515吊机QY161中国202517016PIDPGM-73402美国2025-17吸污车VT706中国2025103三、施工机械保证措施为进一步加强机电设备运行管理,树立以保安全为目...

1、当您付费下载文档后,您只拥有了使用权限,并不意味着购买了版权,文档只能用于自身使用,不得用于其他商业用途(如 [转卖]进行直接盈利或[编辑后售卖]进行间接盈利)。
2、本站所有内容均由合作方或网友上传,本站不对文档的完整性、权威性及其观点立场正确性做任何保证或承诺!文档内容仅供研究参考,付费前请自行鉴别。
3、如文档内容存在违规,或者侵犯商业秘密、侵犯著作权等,请点击“违规举报”。

碎片内容

施工机械的进场计划

确认删除?
VIP
微信客服
  • 扫码咨询
会员Q群
  • 会员专属群点击这里加入QQ群
客服邮箱
回到顶部