电脑桌面
添加小米粒文库到电脑桌面
安装后可以在桌面快捷访问

日本工业标准-漆包线

日本工业标准-漆包线_第1页
1/6
日本工业标准-漆包线_第2页
2/6
日本工业标准-漆包线_第3页
3/6
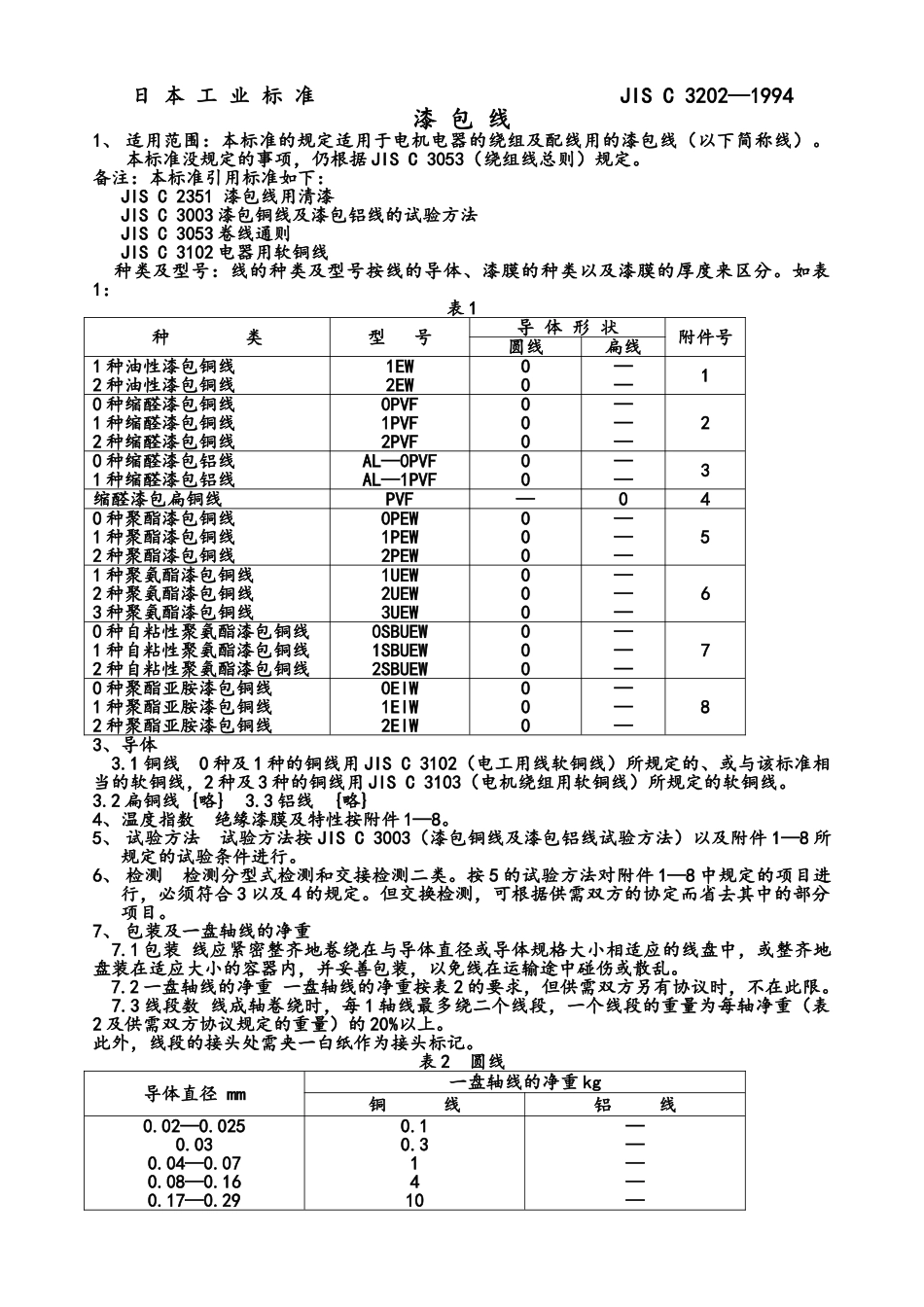
日 本 工 业 标 准 JIS C 3202—1994漆 包 线1、 适用范围:本标准的规定适用于电机电器的绕组及配线用的漆包线(以下简称线)。本标准没规定的事项,仍根据 JIS C 3053(绕组线总则)规定。备注:本标准引用标准如下: JIS C 2351 漆包线用清漆 JIS C 3003 漆包铜线及漆包铝线的试验方法 JIS C 3053 卷线通则 JIS C 3102 电器用软铜线 种类及型号:线的种类及型号按线的导体、漆膜的种类以及漆膜的厚度来区分。如表1:表 1种 类型 号导 体 形 状附件号圆线扁线1 种油性漆包铜线2 种油性漆包铜线1EW2EW00——10 种缩醛漆包铜线1 种缩醛漆包铜线2 种缩醛漆包铜线0PVF1PVF2PVF000———20 种缩醛漆包铝线1 种缩醛漆包铝线AL—0PVFAL—1PVF00——3缩醛漆包扁铜线PVF—040 种聚酯漆包铜线1 种聚酯漆包铜线2 种聚酯漆包铜线0PEW1PEW2PEW000———51 种聚氨酯漆包铜线2 种聚氨酯漆包铜线3 种聚氨酯漆包铜线1UEW2UEW3UEW000———60 种自粘性聚氨酯漆包铜线1 种自粘性聚氨酯漆包铜线2 种自粘性聚氨酯漆包铜线0SBUEW1SBUEW2SBUEW000———70 种聚酯亚胺漆包铜线1 种聚酯亚胺漆包铜线2 种聚酯亚胺漆包铜线0EIW1EIW2EIW000———83、导体 3.1 铜线 0 种及 1 种的铜线用 JIS C 3102(电工用线软铜线)所规定的、或与该标准相当的软铜线,2 种及 3 种的铜线用 JIS C 3103(电机绕组用软铜线)所规定的软铜线。3.2 扁铜线 {略} 3.3 铝线 {略}4、温度指数 绝缘漆膜及特性按附件 1—8。5、 试验方法 试验方法按 JIS C 3003(漆包铜线及漆包铝线试验方法)以及附件 1—8 所规定的试验条件进行。6、 检测 检测分型式检测和交接检测二类。按 5 的试验方法对附件 1—8 中规定的项目进行,必须符合 3 以及 4 的规定。但交换检测,可根据供需双方的协定而省去其中的部分项目。7、 包装及一盘轴线的净重 7.1 包装 线应紧密整齐地卷绕在与导体直径或导体规格大小相适应的线盘中,或整齐地盘装在适应大小的容器内,并妥善包装,以免线在运输途中碰伤或散乱。 7.2 一盘轴线的净重 一盘轴线的净重按表 2 的要求,但供需双方另有协议时,不在此限。 7.3 线段数 线成轴卷绕时,每 1 轴线最多绕二个线段,一个线段的重量为每轴净重(表2 及供需双方协议规定的重量)的 20%以上。此外,线段的接头处需夹一白纸作为接头标记。表 2 圆线导体直径 mm一盘轴线的...

1、当您付费下载文档后,您只拥有了使用权限,并不意味着购买了版权,文档只能用于自身使用,不得用于其他商业用途(如 [转卖]进行直接盈利或[编辑后售卖]进行间接盈利)。
2、本站所有内容均由合作方或网友上传,本站不对文档的完整性、权威性及其观点立场正确性做任何保证或承诺!文档内容仅供研究参考,付费前请自行鉴别。
3、如文档内容存在违规,或者侵犯商业秘密、侵犯著作权等,请点击“违规举报”。

碎片内容

日本工业标准-漆包线

文森传品+ 关注
实名认证
内容提供者

一家传播文化教育的小店,资料丰富,随意挑选。

确认删除?
VIP
微信客服
  • 扫码咨询
会员Q群
  • 会员专属群点击这里加入QQ群
客服邮箱
回到顶部