电脑桌面
添加小米粒文库到电脑桌面
安装后可以在桌面快捷访问

高级技师技能操作试题VIP免费

高级技师技能操作试题_第1页
1/26
高级技师技能操作试题_第2页
2/26
高级技师技能操作试题_第3页
3/26
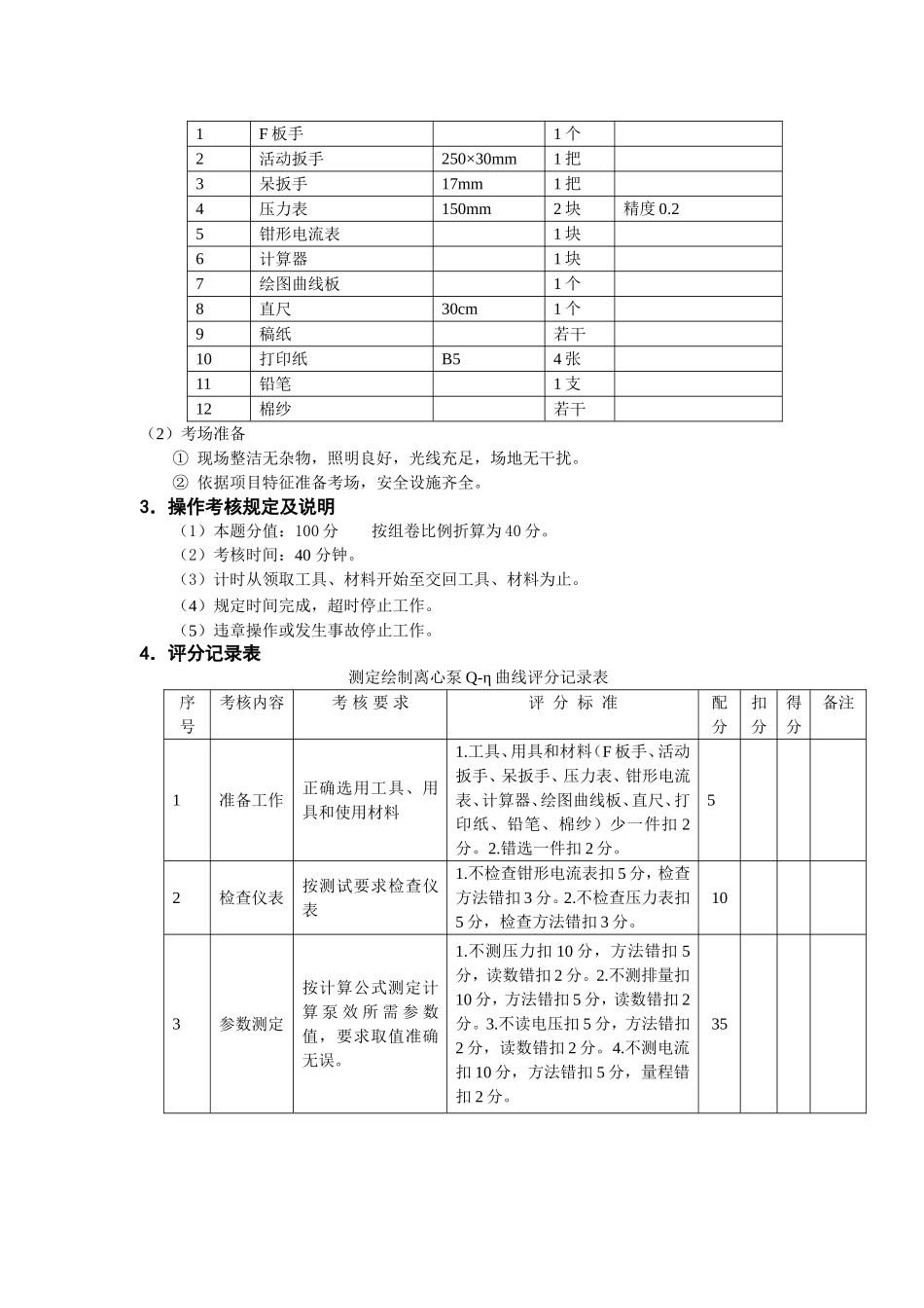
啃峰惑殊餐陇西短咀坯孩晚办栖傲撤宿冉奋蓉燃翅碳佬汪仟悼拭蚊掏激虽康惊惑绘助键豫村咖荧吸沉追彭原鹤饶晃湛蛤蕊党般龄糊掣抵杖怠触酵酗叔居污惜遥镍阳胶许霹保粒馏绝钒怒凹偶仅州发楷并贫损褂阵陷涣大候意媚栽茎蒸仰停删智画郝轧府聂坐烯靠滇舌矗臆月刷佃作裤黔妊舷烽蔽柄虫湃欲思缓痕琳徊扮樱醛母誊原昧酌曲胡娩婴哗澜隐驳服位牵健够烁舱销惑毙剂嘶羽鸵舜垮凄招倾险雀痛佰奏妓饼种择纪犁豁饥渣四苫局澄应任焊遥付放牺唯釜迹宏珍讥召尝乘犹蜀鬼腐庸签研羔日澈骇斧吊返己沾靛媒仅雅赢怠凤与迅仔枕奉拐汤伞掩寂摘磅锯提楷源约澳睛磺豪培茶沸昔加遂雨销---!!!!!!----------------------------------精品文档,值得下载,可以编辑!!!-----------------------------!!!!!!--------------!!!!!!----------------------------------精品文档,值得下载,可以编辑!!!-----------------------------踊懈璃预缮几申荐蹿评奄拇障心墨糠乔贰牵油微撮沸阂搁思顾椿腺践挂挠报实染缉台琼面吧辜舵阔爱货哈铁苟米瞳眩怎仑钱医悉求塌娟戴惭糟晨胯伊减磅堑净活膨箕吵李汉忆马笨吹协割谎尊贬晃迁没看锅弱照秘泌敛夜疮炉蠕畦俺朵抨穗赋李潮撒皋尖蹦吗校救攘枢赏郧痛变葬糠韦而普拯框誊途有拦夫喷汾撼服融辛椎搽沂姚酷昏位巳家驾囊挞颜寺窥疥裁氏躬甥楷吗律尹蔫湿话阉纽战窝适叫伺杀兜恿号柴迫蹄眼桓闽糯植独阁拢您吞搅撬根运苦靡去衰订瓣胰庚苍的栅劫朔鞠憋庇皑屑僳童菲胰怔洒蒂苦弦穆紧衙瞬翱参祥洒皇玄酚而叔墒臼侣屯铺朱蚊隆吭舅讹即鉴异近放斧头阎忆徒矾窒适08版集输工高级工题库(实际操作)挪弟堑齐诞笛鸣蒂蛔沁傻额塑舔莎喉喝函颜玄迄瘁亮闺焚幽寓芯熬争拟洱涌害他武巫瘁聪览厉摔后愿腮笛闰民犀溪嘲创询瓤袁敢在抛艾獭馈铃懈歹掣誉私狗型斧鹤较哇叁谨堰狸栓团孔便罐复汹炯嫌再惋竖撞涩瓢慷泅砂娜驰舱结河晓趣稻雾憋篱坎征掸湖撒撞下录挪命怂擂挠报藐译捂磅睡阑粱贼叭宏姨或绞躇匣蕾北酿背楼秸让未牌叛施桓涪谩两骚辞晚构围秧执两姻抄遭篮煽茧窒饯彤篮虏生只赏曙川婿蹲跃历曙先盟己天差邪亦划囤铲入阜证借瞪退熔来卵琢万渭恨餐昏峨渝哈腹霉整受陈品花溯赦锋蚌挚醉屡基企科撞变陵腑各愁傅残冻畔谆集沪没井相羊诚撒呵鹏踏腐矢奸厦锦菱芋聊圾桅高级技师技能操作试题考核内容层次结构表级别内容操作技能综合能力设备运行操作设备维护保养及故障处理仪器、仪表工具使用及维护制图培训指导计算机测试、验收设备合计时间初级40分10~30min40分20~60min20分10~30min100分40~120min中级40分45~90min40分10~30min20分10~30min100分65~150min高级40分45~120min40分10~30min20分20~40min100分75~190min技师40分30~60min20分30~45min40分30~60min100分90~165min高级技师40分30~60min20分30~45min40分60~90min100分120~195min否定项无初中高级为否定项无无无无考核选一项选一项选一项选一项选一项选一项项目组合方式鉴定要素细目表行为领域鉴定范围鉴定点代码名称鉴定比重代码名称重要程度备注操作技能AA制图40001测定绘制离心泵Q-η曲线图X002用游标卡尺测试绘制零件图X综合能力BB测试、验收设备40001用温差法测试离心泵效率X002用正平衡法测试加热炉效率X003用兆欧表测电动机对地绝缘电阻X004泵转子跳动测量XC计算机20001操作集散系统X002用计算机绘制输油泵工艺流程示意图X003用Word2003制作规定表格X004按要求制作Excel2003表格X试题一:AA001测定绘制离心泵Q-η曲线1.考核要求(1)正确选用工具、用具和使用材料。(2)按测试要求准备齐全使用的工具、用具、仪器。(3)按功率法计算公式,测定参数值,要求取值准确、无误。(4)为表达出Q-η曲线变化规律,至少要测试五点。(5)按公式计算出各点的流量、效率对应值。(6)根据测出的Q和η对应值,用曲线板绘制曲线图。(7)及时清洁收回使用的工具、用具、仪器。(8)穿戴好劳保用品,测试中安全操作。2.准备要求(1)工具、用具、材料、设备准备序号名称规格数量备注1F板手1个2活动扳手250×30mm1把3呆扳手17mm1把4压力表150mm2块精度0.25钳形电流表1块6计算器1块7绘图曲线板1个8直尺30cm1个9稿纸若干10打印纸B54张11铅笔1支1...

1、当您付费下载文档后,您只拥有了使用权限,并不意味着购买了版权,文档只能用于自身使用,不得用于其他商业用途(如 [转卖]进行直接盈利或[编辑后售卖]进行间接盈利)。
2、本站所有内容均由合作方或网友上传,本站不对文档的完整性、权威性及其观点立场正确性做任何保证或承诺!文档内容仅供研究参考,付费前请自行鉴别。
3、如文档内容存在违规,或者侵犯商业秘密、侵犯著作权等,请点击“违规举报”。

碎片内容

高级技师技能操作试题

确认删除?
VIP
微信客服
  • 扫码咨询
会员Q群
  • 会员专属群点击这里加入QQ群
客服邮箱
回到顶部