电脑桌面
添加小米粒文库到电脑桌面
安装后可以在桌面快捷访问

板式换热器计算方法及公式

板式换热器计算方法及公式_第1页
1/3
板式换热器计算方法及公式_第2页
2/3
板式换热器计算方法及公式_第3页
3/3
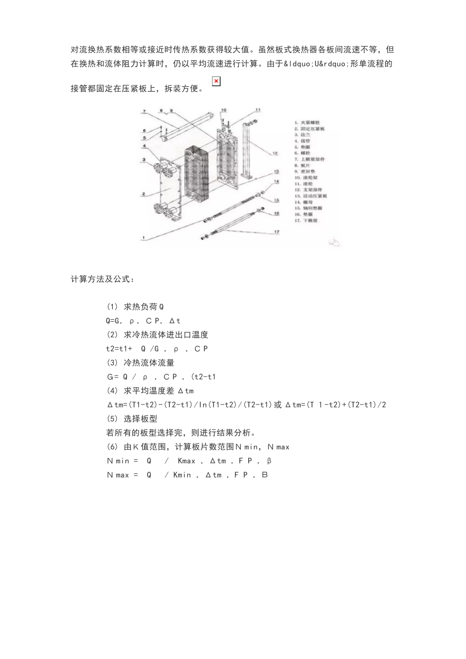
板式换热器计算方法及公式各个厂家都有自己的选型方法和计算方法,他们根据实际情况和具体需要,很好的管理他们的设备,并选择适合他们生产所需要的热交换器,来达到高效率的生产工作。下面我们就一起去看看各个商家都是怎样进行板式热交换器的选型和计算的!板型选择板片型式或波纹式应根据换热场合的实际需要而定。对流量大允许压降小的情况,应选用阻力小的板型,反之选用阻力大的板型。根据流体压力和温度的情况,确定选择可拆卸式,还是钎焊式。确定板型时不宜选择单板面积太小的板片,以免板片数量过多,板间流速偏小,传热系数过低,对较大的换热器更应注意这个问题。 流程和流道的选择流程指板式换热器内一种介质同一流动方向的一组并联流道,而流道指板式换热器内,相邻两板片组成的介质流动通道。一般情况下,将若干个流道按并联或串联的方式连接起来,以形成冷、热介质通道的不同组合。流程组合形式应根据换热和流体阻力计算,在满足工艺条件要求下确定。尽量使冷、热水流道内的对流换热系数相等或接近,从而得到最佳的传热效果。因为在传热表面两侧对流换热系数相等或接近时传热系数获得较大值。虽然板式换热器各板间流速不等,但在换热和流体阻力计算时,仍以平均流速进行计算。由于“U”形单流程的接管都固定在压紧板上,拆装方便。 计算方法及公式: (1) 求热负荷 Q Q=G.ρ.C P.Δt (2) 求冷热流体进出口温度 t2=t1+ Q /G .ρ .C P (3) 冷热流体流量 G= Q / ρ .C P .(t2-t1 (4) 求平均温度差 Δtm Δtm=(T1-t2)-(T2-t1)/In(T1-t2)/(T2-t1)或 Δtm=(T 1-t2)+(T2-t1)/2 (5) 选择板型 若所有的板型选择完,则进行结果分析。 (6) 由K值范围,计算板片数范围N min,N max N min = Q / Kmax .Δtm .F P .β N max = Q / Kmin .Δtm .F P .Β关于传热系数和压降的计算,由各个厂家产品的性能曲线计算得到。性能曲线(准则关联式)一般来自于产品的性能测试。对于缺少性能测试的板型,也可通过参考尺寸法,根据板型的特性几何尺寸获得板型的准则关联式,国际上的一些通用软件均采纳这种方法。实际的生产生活中很多的方法都是大家总结和积累得到的,只要学会灵活的运用,就不会有很大的问题出现!

1、当您付费下载文档后,您只拥有了使用权限,并不意味着购买了版权,文档只能用于自身使用,不得用于其他商业用途(如 [转卖]进行直接盈利或[编辑后售卖]进行间接盈利)。
2、本站所有内容均由合作方或网友上传,本站不对文档的完整性、权威性及其观点立场正确性做任何保证或承诺!文档内容仅供研究参考,付费前请自行鉴别。
3、如文档内容存在违规,或者侵犯商业秘密、侵犯著作权等,请点击“违规举报”。

碎片内容

板式换热器计算方法及公式

不二商店+ 关注
实名认证
内容提供者

我是你的不二选择

确认删除?
VIP
微信客服
  • 扫码咨询
会员Q群
  • 会员专属群点击这里加入QQ群
客服邮箱
回到顶部